电脑桌面
添加蜗牛文库到电脑桌面
安装后可以在桌面快捷访问

GBT 15046-1994 脂肪酰二乙醇胺.pdfVIP免费

GBT 15046-1994 脂肪酰二乙醇胺.pdf_第1页
GBT 15046-1994 脂肪酰二乙醇胺.pdf_第2页
GBT 15046-1994 脂肪酰二乙醇胺.pdf_第3页
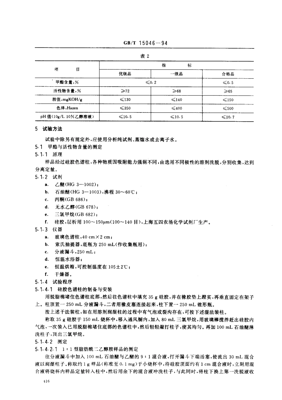
中华人民共和国国家标准GB/T15046一94脂肪酞二乙醇胺Fattydiethanolamide1主面内容与适用范围本标准规定了脂肪酞二乙醉胺的技术要求、试验方法、检验规则和标志、包装、运输、贮存要求。本标准适用于由脂肪酸甲醋或脂肪酸与二乙醇胺缩合而成的脂肪酞二乙醇胺,不适用于由油脂直接合成的脂肪酸二乙醇胺产品。2引用标准GB6368表面活性剂水溶液pH值的测定电位法3产品分类脂肪酞二乙醇胺按结合的二乙醉胺数分为1,1型与1:2型两类。O}}1:1型脂肪酞二乙醉胺分子式为:R-C-N(CHZCH20H)2O111:2型脂肪酞二乙醇胺分子式为:R--C-N(CH,CHZOH),HN(CH}CH,OH)}4技术要求4.1外观:淡黄色液体或膏状。4.21:1型脂肪酞二乙醇胺的理化指标应符合表1规定。表1项目指标优级品一级品合格品甲酷含量,%蕊0.5蕊1.0毛1.0活性物含量,%妻92>90>s5胺值,mgKOH/g簇30提40提45色泽,Hazen(350簇400毛500pH值(lOg/L10%乙醇溶液)毛10.5镇10.5镇10.74.31:2型脂肪酞二乙醇胺的理化指标应符合表2规定。国家技术监督局1994一04一12批准1994一12一01实施GB/T15046一94表2项目指标优级品一级品合格品‘甲酷含量,%(0.2镇0.5活性物含量,%)72妻68)65胺值,mgKOH/g(130镇140砚150色泽,Hazen提350镇400镇500pH值(lOg/L10%乙醉溶液)簇10.5镇10.5簇10.75试验方法试验中除另有规定外,应使用分析纯试剂、蒸馏水或去离子水。5.1甲醋与活性物含量的测定5}1}1原理样品经过硅胶色谱柱,各种物质因吸附能力强弱不同,由选用不同极性的溶剂洗脱,分别收集,达到分离定量。5.1.2试剂a.乙醚(HG3-1002);b.石油醚(HG3-1003),沸程30-60'C;c丙酮(GB686);d.无水乙醉(GB678);e.三氯甲烷(GB682);f.硅胶,层析用100^-15如m(100-140目),上海五四农场化学试剂厂生产。5门-3仪器a.玻璃色谱柱,40cmX2cm;b.索氏抽提器,底瓶为250mL(作收集瓶用);c.分液漏斗,250mL;d.恒温水浴器;e.恒温烘箱,可控制温度在105士2`C;f.干燥器。5.1.4试验程序5.1.4.1硅胶色谱柱的制备与安装用脱脂棉堵住色谱柱底部,然后往色谱柱中填充35g硅胶,并在橡胶垫上蹬实,再垂直固定在架子上。柱顶置一250mL分液漏斗,二者用橡皮塞连接起来,柱下置一250mL锥形瓶。按上述干法装柱,如在用溶剂润湿柱的过程中有气泡或裂沟存在,可按下述湿法装柱。称取35g硅胶于150mL烧杯中,移入通风橱内,加入80mL三氯甲烷,用玻璃棒搅拌赶出硅胶内气泡,一次装入已用脱脂棉堵住底部的色谱柱中,然后轻轻敲打柱子,使其均匀。再加100mL石油醚淋洗柱子,顶出三氯...

1、当您付费下载文档后,您只拥有了使用权限,并不意味着购买了版权,文档只能用于自身使用,不得用于其他商业用途(如 [转卖]进行直接盈利或[编辑后售卖]进行间接盈利)。
2、本站所有内容均由合作方或网友上传,本站不对文档的完整性、权威性及其观点立场正确性做任何保证或承诺!文档内容仅供研究参考,付费前请自行鉴别。
3、如文档内容存在违规,或者侵犯商业秘密、侵犯著作权等,请点击“违规举报”。

碎片内容

蜗牛文库的最新文档

二年级数学下册其中检测卷二年级数学下册其中检测卷附答案#期中测试卷.pdf
10.00金币
0下载
二年级数学下册期末质检卷(苏教版)二年级数学下册期末质检卷(苏教版)#期末复习 #期末测试卷 #二年级数学 #二年级数学下册#关注我持续更新小学知识.pdf
10.00金币
0下载
二年级数学下册期末混合运算专项练习二年级数学下册期末混合运算专项练习#二年级#二年级数学下册#关注我持续更新小学知识 #知识分享 #家长收藏孩子受益.pdf
10.00金币
1下载
二年级数学下册年月日三类周期问题解题方法二年级数学下册年月日三类周期问题解题方法#二年级#二年级数学下册#知识分享 #关注我持续更新小学知识 #家长收藏孩子受益.pdf
10.00金币
0下载
二年级数学下册解决问题专项训练二年级数学下册解决问题专项训练#专项训练#解决问题#二年级#二年级数学下册#知识分享.pdf
10.00金币
1下载
二年级数学下册还原问题二年级数学下册还原问题#二年级#二年级数学#关注我持续更新小学知识 #知识分享 #家长收藏孩子受益.pdf
10.00金币
1下载
二年级数学下册第六单元考试卷家长打印出来给孩子测试测试争取拿到高分!#小学二年级试卷分享 #二年级第六单考试数学 #第六单考试#二年级数学下册.pdf
10.00金币
0下载
二年级数学下册必背顺口溜口诀汇总二年级数学下册必背顺口溜口诀汇总#二年级#二年级数学下册 #知识分享 #家长收藏孩子受益 #关注我持续更新小学知识.pdf
10.00金币
0下载
二年级数学下册《重点难点思维题》两大问题解决技巧和方法巧算星期几解决周期问题还原问题强化思维训练老师精心整理家长可以打印出来给孩子练习#家长收藏孩子受益 #学霸秘籍 #思维训练 #二年级 #知识点总结.pdf
10.00金币
0下载
二年级数学下册 必背公式大全寒假提前背一背开学更轻松#二年级 #二年级数学 #二年级数学下册 #寒假充电计划 #公式.pdf
10.00金币
0下载
蜗牛文库+ 关注
实名认证
内容提供者

提供各种专业文档内容

确认删除?
QQ
  • QQ点击这里给我发消息
微信客服
  • 微信客服
回到顶部