电脑桌面
添加蜗牛文库到电脑桌面
安装后可以在桌面快捷访问

GB 1886.170-2016 食品安全国家标准 食品添加剂 5′-鸟苷酸二钠.pdfVIP免费

GB 1886.170-2016 食品安全国家标准 食品添加剂 5′-鸟苷酸二钠.pdf_第1页
GB 1886.170-2016 食品安全国家标准 食品添加剂 5′-鸟苷酸二钠.pdf_第2页
GB 1886.170-2016 食品安全国家标准 食品添加剂 5′-鸟苷酸二钠.pdf_第3页
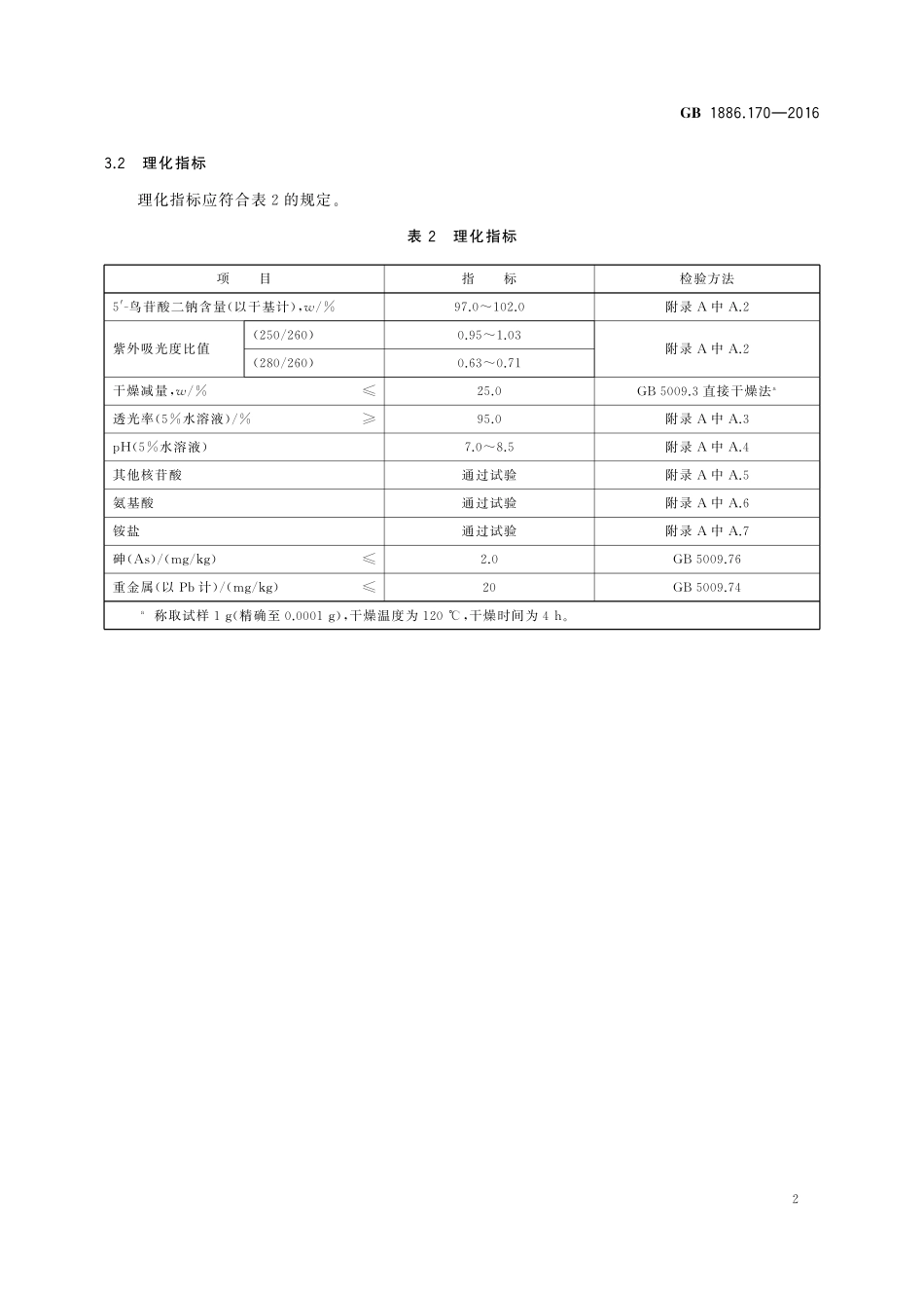
中华人民共和国国家标准GB1886.170—2016食品安全国家标准食品添加剂5'-鸟苷酸二钠2016-08-31发布2017-01-01实施中华人民共和国国家卫生和计划生育委员会发布GB1886.170—20161食品安全国家标准食品添加剂5'-鸟苷酸二钠1范围本标准适用于以淀粉、糖质为原料,经发酵法或酶解法制得的食品添加剂5'-鸟苷酸二钠。2化学名称、结构式、分子式和相对分子质量2.1化学名称5'-鸟苷酸二钠2.2结构式2.3分子式C10H12N5Na2O8P·nH2O2.4相对分子质量407.18(按2011年国际相对原子质量,以无水计)3技术要求3.1感官要求感官要求应符合表1的规定。表1感官要求项目要求检验方法色泽无色或白色状态结晶或结晶性粉末取适量试样置于清洁、干燥的白瓷盘中,在自然光线下,观察其色泽和状态GB1886.170—201623.2理化指标理化指标应符合表2的规定。表2理化指标项目指标检验方法5'-鸟苷酸二钠含量(以干基计),w/%97.0~102.0附录A中A.2紫外吸光度比值(250/260)0.95~1.03(280/260)0.63~0.71附录A中A.2干燥减量,w/%≤25.0GB5009.3直接干燥法a透光率(5%水溶液)/%≥95.0附录A中A.3pH(5%水溶液)7.0~8.5附录A中A.4其他核苷酸通过试验附录A中A.5氨基酸通过试验附录A中A.6铵盐通过试验附录A中A.7砷(As)/(mg/kg)≤2.0GB5009.76重金属(以Pb计)/(mg/kg)≤20GB5009.74a称取试样1g(精确至0.0001g),干燥温度为120℃,干燥时间为4h。GB1886.170—20163附录A检验方法A.1一般规定本标准所用试剂和水,在没有注明其他要求时,均指分析纯试剂和GB/T6682规定的三级水。试验中所用标准溶液、杂质测定用标准溶液、制剂及制品,在没有注明其他要求时,均按GB/T601、GB/T602和GB/T603的规定制备。试验中所用溶液在未注明用何种溶剂配制时,均指水溶液。A.25'-鸟苷酸二钠含量(以干基计)、紫外吸光度比值的测定A.2.1试剂和材料盐酸溶液:量取0.9mL盐酸,缓慢注入1000mL水中。A.2.2仪器和设备紫外分光光度计。A.2.3分析步骤A.2.3.1试样溶液的制备称取试样0.5g(精确至0.0001g),用适量盐酸溶液溶解并定容至1000mL,摇匀。吸取上述溶液10mL,用盐酸溶液稀释并定容至250mL,摇匀,作为试样溶液备用。A.2.3.2测定将试样溶液注入1cm石英比色皿中,以盐酸溶液作参比溶液,用紫外分光光度计在250nm、260nm、280nm处测定吸光度。A.2.4结果计算A.2.4.15'-鸟苷酸二钠含量(以干基计)的计算5'-鸟苷酸二钠含量(以干基计)的质量分数w1,按式(A.1)计算:w1=A289.8×250m×100100-w2×100%…………………………(A.1)式中:A———试样溶液在260nm处...

1、当您付费下载文档后,您只拥有了使用权限,并不意味着购买了版权,文档只能用于自身使用,不得用于其他商业用途(如 [转卖]进行直接盈利或[编辑后售卖]进行间接盈利)。
2、本站所有内容均由合作方或网友上传,本站不对文档的完整性、权威性及其观点立场正确性做任何保证或承诺!文档内容仅供研究参考,付费前请自行鉴别。
3、如文档内容存在违规,或者侵犯商业秘密、侵犯著作权等,请点击“违规举报”。

碎片内容

蜗牛文库的最新文档

二年级数学下册其中检测卷二年级数学下册其中检测卷附答案#期中测试卷.pdf
10.00金币
0下载
二年级数学下册期末质检卷(苏教版)二年级数学下册期末质检卷(苏教版)#期末复习 #期末测试卷 #二年级数学 #二年级数学下册#关注我持续更新小学知识.pdf
10.00金币
0下载
二年级数学下册期末混合运算专项练习二年级数学下册期末混合运算专项练习#二年级#二年级数学下册#关注我持续更新小学知识 #知识分享 #家长收藏孩子受益.pdf
10.00金币
1下载
二年级数学下册年月日三类周期问题解题方法二年级数学下册年月日三类周期问题解题方法#二年级#二年级数学下册#知识分享 #关注我持续更新小学知识 #家长收藏孩子受益.pdf
10.00金币
0下载
二年级数学下册解决问题专项训练二年级数学下册解决问题专项训练#专项训练#解决问题#二年级#二年级数学下册#知识分享.pdf
10.00金币
1下载
二年级数学下册还原问题二年级数学下册还原问题#二年级#二年级数学#关注我持续更新小学知识 #知识分享 #家长收藏孩子受益.pdf
10.00金币
1下载
二年级数学下册第六单元考试卷家长打印出来给孩子测试测试争取拿到高分!#小学二年级试卷分享 #二年级第六单考试数学 #第六单考试#二年级数学下册.pdf
10.00金币
0下载
二年级数学下册必背顺口溜口诀汇总二年级数学下册必背顺口溜口诀汇总#二年级#二年级数学下册 #知识分享 #家长收藏孩子受益 #关注我持续更新小学知识.pdf
10.00金币
0下载
二年级数学下册《重点难点思维题》两大问题解决技巧和方法巧算星期几解决周期问题还原问题强化思维训练老师精心整理家长可以打印出来给孩子练习#家长收藏孩子受益 #学霸秘籍 #思维训练 #二年级 #知识点总结.pdf
10.00金币
0下载
二年级数学下册 必背公式大全寒假提前背一背开学更轻松#二年级 #二年级数学 #二年级数学下册 #寒假充电计划 #公式.pdf
10.00金币
0下载
蜗牛文库+ 关注
实名认证
内容提供者

提供各种专业文档内容

确认删除?
QQ
  • QQ点击这里给我发消息
微信客服
  • 微信客服
回到顶部