电脑桌面
添加蜗牛文库到电脑桌面
安装后可以在桌面快捷访问

GB 9961-2001 鲜、冻胴体羊肉.pdfVIP免费

GB 9961-2001 鲜、冻胴体羊肉.pdf_第1页
GB 9961-2001 鲜、冻胴体羊肉.pdf_第2页
GB 9961-2001 鲜、冻胴体羊肉.pdf_第3页
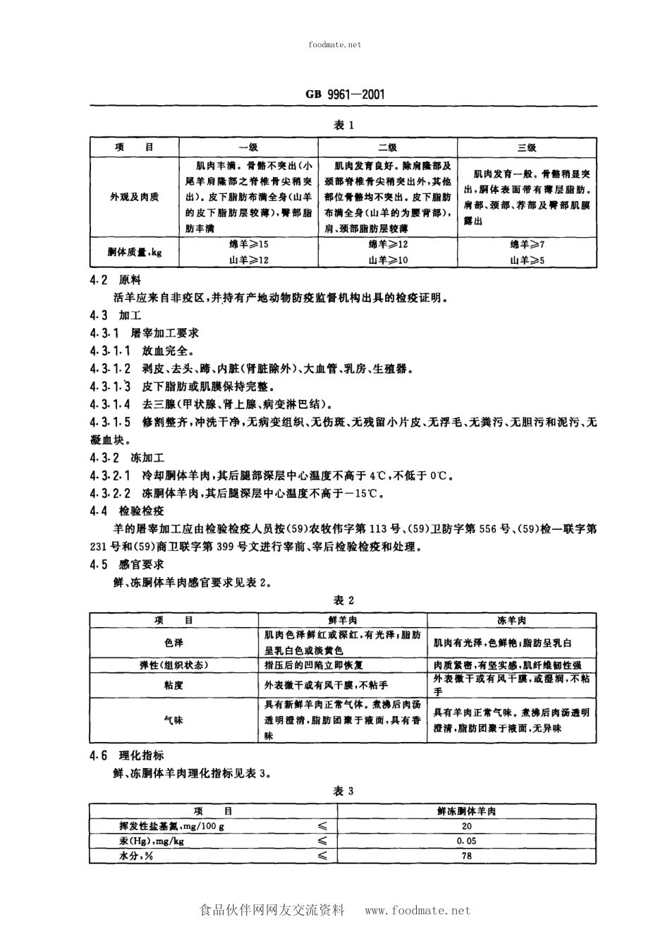
GB9961-2001前侣纷b本标准的4.5和4.6为强制性条文,其余为推荐性条文。本标准是对GB/T9961-1988《鲜、冻脆体羊肉》的修订。本次修订对理化指标作了两点修改,即产品的挥发性盐基氮指标,由原来的“簇15mg/100g”改为"<20mg/100g",并增加了一项水分限量指标.本标准自实施之日起,同时代替GB/T9961-1988,本标准由国家国内贸易局提出。本标准由国家国内贸易局消费品流通司归口。本标准起草单位:中国肉类食品综合研究中心。本标准主要起草人:李气清、薛元力。foodmate.net食品伙伴网网友交流资料www.foodmate.net中华人民共和国国家标准GB9961-2001鲜、冻桐体羊肉ftGB/T9961-1988Freshandfrozenmutton,wholecarcasses1范围本标准规定了鲜、冻胭体羊肉的定义、技术要求、检验方法、检验规则和标识、贮存、运输。本标准适用于活羊经屠宰加工、冷加工后的鲜、冻胭体羊肉。2引用标准下列标准所包含的条文,通过在本标准中引用而构成为本标准的条文。本标准出版时,所示版本均为有效。所有标准都会被修订,使用本标准的各方应探讨使用下列标准最新版本的可能性。GB2708-1994牛肉、羊肉、兔肉卫生标准GB/T5009.17-1996食品中总汞的测定方法GB/T5009.44-1996肉与肉制品卫生标准的分析方法GB16548-1996畜禽病害肉尸及其产品无害化处理规程GB18394-2001畜禽肉水分限量(59)农牧伟字第113号、(59)卫防字第556号、(59)检一联字第231号和(59)商卫联字第399号文《肉品卫生检验试行规程》3定义本标准采用下列定义。3.1胭体羊肉muttonwholecarcass活羊经屠宰放血后,去毛、头、蹄、尾和内脏的躯体。3.2鲜桐体羊肉freshmuttonwholecarcass未冷却的胭体羊肉。3.3冷却胭体羊肉。hilledmuttonwholecarcass经冷却,其后腿肌肉深层中心温度不高于4'C,不低于0C的炯体羊肉。3.4冻铜体羊肉frozenmuttonwholecarcass经冻结,其后腿肌肉深层中心温度不高于一15℃的胭体羊肉。4技术要求4.,产品品种、规格4.1.1鲜、冻洞体羊肉的品种有两种:绵羊肉和山羊肉。4.1.2鲜、冻胭体羊肉分为:一级、二级和三级。分级规格见表10中华人民共和国国家质.监督检验检疫总局2001一07-20批准2001-12-01实施foodmate.net食品伙伴网网友交流资料www.foodmate.netGB9961-2001表1一粉-%-jaAWOLO.WAIAUACAI-N-R,*SMA3}AT>12>7Lll}>10l}}>54.2原料活羊应来自非疫区,并持有产地动物防疫监督机构出具的检疫证明.4.3加工4.3.1屠宰加工要求4.3.1.1放血完全。4.3.1.2剥皮、去头、蹄、内脏(肾脏除...

1、当您付费下载文档后,您只拥有了使用权限,并不意味着购买了版权,文档只能用于自身使用,不得用于其他商业用途(如 [转卖]进行直接盈利或[编辑后售卖]进行间接盈利)。
2、本站所有内容均由合作方或网友上传,本站不对文档的完整性、权威性及其观点立场正确性做任何保证或承诺!文档内容仅供研究参考,付费前请自行鉴别。
3、如文档内容存在违规,或者侵犯商业秘密、侵犯著作权等,请点击“违规举报”。

碎片内容

蜗牛文库的最新文档

二年级数学下册其中检测卷二年级数学下册其中检测卷附答案#期中测试卷.pdf
10.00金币
0下载
二年级数学下册期末质检卷(苏教版)二年级数学下册期末质检卷(苏教版)#期末复习 #期末测试卷 #二年级数学 #二年级数学下册#关注我持续更新小学知识.pdf
10.00金币
0下载
二年级数学下册期末混合运算专项练习二年级数学下册期末混合运算专项练习#二年级#二年级数学下册#关注我持续更新小学知识 #知识分享 #家长收藏孩子受益.pdf
10.00金币
1下载
二年级数学下册年月日三类周期问题解题方法二年级数学下册年月日三类周期问题解题方法#二年级#二年级数学下册#知识分享 #关注我持续更新小学知识 #家长收藏孩子受益.pdf
10.00金币
0下载
二年级数学下册解决问题专项训练二年级数学下册解决问题专项训练#专项训练#解决问题#二年级#二年级数学下册#知识分享.pdf
10.00金币
1下载
二年级数学下册还原问题二年级数学下册还原问题#二年级#二年级数学#关注我持续更新小学知识 #知识分享 #家长收藏孩子受益.pdf
10.00金币
1下载
二年级数学下册第六单元考试卷家长打印出来给孩子测试测试争取拿到高分!#小学二年级试卷分享 #二年级第六单考试数学 #第六单考试#二年级数学下册.pdf
10.00金币
0下载
二年级数学下册必背顺口溜口诀汇总二年级数学下册必背顺口溜口诀汇总#二年级#二年级数学下册 #知识分享 #家长收藏孩子受益 #关注我持续更新小学知识.pdf
10.00金币
0下载
二年级数学下册《重点难点思维题》两大问题解决技巧和方法巧算星期几解决周期问题还原问题强化思维训练老师精心整理家长可以打印出来给孩子练习#家长收藏孩子受益 #学霸秘籍 #思维训练 #二年级 #知识点总结.pdf
10.00金币
0下载
二年级数学下册 必背公式大全寒假提前背一背开学更轻松#二年级 #二年级数学 #二年级数学下册 #寒假充电计划 #公式.pdf
10.00金币
0下载
蜗牛文库+ 关注
实名认证
内容提供者

提供各种专业文档内容

确认删除?
QQ
  • QQ点击这里给我发消息
微信客服
  • 微信客服
回到顶部