电脑桌面
添加蜗牛文库到电脑桌面
安装后可以在桌面快捷访问

QBT 1011-1991 单面涂布白纸板.pdfVIP免费

QBT 1011-1991 单面涂布白纸板.pdf_第1页
QBT 1011-1991 单面涂布白纸板.pdf_第2页
QBT 1011-1991 单面涂布白纸板.pdf_第3页
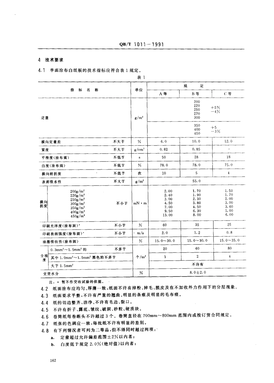
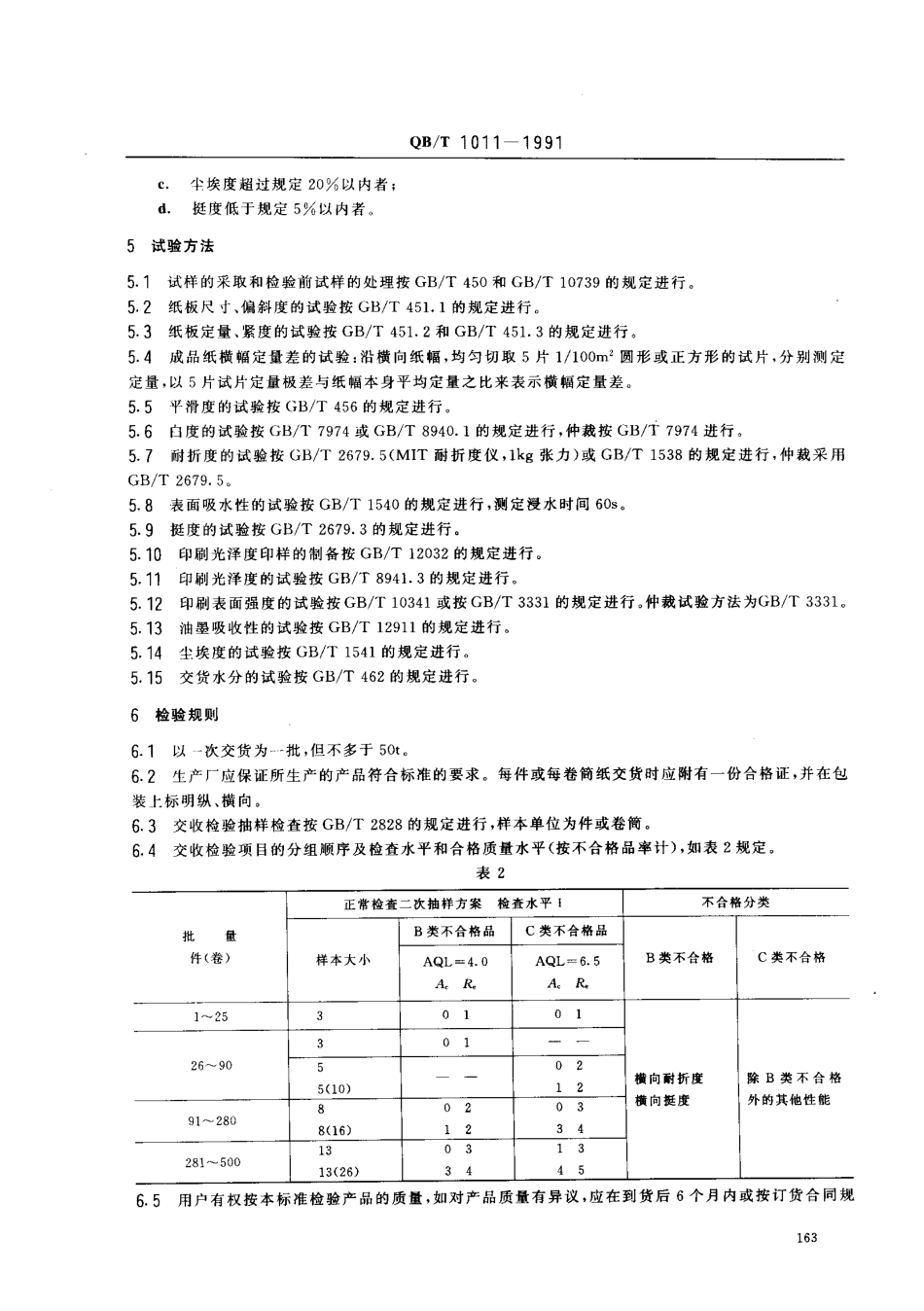
中华人民共和国轻工行业标准QB/T1011一1991单面涂布白纸板主题内容与适用范围本标准规定了单面涂布白纸板的技术规范。本标准适用于单面彩色印刷和制盒包装用的单面涂布白纸板。2引用标准GB/T45。纸和纸板试样的采取GB/T451,1纸和纸板尺寸及偏斜度的测定法GB/T451.2纸和纸板定量的测定法GB/T451.3纸和纸板厚度的测定法GB/T456纸和纸板平滑度的测定法(别克法)GB/T462纸和纸板水分的测定法GB/T1538纸板耐折度的测定法(肖伯尔式测定仪)GB/T1540纸和纸板吸水性的测定法(可勃法)GB/T1541纸和纸板尘埃度的测定法GB/T2679.3纸和纸板挺度的测定GB/T2679.5纸和纸板耐折度的测定(MIT耐折度仪法)GB/T2828逐批检查计数抽样程序及抽样表(适用于连续批的检查)GB/T3331纸及纸板印刷表面强度的测定方法GB/T7974纸及纸板白度测定法(漫射/垂直法)GB/T8940.1纸和纸板白度测定法45/。定向反射法GB/T8941.3纸和纸板镜面光泽度测定法750角测定法GB/T10341纸与纸板印刷表面强度的测定法(电动式)GB/T10342纸张的包装和标志GB/T10739纸浆、纸和纸板试样处理和试验的标准大气GB/T12032纸和纸板印刷光泽度印样的制备GB/T12911纸和纸板油墨吸收性的测定法3产品分类3.1单面涂布白纸板按质量水平分为A,B,C三等。3.2纸板底面颜色按订货合同规定。33单面涂布白纸板为平板纸,按订货合同的规定可为卷筒纸。3.4平板纸尺寸为787mmX1092mm,880mmX1230mm或按订货合同的规定。3.5平板纸尺寸允许偏差不许超过'_imm,偏斜度允许偏差不许超过3mm,卷筒纸幅宽按订货合同规定,卷筒纸幅宽尺寸偏差不许超过其mmo中华人民共和国轻工业部1991一03-30批准1991一12一01实施Qs/T1011一19914技米要求单面涂布白纸板的技术指标应符合表1规定表1规定指标名称单位士{魏衅﹂202025027030一粼4504门定量A等9/m"上;%横向定量差紧度平滑度(徐布面)白度(涂布面)横向耐折度表面吸水性不大于不大于不低于不低于不低于不大于9/cm10.012.00.8278.01875.0%一次9/m'55.07()006000CL么乙子氏‘7090308050300L七么乐屯氏巳040050训50朋么么去屯乳乐东20鲍/mZ2209/m'I.50ar719Fr2509/m'3009/m'不小于-N·m3509/m'4009/m'4508/m'印刷光泽度(涂布面)’印刷表面强度(涂布面)“油墨吸收性(涂布面)理不小十%m/s%15.0.30.015.0-30.0115.0-35.00.3mm'-1.5mm'的不多于管其中1.0m-'-1.Smm'黑色的不多于大于1.5.m'个/扣交货水分不许有8.0士2.0注:,暂不作交收试验的依据。4.2纸面涂布应均匀、厚薄一致,纸面不许有掉粉、掉毛、脱皮及...

1、当您付费下载文档后,您只拥有了使用权限,并不意味着购买了版权,文档只能用于自身使用,不得用于其他商业用途(如 [转卖]进行直接盈利或[编辑后售卖]进行间接盈利)。
2、本站所有内容均由合作方或网友上传,本站不对文档的完整性、权威性及其观点立场正确性做任何保证或承诺!文档内容仅供研究参考,付费前请自行鉴别。
3、如文档内容存在违规,或者侵犯商业秘密、侵犯著作权等,请点击“违规举报”。

碎片内容

蜗牛文库的最新文档

二年级数学下册其中检测卷二年级数学下册其中检测卷附答案#期中测试卷.pdf
10.00金币
0下载
二年级数学下册期末质检卷(苏教版)二年级数学下册期末质检卷(苏教版)#期末复习 #期末测试卷 #二年级数学 #二年级数学下册#关注我持续更新小学知识.pdf
10.00金币
0下载
二年级数学下册期末混合运算专项练习二年级数学下册期末混合运算专项练习#二年级#二年级数学下册#关注我持续更新小学知识 #知识分享 #家长收藏孩子受益.pdf
10.00金币
1下载
二年级数学下册年月日三类周期问题解题方法二年级数学下册年月日三类周期问题解题方法#二年级#二年级数学下册#知识分享 #关注我持续更新小学知识 #家长收藏孩子受益.pdf
10.00金币
0下载
二年级数学下册解决问题专项训练二年级数学下册解决问题专项训练#专项训练#解决问题#二年级#二年级数学下册#知识分享.pdf
10.00金币
1下载
二年级数学下册还原问题二年级数学下册还原问题#二年级#二年级数学#关注我持续更新小学知识 #知识分享 #家长收藏孩子受益.pdf
10.00金币
1下载
二年级数学下册第六单元考试卷家长打印出来给孩子测试测试争取拿到高分!#小学二年级试卷分享 #二年级第六单考试数学 #第六单考试#二年级数学下册.pdf
10.00金币
0下载
二年级数学下册必背顺口溜口诀汇总二年级数学下册必背顺口溜口诀汇总#二年级#二年级数学下册 #知识分享 #家长收藏孩子受益 #关注我持续更新小学知识.pdf
10.00金币
0下载
二年级数学下册《重点难点思维题》两大问题解决技巧和方法巧算星期几解决周期问题还原问题强化思维训练老师精心整理家长可以打印出来给孩子练习#家长收藏孩子受益 #学霸秘籍 #思维训练 #二年级 #知识点总结.pdf
10.00金币
0下载
二年级数学下册 必背公式大全寒假提前背一背开学更轻松#二年级 #二年级数学 #二年级数学下册 #寒假充电计划 #公式.pdf
10.00金币
0下载
蜗牛文库+ 关注
实名认证
内容提供者

提供各种专业文档内容

确认删除?
QQ
  • QQ点击这里给我发消息
微信客服
  • 微信客服
回到顶部