电脑桌面
添加蜗牛文库到电脑桌面
安装后可以在桌面快捷访问

蓄电池核对性放电试验作业指导书.docVIP免费

蓄电池核对性放电试验作业指导书.doc_第1页
蓄电池核对性放电试验作业指导书.doc_第2页
蓄电池核对性放电试验作业指导书.doc_第3页
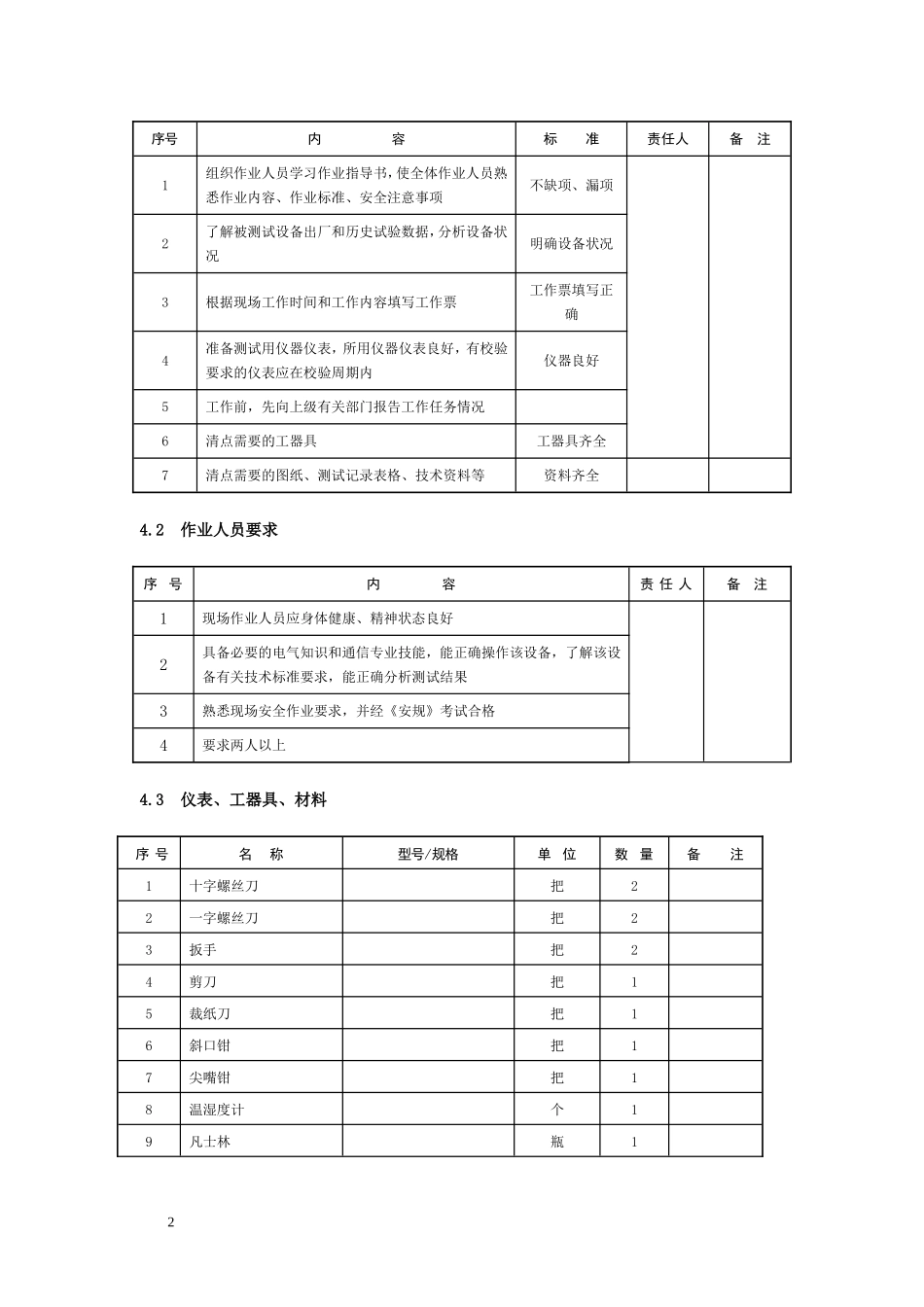
目次1总则22范围23术语和定义23.1阀控式密封铅酸蓄电池23.2完全充电23.3恒流充电23.4均衡充电23.5浮充电23.6核对性放电24作业准备34.1准备工作安排34.2作业人员要求34.3仪表、工器具、材料34.4资料44.5危险点分析及安全控制措施44.6人员作业分工55工作程序55.1作业流程图55.2作业程序55.2.1蓄电池放电前的检查工作55.2.2放电仪线缆连接55.2.3放电仪参数设置65.2.4蓄电池放电75.2.5蓄电池放电结束75.2.6蓄电池充电75.2.7蓄电池内阻测试75.2.8蓄电池激活86核对性放电试验注意事项86.1蓄电池容量计算86.2其他87相关性文件98符号含义99附录10通信蓄电池核对性放电试验作业指导书1总则为规范通信-48V蓄电池组管理,及时准确掌握蓄电池容量及性能,提高设备管理水平,保证蓄电池稳定运行,特编制该作业指导书。2范围……3术语和定义3.1阀控式密封铅酸蓄电池阀控式密封铅酸蓄电池正常使用时保持气密和液密状态,当内部气压超过预定值时,安全阀自动打开释放气体。当内部气压降低时,安全阀自动闭合密封,防止外部空气进入电池内部。阀控式密封铅酸蓄电池在使用寿命期间,正常使用情况下无需补加电解液。3.2完全充电按照生产厂家推荐的充电方法对蓄电池进行充电,蓄电池内部的储电容量达到最大值时,即为完全充电状态。3.3恒流充电在充电电压范围内,充电电流维持在恒定值的充电。3.4均衡充电为补偿蓄电池在使用过程中产生的电压不均衡现象,使其恢复到规定范围内而进行的充电。3.5浮充电在充电装置的直流输出端始终并接着蓄电池组和负载,以恒压充电方式工作。正常运行时充电装置在承担经常性负荷的同时向电池组补充充电,以补偿电池组的自放电,使电池组以满容量状态处于备用。3.6核对性放电为检验正常运行中的蓄电池组容量,将蓄电池组脱离运行,以规定的放电电流进行恒流放电,只要其中一节电池放到了规定的终止电压,应停止放电。蓄电池组的实际容量按6.1.2条计算。4作业准备4.1准备工作安排1序号内容标准责任人备注1组织作业人员学习作业指导书,使全体作业人员熟悉作业内容、作业标准、安全注意事项不缺项、漏项2了解被测试设备出厂和历史试验数据,分析设备状况明确设备状况3根据现场工作时间和工作内容填写工作票工作票填写正确4准备测试用仪器仪表,所用仪器仪表良好,有校验要求的仪表应在校验周期内仪器良好5工作前,先向上级有关部门报告工作任务情况6清点需要的工器具工器具齐全7清点需要的图纸、测试记录表格、技术资料等资料齐全4.2作业人...

1、当您付费下载文档后,您只拥有了使用权限,并不意味着购买了版权,文档只能用于自身使用,不得用于其他商业用途(如 [转卖]进行直接盈利或[编辑后售卖]进行间接盈利)。
2、本站所有内容均由合作方或网友上传,本站不对文档的完整性、权威性及其观点立场正确性做任何保证或承诺!文档内容仅供研究参考,付费前请自行鉴别。
3、如文档内容存在违规,或者侵犯商业秘密、侵犯著作权等,请点击“违规举报”。

碎片内容

蜗牛文库的最新文档

二年级数学下册其中检测卷二年级数学下册其中检测卷附答案#期中测试卷.pdf
10.00金币
0下载
二年级数学下册期末质检卷(苏教版)二年级数学下册期末质检卷(苏教版)#期末复习 #期末测试卷 #二年级数学 #二年级数学下册#关注我持续更新小学知识.pdf
10.00金币
0下载
二年级数学下册期末混合运算专项练习二年级数学下册期末混合运算专项练习#二年级#二年级数学下册#关注我持续更新小学知识 #知识分享 #家长收藏孩子受益.pdf
10.00金币
1下载
二年级数学下册年月日三类周期问题解题方法二年级数学下册年月日三类周期问题解题方法#二年级#二年级数学下册#知识分享 #关注我持续更新小学知识 #家长收藏孩子受益.pdf
10.00金币
0下载
二年级数学下册解决问题专项训练二年级数学下册解决问题专项训练#专项训练#解决问题#二年级#二年级数学下册#知识分享.pdf
10.00金币
1下载
二年级数学下册还原问题二年级数学下册还原问题#二年级#二年级数学#关注我持续更新小学知识 #知识分享 #家长收藏孩子受益.pdf
10.00金币
1下载
二年级数学下册第六单元考试卷家长打印出来给孩子测试测试争取拿到高分!#小学二年级试卷分享 #二年级第六单考试数学 #第六单考试#二年级数学下册.pdf
10.00金币
0下载
二年级数学下册必背顺口溜口诀汇总二年级数学下册必背顺口溜口诀汇总#二年级#二年级数学下册 #知识分享 #家长收藏孩子受益 #关注我持续更新小学知识.pdf
10.00金币
0下载
二年级数学下册《重点难点思维题》两大问题解决技巧和方法巧算星期几解决周期问题还原问题强化思维训练老师精心整理家长可以打印出来给孩子练习#家长收藏孩子受益 #学霸秘籍 #思维训练 #二年级 #知识点总结.pdf
10.00金币
0下载
二年级数学下册 必背公式大全寒假提前背一背开学更轻松#二年级 #二年级数学 #二年级数学下册 #寒假充电计划 #公式.pdf
10.00金币
0下载
蜗牛文库+ 关注
实名认证
内容提供者

提供各种专业文档内容

确认删除?
QQ
  • QQ点击这里给我发消息
微信客服
  • 微信客服
回到顶部