电脑桌面
添加蜗牛文库到电脑桌面
安装后可以在桌面快捷访问

杭州爱德医院有限公司.docVIP免费

杭州爱德医院有限公司.doc_第1页
杭州爱德医院有限公司.doc_第2页
杭州爱德医院有限公司.doc_第3页
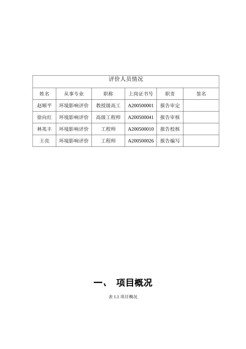
杭州爱德医院有限公司DSA等医用辐射装置建设项目辐射环境影响报告简本环评单位:国家环境保护总局辐射环境监测技术中心2009年11月24日评价人员情况姓名从事专业职称上岗证书号职责签名赵顺平环境影响评价教授级高工A200500001报告审定徐向红环境影响评价高级工程师A200500041报告审核林兆丰环境影响评价工程师A200500010报告校核王亮环境影响评价工程师A200500026报告编写一、项目概况表1.1项目概况单位名称杭州爱德医院有限公司地址杭州市下城区东新路杭锅新村13幢2单元602室法人代表江上电话——联系人马志军联系电话13588067921项目名称DSA等医用辐射装置建设项目项目地点杭州市东新路509号爱德医院医技楼内应用类型密封源非密封放射性物质射线装置其他//√(Ⅱ类、Ⅲ类)/表1.2应用类型明细—射线装置情况序号设备名称型号主要技术指标类别数量(台)位置备注1DSAINFOX8000F125kV/1000mAⅡ1医院医技楼四楼已安装2十六排CTAQUILION150kV/550mAⅢ13数字胃肠X光机MAX-800RF125kV/500mA14DRNEUSTAR120kV/100mA15移动骨科C臂SXT-1000A125kV/10mA1医院医技楼五楼6移动X光机1ME-100L120kV/100mA1——7DSAINFOX8000F125KV/1000mAⅡ3医院医技楼四楼拟购8CTAQUILION150KV/550mAⅢ1图2杭州爱德医院总平面布置图东新路7F医院副楼11F医院医技楼长兴公寓10F杭州市档案局停车场入口1F放射科机房39m31m46m长兴公寓15m5m杭州爱德医院2m杭州市爱德医院医技楼N图1杭州爱德医院地理位置示意图医院副楼杭州市档案馆下城交警大队长兴公寓长兴公寓二、污染因素分析及环保执行情况污染因素分析(正常工况和事故工况)正常工况:DSA及普通X光机在对病人进行照相的工况下,X射线经透射、反射,对作业场所及周围环境产生辐射影响。事故工况:(1)射线装置a.工作人员或病人家属在防护门关闭后尚未撤离辐照室,X射线装置运行可能产生误照射。b.安全装置发生故障状况下,人员误入正在运行的X射线装置辐照室。因此,医务人员必须严格按照X射线装置操作程序进行诊断,防止事故照射的发生,避免工作人员和公众接受不必要的辐射照射。工作人员每次上班时首先要检查防护门上的灯光警示装置是否正常。如果失灵,应立即修理,恢复正常。已采取的污染防治措施:①已购置的各射线装置所在机房的防护能力均能满足辐射环境保护的要求。②机房内未堆放与诊断工作无关的杂物。③医院DSA机房已安装了铅屏风。④各机房已设置了新风管道,实现了机房内空间的流通。须完善的污染防治措施:①各...

1、当您付费下载文档后,您只拥有了使用权限,并不意味着购买了版权,文档只能用于自身使用,不得用于其他商业用途(如 [转卖]进行直接盈利或[编辑后售卖]进行间接盈利)。
2、本站所有内容均由合作方或网友上传,本站不对文档的完整性、权威性及其观点立场正确性做任何保证或承诺!文档内容仅供研究参考,付费前请自行鉴别。
3、如文档内容存在违规,或者侵犯商业秘密、侵犯著作权等,请点击“违规举报”。

碎片内容

蜗牛文库的最新文档

二年级数学下册其中检测卷二年级数学下册其中检测卷附答案#期中测试卷.pdf
10.00金币
0下载
二年级数学下册期末质检卷(苏教版)二年级数学下册期末质检卷(苏教版)#期末复习 #期末测试卷 #二年级数学 #二年级数学下册#关注我持续更新小学知识.pdf
10.00金币
0下载
二年级数学下册期末混合运算专项练习二年级数学下册期末混合运算专项练习#二年级#二年级数学下册#关注我持续更新小学知识 #知识分享 #家长收藏孩子受益.pdf
10.00金币
1下载
二年级数学下册年月日三类周期问题解题方法二年级数学下册年月日三类周期问题解题方法#二年级#二年级数学下册#知识分享 #关注我持续更新小学知识 #家长收藏孩子受益.pdf
10.00金币
0下载
二年级数学下册解决问题专项训练二年级数学下册解决问题专项训练#专项训练#解决问题#二年级#二年级数学下册#知识分享.pdf
10.00金币
1下载
二年级数学下册还原问题二年级数学下册还原问题#二年级#二年级数学#关注我持续更新小学知识 #知识分享 #家长收藏孩子受益.pdf
10.00金币
1下载
二年级数学下册第六单元考试卷家长打印出来给孩子测试测试争取拿到高分!#小学二年级试卷分享 #二年级第六单考试数学 #第六单考试#二年级数学下册.pdf
10.00金币
0下载
二年级数学下册必背顺口溜口诀汇总二年级数学下册必背顺口溜口诀汇总#二年级#二年级数学下册 #知识分享 #家长收藏孩子受益 #关注我持续更新小学知识.pdf
10.00金币
0下载
二年级数学下册《重点难点思维题》两大问题解决技巧和方法巧算星期几解决周期问题还原问题强化思维训练老师精心整理家长可以打印出来给孩子练习#家长收藏孩子受益 #学霸秘籍 #思维训练 #二年级 #知识点总结.pdf
10.00金币
0下载
二年级数学下册 必背公式大全寒假提前背一背开学更轻松#二年级 #二年级数学 #二年级数学下册 #寒假充电计划 #公式.pdf
10.00金币
0下载
蜗牛文库+ 关注
实名认证
内容提供者

提供各种专业文档内容

确认删除?
QQ
  • QQ点击这里给我发消息
微信客服
  • 微信客服
回到顶部