电脑桌面
添加蜗牛文库到电脑桌面
安装后可以在桌面快捷访问

2023年建筑行业接地与防雷安全技术交底.docxVIP免费

2023年建筑行业接地与防雷安全技术交底.docx_第1页
2023年建筑行业接地与防雷安全技术交底.docx_第2页
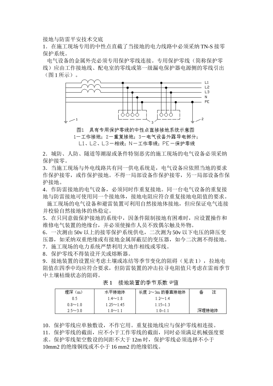
接地与防雷平安技术交底1.在施工现场专用的中性点直截了当接地的电力线路中必须采纳TN-S接零保护系统。电气设备的金属外壳必须专用保护零线连接。专用保护零线(简称保护零线)应由工作接地线、配电室的零线或第一级漏电保护器电源侧的零线引出(图1所示)。2.城防、人防、隧道等潮湿或条件特别恶劣的施工现场的电气设备必须采纳保护接零。3.当施工现场与外电线路共有同一供电系统是,电气设备应依照当地的要求作保护接零,或作保护接地。不得一局部设备作保护接零,另一局部设备作保护接地。4.作防雷接地的电气设备,必须同时作重复接地。同一台电气设备的重复接地与防雷接地可使用同一个接地体,接地电阻应符合重复接地电阻值的要求。施工现场的电气设备和避雷装置可利用自然接地体接地,但应保证电气连接并校验自然接地体的热稳定。5.在只同意做保护接地的系统中,因条件限制接地有困难时,应设置操作和维修电气装置的绝缘台,并必须使操作人员不致偶尔触及外物。6.一次测由50v以上的接零保护系统供电,二次测为50v以下电压的降压变压器,如采纳双重绝缘或有接地金属屏蔽层的变压器,如今二次测不得接地。7.施工现场的电力系统严禁利用大地作相线或零线。8.保护零线不得装设开关或熔断器。9.接地装置的设置应考虑土壤或冻结等季节变化的阻碍(见表1),拉地电阻值在四季中均应符合要求,但防雷装置的冲击拉寻电阻值只考虑在雷雨季节中土壤枯燥状态的阻碍。10.保护零线应单独敷设,不作它用。重复接地线应与保护零线相连接。11.保护零线的截面,应不小于工作零线的截面,同时必须满足机械强度要求。保护零线架空敷设的间距不大于12m时,保护零线必须选择不小于10mm2的绝缘铜线或不小于16mm2的绝缘铝线。12.与电气设备相连接的保护零应为截面不小于2.5mm2的绝缘多股铜线。保护零线的统一标志为绿/黄双色线。在任何情况下不准使用绿/黄双色线作负荷线。

1、当您付费下载文档后,您只拥有了使用权限,并不意味着购买了版权,文档只能用于自身使用,不得用于其他商业用途(如 [转卖]进行直接盈利或[编辑后售卖]进行间接盈利)。
2、本站所有内容均由合作方或网友上传,本站不对文档的完整性、权威性及其观点立场正确性做任何保证或承诺!文档内容仅供研究参考,付费前请自行鉴别。
3、如文档内容存在违规,或者侵犯商业秘密、侵犯著作权等,请点击“违规举报”。

碎片内容

蜗牛文库的最新文档

二年级数学下册其中检测卷二年级数学下册其中检测卷附答案#期中测试卷.pdf
10.00金币
0下载
二年级数学下册期末质检卷(苏教版)二年级数学下册期末质检卷(苏教版)#期末复习 #期末测试卷 #二年级数学 #二年级数学下册#关注我持续更新小学知识.pdf
10.00金币
0下载
二年级数学下册期末混合运算专项练习二年级数学下册期末混合运算专项练习#二年级#二年级数学下册#关注我持续更新小学知识 #知识分享 #家长收藏孩子受益.pdf
10.00金币
1下载
二年级数学下册年月日三类周期问题解题方法二年级数学下册年月日三类周期问题解题方法#二年级#二年级数学下册#知识分享 #关注我持续更新小学知识 #家长收藏孩子受益.pdf
10.00金币
0下载
二年级数学下册解决问题专项训练二年级数学下册解决问题专项训练#专项训练#解决问题#二年级#二年级数学下册#知识分享.pdf
10.00金币
1下载
二年级数学下册还原问题二年级数学下册还原问题#二年级#二年级数学#关注我持续更新小学知识 #知识分享 #家长收藏孩子受益.pdf
10.00金币
1下载
二年级数学下册第六单元考试卷家长打印出来给孩子测试测试争取拿到高分!#小学二年级试卷分享 #二年级第六单考试数学 #第六单考试#二年级数学下册.pdf
10.00金币
0下载
二年级数学下册必背顺口溜口诀汇总二年级数学下册必背顺口溜口诀汇总#二年级#二年级数学下册 #知识分享 #家长收藏孩子受益 #关注我持续更新小学知识.pdf
10.00金币
0下载
二年级数学下册《重点难点思维题》两大问题解决技巧和方法巧算星期几解决周期问题还原问题强化思维训练老师精心整理家长可以打印出来给孩子练习#家长收藏孩子受益 #学霸秘籍 #思维训练 #二年级 #知识点总结.pdf
10.00金币
0下载
二年级数学下册 必背公式大全寒假提前背一背开学更轻松#二年级 #二年级数学 #二年级数学下册 #寒假充电计划 #公式.pdf
10.00金币
0下载
蜗牛文库+ 关注
实名认证
内容提供者

提供各种专业文档内容

确认删除?
QQ
  • QQ点击这里给我发消息
微信客服
  • 微信客服
回到顶部