电脑桌面
添加蜗牛文库到电脑桌面
安装后可以在桌面快捷访问

GB∕T 6080.1-2010 机用锯条 第1部分:型式和尺寸.pdfVIP免费

GB∕T 6080.1-2010 机用锯条 第1部分:型式和尺寸.pdf_第1页
GB∕T 6080.1-2010 机用锯条 第1部分:型式和尺寸.pdf_第2页
GB∕T 6080.1-2010 机用锯条 第1部分:型式和尺寸.pdf_第3页
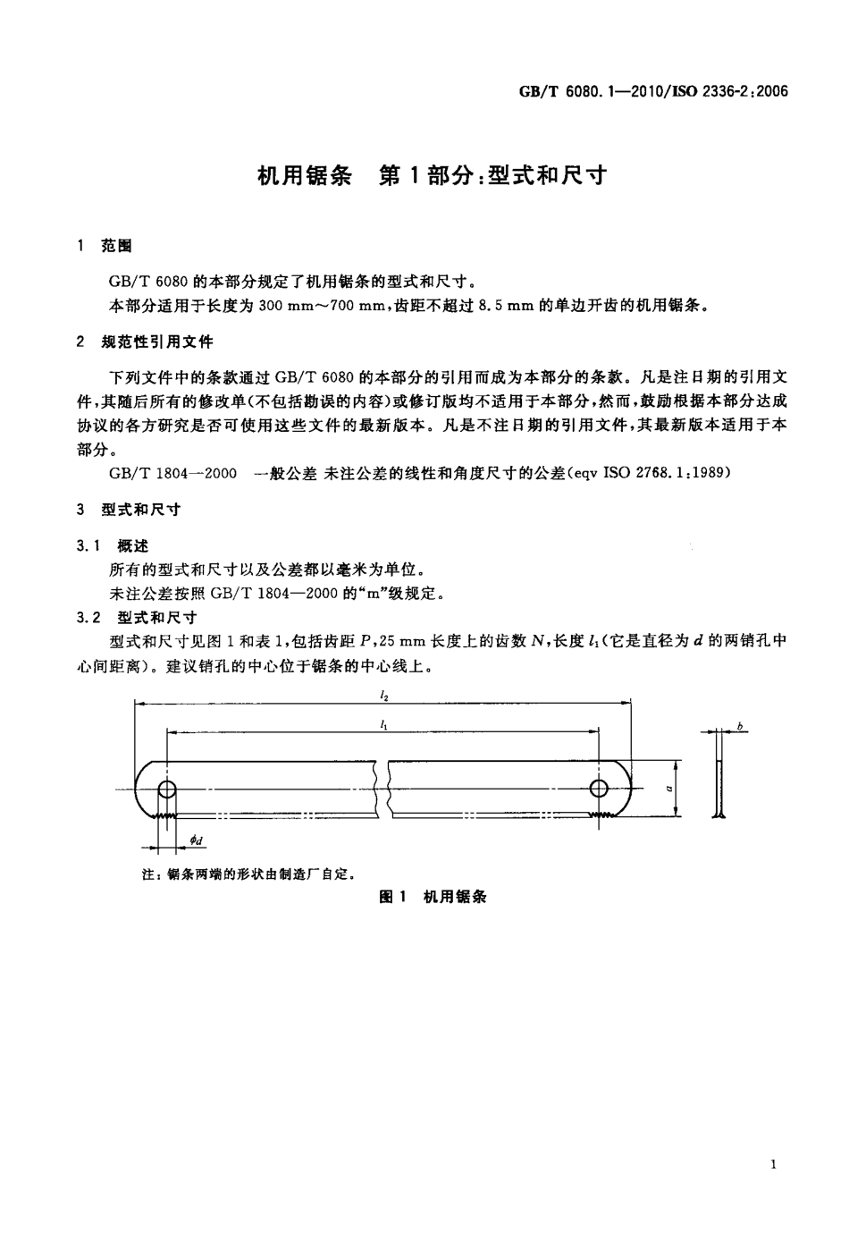
ICS25.100.40J41a雪中华人民共和国国家标准GB/T6080.1m201O/ISO2336-2:2006代替GB/T6080.1—1998机用锯条第1部分:型式和尺寸Machinehacksawblades--Part1:Typesanddimensions2010-12-23发布(ISO2336—2:2006,Hacksawblades—Part2:Dimensionsformachineblades,IDT)2011-07-01实施丰瞀髅紫瓣警糌瞥翼发布中国国家标准化管理委员会促111刖胃GB/T6080.1—2010/]SO2336-2:2006GB/T6080(机用锯条》分为两个部分:——第1部分:型式和尺寸;——第2部分:技术条件。本部分为GB/T6080的第1部分。本部分等同采用ISO2336—2:2006(锯条第2部分:机用锯条的尺寸》(英文版)。本部分与ISO2336—2:2006相比主要变化如下:——删除了国际标准前言;——规范性引用文件中的国际标准改为对应的国家标准。本部分代替GB/T6080.1一1998《机用锯条第1部分:型式与尺寸》。本部分与GB/T6080.11998相比主要变化如下:——删除了目次;——删除了国际标准前言;——“本标准”改为“本部分”;——增加了规范性引用文件;——图1中的字母标注按照ISO2336—2:2006重新标注;——按照ISO2336—2:2006重新制订“表1机用锯条的型式和尺寸”;——将标记示例中的“锯条齿距P,mm,齿距后可在括号内补充每25mm的齿数N”改为“25mm长度上的齿数N”;——标记示例表示方法作了修改。本部分由中国机械工业联合会提出。本部分由全国刀具标准化技术委员会(sAc/Tc91)归口。本部分起草单位:成都工具研究所。本部分主要起草人:曾宇环、沈士昌。本部分所代替标准的历次版本发布情况为:——GB6080—1985,GB/T6080.11998。1范围GB/T6080.1—2010/LSO2336-2:2006机用锯条第1部分:型式和尺寸GB/T6080的本部分规定了机用锯条的型式和尺寸。本部分适用于长度为300mm~700mm,齿距不超过8.5mm的单边开齿的机用锯条。2规范性引用文件下列文件中的条款通过GB/T6080的本部分的引用而成为本部分的条款。凡是注日期的引用文件,其随后所有的修改单(不包括勘误的内容)或修订版均不适用于本部分,然而,鼓励根据本部分达成协议的各方研究是否可使用这些文件的最新版本。凡是不注日期的引用文件,其最新版本适用于本部分。GB/T1804--2000一般公差未注公差的线性和角度尺寸的公差(eqvISO2768.1:1989)3型式和尺寸3.1概述所有的型式和尺寸以及公差都以毫米为单位。未注公差按照GB/T1804--2000的“m”级规定。3.2型式和尺寸型式和尺寸见图1和表1,包括齿距P...

1、当您付费下载文档后,您只拥有了使用权限,并不意味着购买了版权,文档只能用于自身使用,不得用于其他商业用途(如 [转卖]进行直接盈利或[编辑后售卖]进行间接盈利)。
2、本站所有内容均由合作方或网友上传,本站不对文档的完整性、权威性及其观点立场正确性做任何保证或承诺!文档内容仅供研究参考,付费前请自行鉴别。
3、如文档内容存在违规,或者侵犯商业秘密、侵犯著作权等,请点击“违规举报”。

碎片内容

蜗牛文库的最新文档

二年级数学下册其中检测卷二年级数学下册其中检测卷附答案#期中测试卷.pdf
10.00金币
0下载
二年级数学下册期末质检卷(苏教版)二年级数学下册期末质检卷(苏教版)#期末复习 #期末测试卷 #二年级数学 #二年级数学下册#关注我持续更新小学知识.pdf
10.00金币
0下载
二年级数学下册期末混合运算专项练习二年级数学下册期末混合运算专项练习#二年级#二年级数学下册#关注我持续更新小学知识 #知识分享 #家长收藏孩子受益.pdf
10.00金币
1下载
二年级数学下册年月日三类周期问题解题方法二年级数学下册年月日三类周期问题解题方法#二年级#二年级数学下册#知识分享 #关注我持续更新小学知识 #家长收藏孩子受益.pdf
10.00金币
0下载
二年级数学下册解决问题专项训练二年级数学下册解决问题专项训练#专项训练#解决问题#二年级#二年级数学下册#知识分享.pdf
10.00金币
1下载
二年级数学下册还原问题二年级数学下册还原问题#二年级#二年级数学#关注我持续更新小学知识 #知识分享 #家长收藏孩子受益.pdf
10.00金币
1下载
二年级数学下册第六单元考试卷家长打印出来给孩子测试测试争取拿到高分!#小学二年级试卷分享 #二年级第六单考试数学 #第六单考试#二年级数学下册.pdf
10.00金币
0下载
二年级数学下册必背顺口溜口诀汇总二年级数学下册必背顺口溜口诀汇总#二年级#二年级数学下册 #知识分享 #家长收藏孩子受益 #关注我持续更新小学知识.pdf
10.00金币
0下载
二年级数学下册《重点难点思维题》两大问题解决技巧和方法巧算星期几解决周期问题还原问题强化思维训练老师精心整理家长可以打印出来给孩子练习#家长收藏孩子受益 #学霸秘籍 #思维训练 #二年级 #知识点总结.pdf
10.00金币
0下载
二年级数学下册 必背公式大全寒假提前背一背开学更轻松#二年级 #二年级数学 #二年级数学下册 #寒假充电计划 #公式.pdf
10.00金币
0下载
蜗牛文库+ 关注
实名认证
内容提供者

提供各种专业文档内容

确认删除?
QQ
  • QQ点击这里给我发消息
微信客服
  • 微信客服
回到顶部