电脑桌面
添加蜗牛文库到电脑桌面
安装后可以在桌面快捷访问

GB∕T 22929-2008 皮革毛皮衣物洗染规范.pdfVIP免费

GB∕T 22929-2008 皮革毛皮衣物洗染规范.pdf_第1页
GB∕T 22929-2008 皮革毛皮衣物洗染规范.pdf_第2页
GB∕T 22929-2008 皮革毛皮衣物洗染规范.pdf_第3页
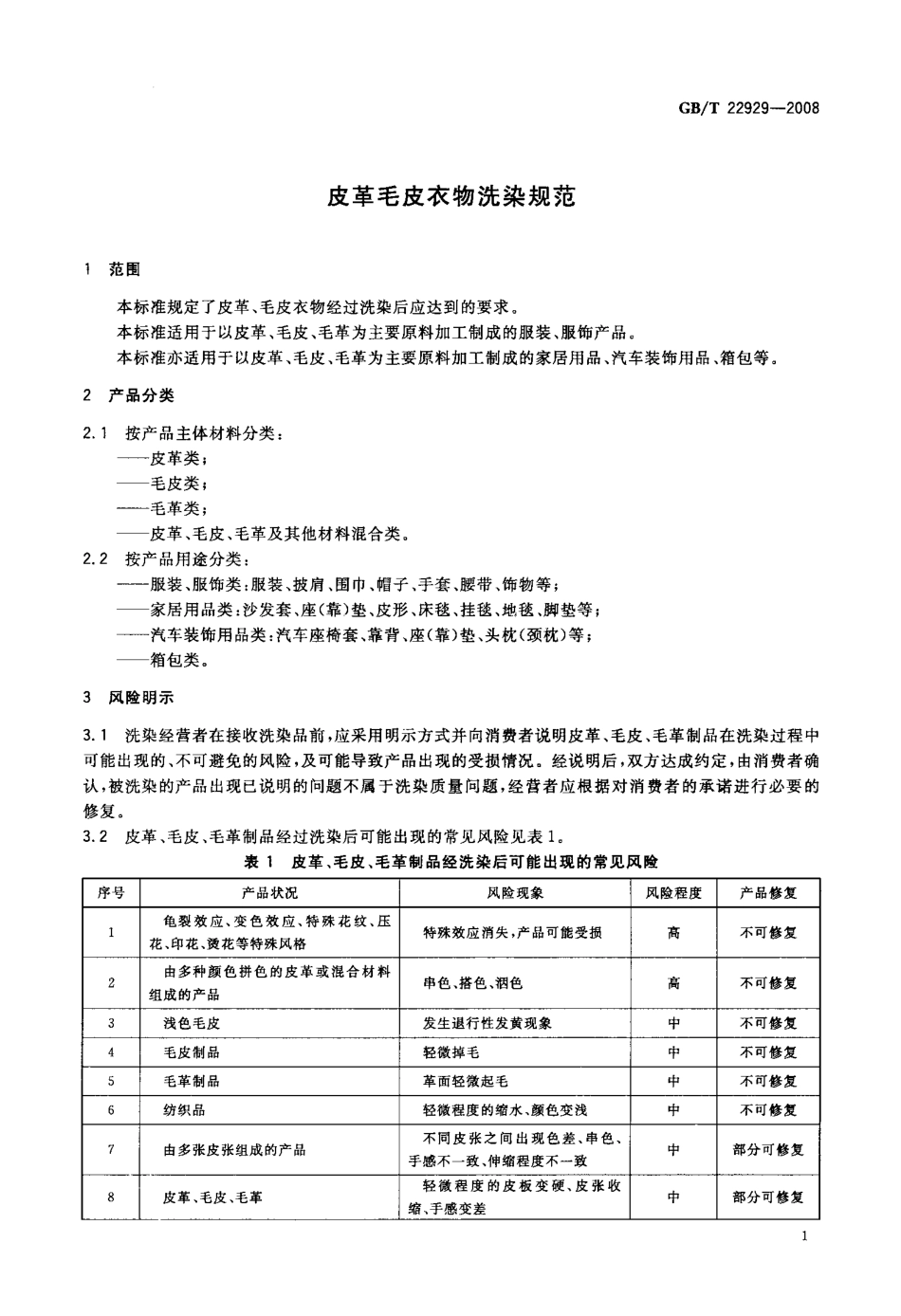
ICS59.140.30Y46园雪中华人民共和国国家标准GB/T22929--2008皮革毛皮衣物洗染规范Specificationofwashingforleathergoodsandfurgoods2008—12—30发布2009—09—01实施宰瞀鹊紫瓣警糌瞥星发布中国国家标准化管理委员会“”。刖置GB/T22929--2008本标准由中国轻工业联合会提出。本标准由全国皮革工业标准化技术委员会(SAC/TC252)归口。本标准起草单位:国家皮革质量监督检验中心(浙江)、北京福奈特洗衣服务有限公司、海宁市三星皮业有限公司、桐乡市恒源皮革有限公司、中国皮革和制革工业研究院。本标准主要起草人:吴京淼、朱广忠、俞立峰、崔亚平、林芳、张亚红。皮革毛皮衣物洗染规范GB/T22929--2008t范围本标准规定了皮革、毛皮衣物经过洗染后应达到的要求。本标准适用于以皮革、毛皮、毛革为主要原料加工制成的服装、服饰产品。本标准亦适用于以皮革、毛皮、毛革为主要原料加工制成的家居用品、汽车装饰用品、箱包等。2产品分类2.1按产品主体材料分类:——皮革类;——毛皮类;——毛革类;——皮革、毛皮、毛革及其他材料混合类。2.2按产品用途分类:——服装、服饰类:服装、披肩、围巾、帽子、手套、腰带、饰物等;——家居用品类:沙发套、座(靠)垫、皮形、床毯、挂毯、地毯、脚垫等;——汽车装饰用品类:汽车座椅套、靠背、座(靠)垫、头枕(颈枕)等;——箱包类。3风险明示3.1洗染经营者在接收洗染品前,应采用明示方式并向消费者说明皮革、毛皮、毛革制品在洗染过程中可能出现的、不可避免的风险,及可能导致产品出现的受损情况。经说明后,双方达成约定,由消费者确认,被洗染的产品出现已说明的问题不属于洗染质量问题,经营者应根据对消费者的承诺进行必要的修复。3.2皮革、毛皮、毛革制品经过洗染后可能出现的常见风险见表1。表1皮革、毛皮、毛革制品经洗染后可能出现的常见风险序号产品状况风险现象风险程度产品修复龟裂效应、变色效应、特殊花纹、压1特殊效应消失,产品可能受损高不可修复花、印花、烫花等特殊风格由多种颜色拼色的皮革或混合材料2串色、搭色、掴色高不可修复组成的产品3浅色毛皮发生退行性发黄现象中不可修复4毛皮制品轻微掉毛审不可修复S毛革制品革面轻微起毛出不可修复6纺织品轻微程度的缩水、颜色变浅中不可修复不同皮张之间出现色差、串色、7由多张皮张组成的产品中部分可修复手感不一致、伸缩程度不一致轻微程度的皮板变硬、皮张收8皮革、毛皮、毛革中部分可修复缩、手感变差GB/T22929--2008表1...

1、当您付费下载文档后,您只拥有了使用权限,并不意味着购买了版权,文档只能用于自身使用,不得用于其他商业用途(如 [转卖]进行直接盈利或[编辑后售卖]进行间接盈利)。
2、本站所有内容均由合作方或网友上传,本站不对文档的完整性、权威性及其观点立场正确性做任何保证或承诺!文档内容仅供研究参考,付费前请自行鉴别。
3、如文档内容存在违规,或者侵犯商业秘密、侵犯著作权等,请点击“违规举报”。

碎片内容

蜗牛文库的最新文档

二年级数学下册其中检测卷二年级数学下册其中检测卷附答案#期中测试卷.pdf
10.00金币
0下载
二年级数学下册期末质检卷(苏教版)二年级数学下册期末质检卷(苏教版)#期末复习 #期末测试卷 #二年级数学 #二年级数学下册#关注我持续更新小学知识.pdf
10.00金币
0下载
二年级数学下册期末混合运算专项练习二年级数学下册期末混合运算专项练习#二年级#二年级数学下册#关注我持续更新小学知识 #知识分享 #家长收藏孩子受益.pdf
10.00金币
1下载
二年级数学下册年月日三类周期问题解题方法二年级数学下册年月日三类周期问题解题方法#二年级#二年级数学下册#知识分享 #关注我持续更新小学知识 #家长收藏孩子受益.pdf
10.00金币
0下载
二年级数学下册解决问题专项训练二年级数学下册解决问题专项训练#专项训练#解决问题#二年级#二年级数学下册#知识分享.pdf
10.00金币
1下载
二年级数学下册还原问题二年级数学下册还原问题#二年级#二年级数学#关注我持续更新小学知识 #知识分享 #家长收藏孩子受益.pdf
10.00金币
1下载
二年级数学下册第六单元考试卷家长打印出来给孩子测试测试争取拿到高分!#小学二年级试卷分享 #二年级第六单考试数学 #第六单考试#二年级数学下册.pdf
10.00金币
0下载
二年级数学下册必背顺口溜口诀汇总二年级数学下册必背顺口溜口诀汇总#二年级#二年级数学下册 #知识分享 #家长收藏孩子受益 #关注我持续更新小学知识.pdf
10.00金币
0下载
二年级数学下册《重点难点思维题》两大问题解决技巧和方法巧算星期几解决周期问题还原问题强化思维训练老师精心整理家长可以打印出来给孩子练习#家长收藏孩子受益 #学霸秘籍 #思维训练 #二年级 #知识点总结.pdf
10.00金币
0下载
二年级数学下册 必背公式大全寒假提前背一背开学更轻松#二年级 #二年级数学 #二年级数学下册 #寒假充电计划 #公式.pdf
10.00金币
0下载
蜗牛文库+ 关注
实名认证
内容提供者

提供各种专业文档内容

确认删除?
QQ
  • QQ点击这里给我发消息
微信客服
  • 微信客服
回到顶部