电脑桌面
添加蜗牛文库到电脑桌面
安装后可以在桌面快捷访问

GB 18585-2001 室内装饰装修材料 壁纸中有害物质限量.PDFVIP免费

GB 18585-2001 室内装饰装修材料 壁纸中有害物质限量.PDF_第1页
GB 18585-2001 室内装饰装修材料 壁纸中有害物质限量.PDF_第2页
GB 18585-2001 室内装饰装修材料 壁纸中有害物质限量.PDF_第3页
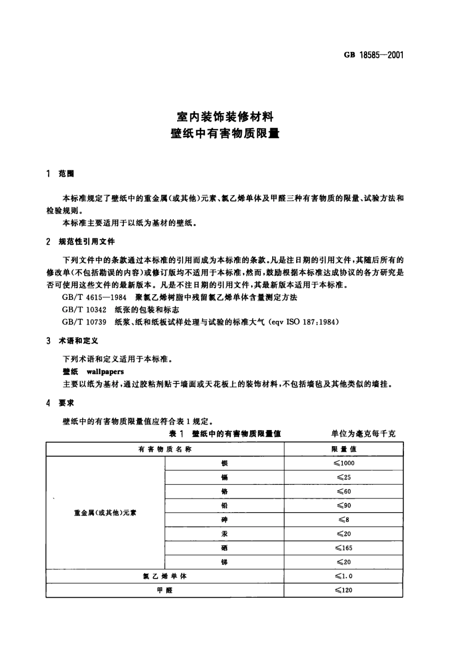
ICS85.080一一‘33肠日中华人民共。和国国家标准Gs18585-2001室内装饰装修材料壁纸中有害物质限量Indoordecoratingandrefurbishingmaterials-Limitofharmfulsubstancesofwallpapers2001一12一10发布2002一01一01实施雷嘉}矗赢瓤M发布www.bzfxw.comGs18585-2001前健全J本标准的第4章为强制性条救,其余为推荐性条款。本标准中的试验方法非等效采用欧洲标准EN12149:1997《卷筒壁纸—重金属元素及其他某些元素、抓乙烯单体迁移量和甲醛释放量的测定》。本标准中的技术指标非等效采用欧洲标准EN233:1999《卷筒壁纸—成品壁纸、乙烯壁纸和塑料壁纸的规范》。自2002年1月1日起,生产企业生产的产品应执行本国家标准,过渡期6个月;自2002年7月1日起,市场上停止销售不符合本国家标准的产品。本标准由中国轻工业联合会提出。本标准由全国造纸工业标准化技术委员会归口。本标准负责起草单位:中国制浆造纸研究院、广东省造纸研究所。本标准参加起草单位:江苏爱舍墙纸有限公司、广东江门裕华墙纸有限公司。本标准主要起草人:吕永松、李兰芬、马学速、陈洋。本标准为首次发布。本标准委托全国造纸工业标准化技术委员会负责解释.www.bzfxw.comGB18585-2001室内装饰装修材料壁纸中有害物质限A1范围本标准规定了壁纸中的重金属(或其他)元素、抓乙烯单体及甲醛三种有害物质的限量、试验方法和检验规则。本标准主要适用于以纸为基材的壁纸。2规范性引用文件下列文件中的条款通过本标准的引用而成为本标准的条款。凡是注日期的引用文件,其随后所有的修改单(不包括勘误的内容)或修订版均不适用于本标准,然而,鼓励根据本标准达成协议的各方研究是否可使用这些文件的最新版本。凡是不注日期的引用文件,其最新版本适用于本标准。GB/T4615-1984聚抓乙烯树脂中残留抓乙烯单体含量测定方法GB/T10342纸张的包装和标志GB/T10739纸浆、纸和纸板试样处理与试验的标准大气(eqvISO187:1984)3术语和定义下列术语和定义适用于本标准。壁纸wallpapers主要以纸为基材,通过胶粘剂贴于墙面或天花板上的装饰材料,不包括墙毡及其他类似的墙挂。4要求壁纸中的有害物质限量值应符合表1规定。表1盛纸中的有容物质限.值单位为毫克每千克一}}I}c}}}}nl}aZ4JVL4E分www.bzfxw.comGB18585-20015试样的采取、制备和预处理5.1以同一品种、同一配方、同一工艺的壁纸为一批,每批量不多于5000m'.5.2以批为单位进行随机抽样,每批至少抽取5卷壁纸,并保持非聚氯乙烯塑料薄膜的密封包装...

1、当您付费下载文档后,您只拥有了使用权限,并不意味着购买了版权,文档只能用于自身使用,不得用于其他商业用途(如 [转卖]进行直接盈利或[编辑后售卖]进行间接盈利)。
2、本站所有内容均由合作方或网友上传,本站不对文档的完整性、权威性及其观点立场正确性做任何保证或承诺!文档内容仅供研究参考,付费前请自行鉴别。
3、如文档内容存在违规,或者侵犯商业秘密、侵犯著作权等,请点击“违规举报”。

碎片内容

蜗牛文库的最新文档

二年级数学下册其中检测卷二年级数学下册其中检测卷附答案#期中测试卷.pdf
10.00金币
0下载
二年级数学下册期末质检卷(苏教版)二年级数学下册期末质检卷(苏教版)#期末复习 #期末测试卷 #二年级数学 #二年级数学下册#关注我持续更新小学知识.pdf
10.00金币
0下载
二年级数学下册期末混合运算专项练习二年级数学下册期末混合运算专项练习#二年级#二年级数学下册#关注我持续更新小学知识 #知识分享 #家长收藏孩子受益.pdf
10.00金币
1下载
二年级数学下册年月日三类周期问题解题方法二年级数学下册年月日三类周期问题解题方法#二年级#二年级数学下册#知识分享 #关注我持续更新小学知识 #家长收藏孩子受益.pdf
10.00金币
0下载
二年级数学下册解决问题专项训练二年级数学下册解决问题专项训练#专项训练#解决问题#二年级#二年级数学下册#知识分享.pdf
10.00金币
1下载
二年级数学下册还原问题二年级数学下册还原问题#二年级#二年级数学#关注我持续更新小学知识 #知识分享 #家长收藏孩子受益.pdf
10.00金币
1下载
二年级数学下册第六单元考试卷家长打印出来给孩子测试测试争取拿到高分!#小学二年级试卷分享 #二年级第六单考试数学 #第六单考试#二年级数学下册.pdf
10.00金币
0下载
二年级数学下册必背顺口溜口诀汇总二年级数学下册必背顺口溜口诀汇总#二年级#二年级数学下册 #知识分享 #家长收藏孩子受益 #关注我持续更新小学知识.pdf
10.00金币
0下载
二年级数学下册《重点难点思维题》两大问题解决技巧和方法巧算星期几解决周期问题还原问题强化思维训练老师精心整理家长可以打印出来给孩子练习#家长收藏孩子受益 #学霸秘籍 #思维训练 #二年级 #知识点总结.pdf
10.00金币
0下载
二年级数学下册 必背公式大全寒假提前背一背开学更轻松#二年级 #二年级数学 #二年级数学下册 #寒假充电计划 #公式.pdf
10.00金币
0下载
蜗牛文库+ 关注
实名认证
内容提供者

提供各种专业文档内容

确认删除?
QQ
  • QQ点击这里给我发消息
微信客服
  • 微信客服
回到顶部