电脑桌面
添加蜗牛文库到电脑桌面
安装后可以在桌面快捷访问

GB 17167-2006 用能单位能源计量器具配备和管理通则.pdfVIP免费

GB 17167-2006 用能单位能源计量器具配备和管理通则.pdf_第1页
GB 17167-2006 用能单位能源计量器具配备和管理通则.pdf_第2页
GB 17167-2006 用能单位能源计量器具配备和管理通则.pdf_第3页
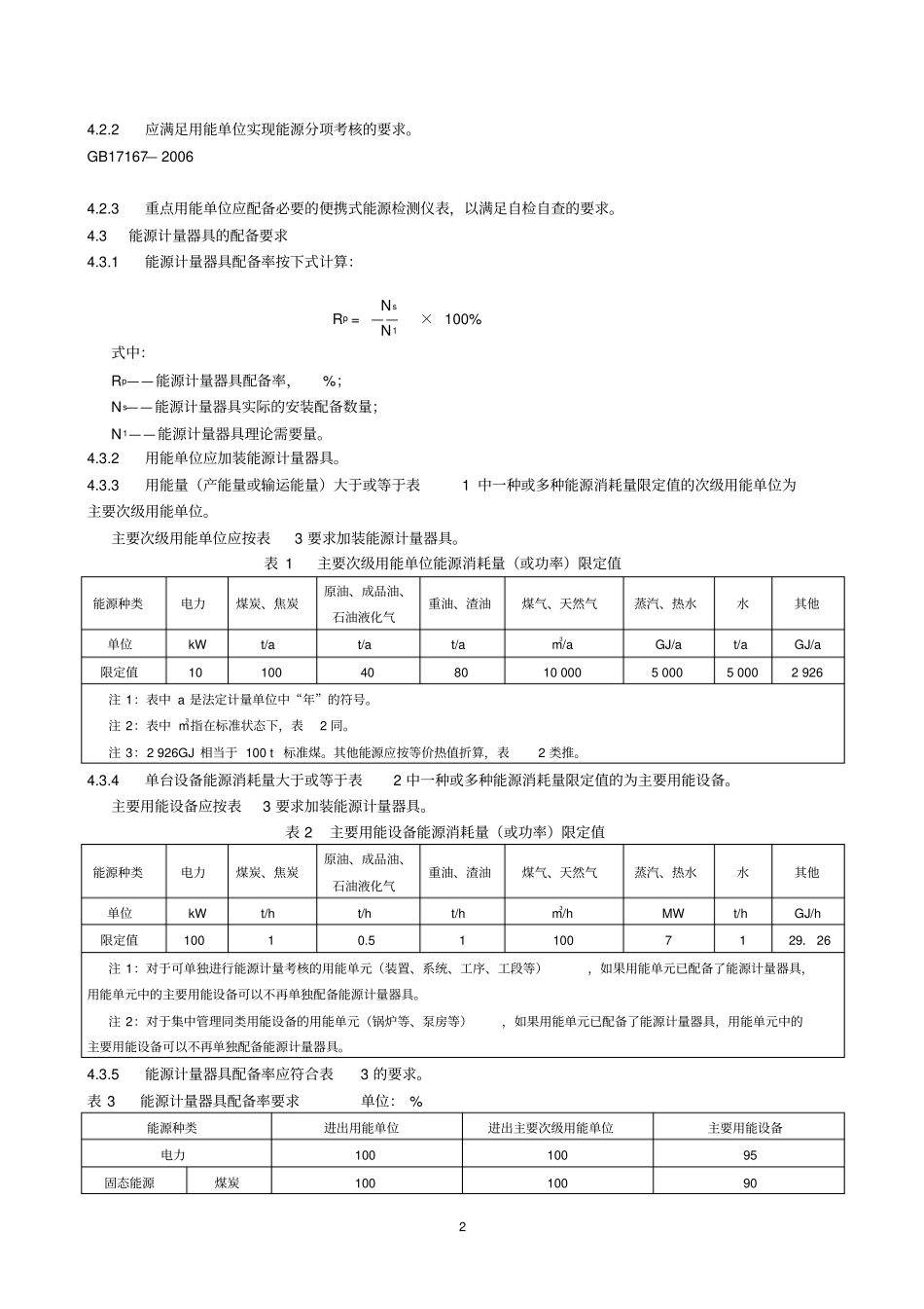
1GB/17167—2006用能单位能源计量器具配备和管理通则1范围本标准规定了用能单位能源计量器具配备和管理的基本要求。本标准适用于企业、事业单位、行政机关、社会团体等独立核算的用能单位。2规范性引用文件下列文件中的条款通过本标准的引用而成为本标准的条款。凡是注日期的引用文件,其随后所有的修改单(不包括勘误的内容)或修订版均不适用于本标准,然而,鼓励根据本标准达成协议的各方研究是否可使用这些文件的最新版本,凡是不注日期的引用文件,其最新版本适用于标准。GB/T6422企业能耗计量与测试导则GB/15316节能监测技术通则GB/18603—2001天然气计量系统技术要求。3术语和定义本标准采用下列术语和定义。3.1能源计量器具measuringinstrumentofenergy测量对象为一次能源、二次能源和载能工质的计量器具。3.2能源计量器具配备率equippingrateofenergymeasuringinstrument能源计量器具实际的安装配备数量占理论需要量的百分数注:能源计量器具理论需要量是指为测量全部能源量值所需配备的计量器具数量。3.3次级用能单位sub-organizationofenergyusing用能单位下属的能源核算单位。4能源计量器具配备4.1能源计量的种类及范围本标准所称能源,指煤炭、原油、天然气、焦炭、煤气、热力、成品油、液化石油气、生物质能和其他直接或者通过加工、转换而取得有用能的各种资源。能源计量范围:a)输入用能单位、次级用能单位和用能设备的能源及载能工质;b)输出用能单位、次及用能单位和用能设备的能源及载能工质;c)用能单位、次级用能单位和用能设备使用(消耗)的能源及载能工质;d)用能单位、次级用能单位和用能设备自产的能源及载能工质;e)用能单位、次级用能单位和用能设备可回收利用的余能资源。4.2能源计量器具的配备原则4.2.1应满足能源分类计量的要求。24.2.2应满足用能单位实现能源分项考核的要求。GB17167—20064.2.3重点用能单位应配备必要的便携式能源检测仪表,以满足自检自查的要求。4.3能源计量器具的配备要求4.3.1能源计量器具配备率按下式计算:NsRp=——×100%N1式中:Rp——能源计量器具配备率,%;Ns——能源计量器具实际的安装配备数量;N1——能源计量器具理论需要量。4.3.2用能单位应加装能源计量器具。4.3.3用能量(产能量或输运能量)大于或等于表1中一种或多种能源消耗量限定值的次级用能单位为主要次级用能单位。主要次级用能单位应按表3要求加装能源计量器具。表1主要次级用能单位能源消耗量(或功率)限定值能源种...

1、当您付费下载文档后,您只拥有了使用权限,并不意味着购买了版权,文档只能用于自身使用,不得用于其他商业用途(如 [转卖]进行直接盈利或[编辑后售卖]进行间接盈利)。
2、本站所有内容均由合作方或网友上传,本站不对文档的完整性、权威性及其观点立场正确性做任何保证或承诺!文档内容仅供研究参考,付费前请自行鉴别。
3、如文档内容存在违规,或者侵犯商业秘密、侵犯著作权等,请点击“违规举报”。

碎片内容

蜗牛文库的最新文档

二年级数学下册其中检测卷二年级数学下册其中检测卷附答案#期中测试卷.pdf
10.00金币
0下载
二年级数学下册期末质检卷(苏教版)二年级数学下册期末质检卷(苏教版)#期末复习 #期末测试卷 #二年级数学 #二年级数学下册#关注我持续更新小学知识.pdf
10.00金币
0下载
二年级数学下册期末混合运算专项练习二年级数学下册期末混合运算专项练习#二年级#二年级数学下册#关注我持续更新小学知识 #知识分享 #家长收藏孩子受益.pdf
10.00金币
1下载
二年级数学下册年月日三类周期问题解题方法二年级数学下册年月日三类周期问题解题方法#二年级#二年级数学下册#知识分享 #关注我持续更新小学知识 #家长收藏孩子受益.pdf
10.00金币
0下载
二年级数学下册解决问题专项训练二年级数学下册解决问题专项训练#专项训练#解决问题#二年级#二年级数学下册#知识分享.pdf
10.00金币
1下载
二年级数学下册还原问题二年级数学下册还原问题#二年级#二年级数学#关注我持续更新小学知识 #知识分享 #家长收藏孩子受益.pdf
10.00金币
1下载
二年级数学下册第六单元考试卷家长打印出来给孩子测试测试争取拿到高分!#小学二年级试卷分享 #二年级第六单考试数学 #第六单考试#二年级数学下册.pdf
10.00金币
0下载
二年级数学下册必背顺口溜口诀汇总二年级数学下册必背顺口溜口诀汇总#二年级#二年级数学下册 #知识分享 #家长收藏孩子受益 #关注我持续更新小学知识.pdf
10.00金币
0下载
二年级数学下册《重点难点思维题》两大问题解决技巧和方法巧算星期几解决周期问题还原问题强化思维训练老师精心整理家长可以打印出来给孩子练习#家长收藏孩子受益 #学霸秘籍 #思维训练 #二年级 #知识点总结.pdf
10.00金币
0下载
二年级数学下册 必背公式大全寒假提前背一背开学更轻松#二年级 #二年级数学 #二年级数学下册 #寒假充电计划 #公式.pdf
10.00金币
0下载
蜗牛文库+ 关注
实名认证
内容提供者

提供各种专业文档内容

确认删除?
QQ
  • QQ点击这里给我发消息
微信客服
  • 微信客服
回到顶部