电脑桌面
添加蜗牛文库到电脑桌面
安装后可以在桌面快捷访问

《市场监管总局关于特种设备行政许可有关事项的公告》(国家市场监督管理总局公告2021年第41号).pdfVIP免费

《市场监管总局关于特种设备行政许可有关事项的公告》(国家市场监督管理总局公告2021年第41号).pdf_第1页
《市场监管总局关于特种设备行政许可有关事项的公告》(国家市场监督管理总局公告2021年第41号).pdf_第2页
《市场监管总局关于特种设备行政许可有关事项的公告》(国家市场监督管理总局公告2021年第41号).pdf_第3页
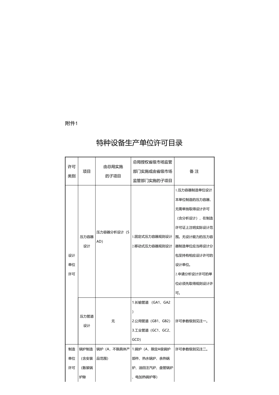
标题:市场监管总局关于特种设备行政许可有关事项的公告索引号:2021-1638414249656主题分类:公示公告文号:2021年第41号所属机构:特种设备安全监察局成文日期:2021年11月30日发布日期:2021年12月02日国家市场监督管理总局公告2021年第41号市场监管总局关于特种设备行政许可有关事项的公告为深入贯彻落实国务院“放管服”改革要求,加强特种设备安全监管,经广泛征求意见,市场监管总局对《市场监管总局关于特种设备行政许可有关事项的公告》(2019年第3号)中的《特种设备生产单位许可目录》《特种设备作业人员资格认定分类与项目》《特种设备检验检测人员资格认定项目》进行了修订和调整,同时,新制定了《特种设备检验、检测机构核准项目》,现一并予以公告。以上目录和项目自2022年6月1日起实施,市场监管总局2019年第3号公告同时废止。附件:1.特种设备生产单位许可目录2.特种设备作业人员资格认定分类与项目3.特种设备检验检测人员资格认定项目4.特种设备检验、检测机构核准项目市场监管总局2021年11月30日附件1特种设备生产单位许可目录许可类别项目由总局实施的子项目总局授权省级市场监管部门实施或由省级市场监管部门实施的子项目备注设计单位许可压力容器设计压力容器分析设计(SAD)1.固定式压力容器规则设计2.移动式压力容器规则设计1.压力容器制造单位设计本单位制造的压力容器,无需单独取得设计许可(含分析设计),在制造许可证上注明实际设计范围。无设计能力的压力容器制造单位应当将设计分包至持有相应设计许可的设计单位。2.申请分析设计许可的单位必须先取得规则设计许可。压力管道设计无1.长输管道(GA1、GA2)2.公用管道(GB1、GB2)3.工业管道(GC1、GC2、GCD)许可参数级别见注一。制造单位许可锅炉制造(含安装(散装锅炉除锅炉(A,不限具体产品范围)1.锅炉(A,限定A级锅炉部件、热水锅炉、余热锅炉、油田注汽炉、盘管锅炉、电加热锅炉等)许可参数级别见注二。外)、修理、改造)2.锅炉(B)压力容器制造(含安装、修理、改造)1.固定式压力容器(1)大型高压容器(A1)(2)超高压容器(A6)2.移动式压力容器铁路罐车(C1)3.氧舱(A5)4.气瓶特种气瓶(纤维缠绕气瓶(B3))1.固定式压力容器(1)其他高压容器(A2)(2)球罐(A3)(3)非金属压力容器(A4)(4)中、低压容器(D)2.移动式压力容器(1)汽车罐车、罐式集装箱(C2)(2)长管拖车、管束式集装箱(C3)3.气瓶(1)无缝气瓶(B1)(2)焊接气...

1、当您付费下载文档后,您只拥有了使用权限,并不意味着购买了版权,文档只能用于自身使用,不得用于其他商业用途(如 [转卖]进行直接盈利或[编辑后售卖]进行间接盈利)。
2、本站所有内容均由合作方或网友上传,本站不对文档的完整性、权威性及其观点立场正确性做任何保证或承诺!文档内容仅供研究参考,付费前请自行鉴别。
3、如文档内容存在违规,或者侵犯商业秘密、侵犯著作权等,请点击“违规举报”。

碎片内容

蜗牛文库的最新文档

二年级数学下册其中检测卷二年级数学下册其中检测卷附答案#期中测试卷.pdf
10.00金币
0下载
二年级数学下册期末质检卷(苏教版)二年级数学下册期末质检卷(苏教版)#期末复习 #期末测试卷 #二年级数学 #二年级数学下册#关注我持续更新小学知识.pdf
10.00金币
0下载
二年级数学下册期末混合运算专项练习二年级数学下册期末混合运算专项练习#二年级#二年级数学下册#关注我持续更新小学知识 #知识分享 #家长收藏孩子受益.pdf
10.00金币
1下载
二年级数学下册年月日三类周期问题解题方法二年级数学下册年月日三类周期问题解题方法#二年级#二年级数学下册#知识分享 #关注我持续更新小学知识 #家长收藏孩子受益.pdf
10.00金币
0下载
二年级数学下册解决问题专项训练二年级数学下册解决问题专项训练#专项训练#解决问题#二年级#二年级数学下册#知识分享.pdf
10.00金币
1下载
二年级数学下册还原问题二年级数学下册还原问题#二年级#二年级数学#关注我持续更新小学知识 #知识分享 #家长收藏孩子受益.pdf
10.00金币
1下载
二年级数学下册第六单元考试卷家长打印出来给孩子测试测试争取拿到高分!#小学二年级试卷分享 #二年级第六单考试数学 #第六单考试#二年级数学下册.pdf
10.00金币
0下载
二年级数学下册必背顺口溜口诀汇总二年级数学下册必背顺口溜口诀汇总#二年级#二年级数学下册 #知识分享 #家长收藏孩子受益 #关注我持续更新小学知识.pdf
10.00金币
0下载
二年级数学下册《重点难点思维题》两大问题解决技巧和方法巧算星期几解决周期问题还原问题强化思维训练老师精心整理家长可以打印出来给孩子练习#家长收藏孩子受益 #学霸秘籍 #思维训练 #二年级 #知识点总结.pdf
10.00金币
0下载
二年级数学下册 必背公式大全寒假提前背一背开学更轻松#二年级 #二年级数学 #二年级数学下册 #寒假充电计划 #公式.pdf
10.00金币
0下载
蜗牛文库+ 关注
实名认证
内容提供者

提供各种专业文档内容

确认删除?
QQ
  • QQ点击这里给我发消息
微信客服
  • 微信客服
回到顶部