电脑桌面
添加蜗牛文库到电脑桌面
安装后可以在桌面快捷访问

8冲剪压床作业安全检查表.xlsVIP免费

8冲剪压床作业安全检查表.xls_第1页
8冲剪压床作业安全检查表.xls_第2页
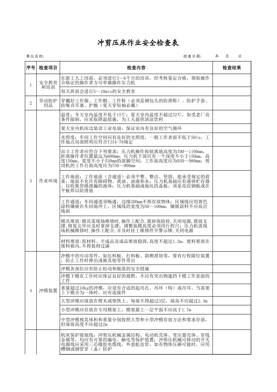
冲剪压床作业安全检查表单位名称:检查日期:年月日序号检查项目检查内容检查结果123作业环境夏天室内机床边装设工业电扇,保证室内有良好的空气循环4冲模装置冲模各部位应有防止松动和脱落的安全措施安全教育和培训在新工人上岗前,必须进行3~6个月的培训,经考核鉴定合格,领取操作合格证的操作者方可单独操作压力机每天班前会进行5~10min的安全教育劳动防护用品穿戴好工作服、工作帽、工作鞋(必须是钢包头的防滑鞋)、防护手套、防噪音耳塞、护腕(夏天穿短袖必戴)温度:冬天室内温度不低于15℃;夏天室内温度不超过32℃,如受老厂房条件限制,应采取降温措施,为工人提供清凉饮料光照度:车间工作空间应有良好的光照度,一般工作者面不低于50lx;工作地点局部照明应符合TJ34-79规定站立工作者应符合下列要求:压力机操作按钮离地高度为700~1100mm,距离操作者位置最远为600mm;压力机下部应有一个深度不小于150mm,高度150mm,宽度不小于530mm的放脚空间;工作面高度应为930~980mm;剪切机的工作台面高度应为750~900mm工作地面:工作地面(含通道)必须平整、整洁、坚固,能承受规定的荷重;地面不允许有障碍物、黄油、油液和水;压力机基础应有液体贮存器,以收集管路泄漏的液体;压力机基础或地坑的盖板,须是花纹钢板或在平板焊以防滑筋工作通道:车间通道须畅通,边缘200mm不得存放物体;区域线应用黄色涂料镶嵌在车间地坪上,区域线的宽度为50~100mm,镶嵌涂料不应高出地面模具堆放:模具需现场维修时,操作工配合,拨掉保险栓,关闭电源,摆放支撑,修复完毕应及时拿掉支撑;调整装模高度必须用行程尺;压力机需现场机械维修时,操作工配合,并及时挂上维修停开警示牌,关闭电源材料堆放:原材料、半成品及成品堆放稳固,高度不超过1.2m;废料要放在废料箱内,不得装得过满冲模中的可动零件,如压料板、打料板、斜楔滑块等,要有行程限位装置,防止工作时弹出或被其他零件带出冲模下模在工作时应保证良好的视野,不应有突出物遮挡下模工作表面的工件重量超过10kg的冲模,应设有合适的起吊孔、吊环(钩)或吊耳。当需要上下模合为一体时,应有连接件大型冲模应垛放在楞木或垫铁上,每垛不得超过3层,垛高不应超过2.3m小型冲模应存放在专用模架上,模架最上一层平面不应高于1.7m中型冲模视其体积和重量分别按照大型和小型冲模存放方法和要求存放,但垛放高度不应超过2m机床保护接地线:冲剪压机械金属结构、电动机壳体、变压器壳体、穿线金属等...

1、当您付费下载文档后,您只拥有了使用权限,并不意味着购买了版权,文档只能用于自身使用,不得用于其他商业用途(如 [转卖]进行直接盈利或[编辑后售卖]进行间接盈利)。
2、本站所有内容均由合作方或网友上传,本站不对文档的完整性、权威性及其观点立场正确性做任何保证或承诺!文档内容仅供研究参考,付费前请自行鉴别。
3、如文档内容存在违规,或者侵犯商业秘密、侵犯著作权等,请点击“违规举报”。

碎片内容

蜗牛文库的最新文档

二年级数学下册其中检测卷二年级数学下册其中检测卷附答案#期中测试卷.pdf
10.00金币
0下载
二年级数学下册期末质检卷(苏教版)二年级数学下册期末质检卷(苏教版)#期末复习 #期末测试卷 #二年级数学 #二年级数学下册#关注我持续更新小学知识.pdf
10.00金币
0下载
二年级数学下册期末混合运算专项练习二年级数学下册期末混合运算专项练习#二年级#二年级数学下册#关注我持续更新小学知识 #知识分享 #家长收藏孩子受益.pdf
10.00金币
1下载
二年级数学下册年月日三类周期问题解题方法二年级数学下册年月日三类周期问题解题方法#二年级#二年级数学下册#知识分享 #关注我持续更新小学知识 #家长收藏孩子受益.pdf
10.00金币
0下载
二年级数学下册解决问题专项训练二年级数学下册解决问题专项训练#专项训练#解决问题#二年级#二年级数学下册#知识分享.pdf
10.00金币
1下载
二年级数学下册还原问题二年级数学下册还原问题#二年级#二年级数学#关注我持续更新小学知识 #知识分享 #家长收藏孩子受益.pdf
10.00金币
1下载
二年级数学下册第六单元考试卷家长打印出来给孩子测试测试争取拿到高分!#小学二年级试卷分享 #二年级第六单考试数学 #第六单考试#二年级数学下册.pdf
10.00金币
0下载
二年级数学下册必背顺口溜口诀汇总二年级数学下册必背顺口溜口诀汇总#二年级#二年级数学下册 #知识分享 #家长收藏孩子受益 #关注我持续更新小学知识.pdf
10.00金币
0下载
二年级数学下册《重点难点思维题》两大问题解决技巧和方法巧算星期几解决周期问题还原问题强化思维训练老师精心整理家长可以打印出来给孩子练习#家长收藏孩子受益 #学霸秘籍 #思维训练 #二年级 #知识点总结.pdf
10.00金币
0下载
二年级数学下册 必背公式大全寒假提前背一背开学更轻松#二年级 #二年级数学 #二年级数学下册 #寒假充电计划 #公式.pdf
10.00金币
0下载
蜗牛文库+ 关注
实名认证
内容提供者

提供各种专业文档内容

确认删除?
QQ
  • QQ点击这里给我发消息
微信客服
  • 微信客服
回到顶部