电脑桌面
添加蜗牛文库到电脑桌面
安装后可以在桌面快捷访问

GB 4385-1995 防静电鞋、导电鞋技术要求.pdfVIP免费

GB 4385-1995 防静电鞋、导电鞋技术要求.pdf_第1页
GB 4385-1995 防静电鞋、导电鞋技术要求.pdf_第2页
GB 4385-1995 防静电鞋、导电鞋技术要求.pdf_第3页
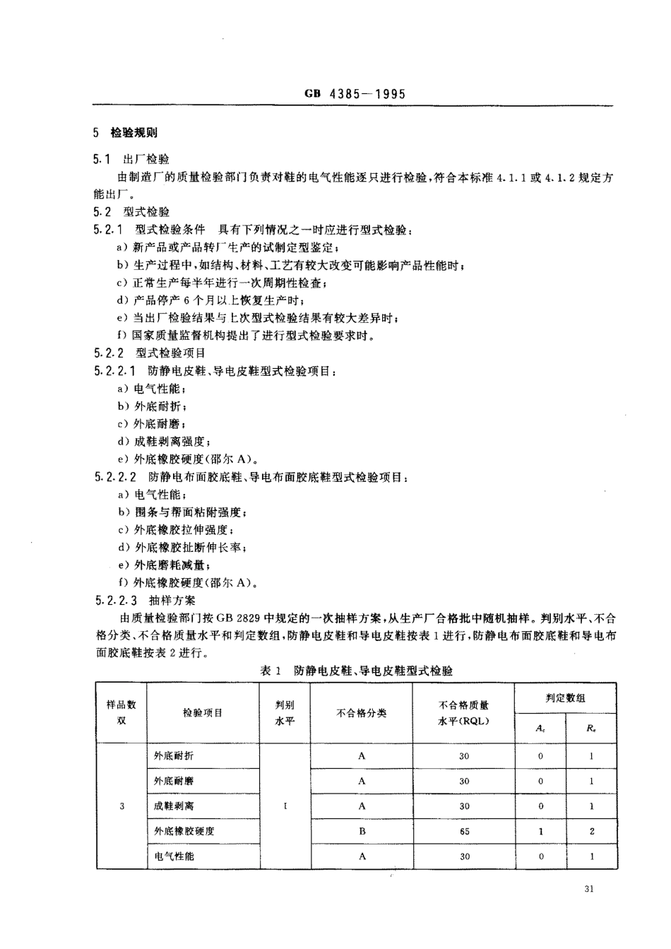
GB4385-1995前言本标准是根据国际标准化组织防护用品标准化技术委员会(TC94)足保护专业委员会(SC3)于1993年起草的《安全鞋、防护鞋、工作鞋规范及试验方法》(ISO/CD8782-1)中关于防静电鞋、导电鞋的要求,对国家标准GB4385-84《防静电胶底鞋、导电胶底鞋安全技术条件》和GB4386-84((防静电胶底鞋、导电胶底鞋电阻值测试方法》进行修订的。本标准规定的防静电鞋、导电鞋的电气性能及检验方法与ISO/CD8782-1中的4.3.4和5.7一致,这是为适应国际贸易、技术和经济交流的需要。在依据ISO/CD8782进行修订GB4385-84和GB4386-84时,鞋的物理机械性能结合我国实际情况并经实践证明可行,直接引用我国鞋类相关标准。本标准从1996年3月1日起实施,1996年5月1日起所有生产的防静电鞋、导电鞋均应符合本标准的规定。修订后标准版本与84年版本在内容、结构上有较大区别:修汀新版本内容包括:前言1范围2引用标准3产品分类4技术要求和试验方法5检验规则6标志、包装、运输和贮存7使用附录A电阻值的测定方法(标准的附录)84年版本内容包括引言1穿着场所2性能指标3穿用要求4鞋底的电气性能检验5质量监督6标志本标准从生效之日起,同时代替GB4385-84和GB4386-84,本标准的附录A是标准的附录。本标准由中华人民共和国劳动部提出。本标准由全国劳动防护用品标准化技术委员会归口。本标准起草单位:中国人民解放军总后军需装备研究所。本标准主要起草人:胡长幸、黎钦华、甘庚辰、王宏升。中华人民共和国国家标准防静电鞋、导电鞋术要求Gs4385一1995技Technica代替GS4385-4386-84trequirementsforantistaticfootwearandconductivefootwear1范围本标准规定了防静电鞋、导电鞋的产品分类、技术要求和试验要求、检验规则、标志、包装、运输、贮存和使用。本标准适用于具有防静电性能和导电性能的各类鞋。2引用标准下列标准所包含的条文,通过在本标准中引用而构成为标准的条文。本标准出版时,所示版本均为有效。所有标准都会被修订,使用本标准的各方应探讨使用下列标准最新版本的可能性。GB2829周期检查计数抽样程序及抽样表(适用于生产过程稳定性的检查)HG/T2495劳动鞋Qa1002一1005皮鞋3产品分类3.1防静电鞋。)防静电皮鞋;b?防静电布面胶底鞋。3.2导电鞋。)导电皮鞋;b)导电布面胶底鞋。4技术要求和试验方法4.1电气性能4.1.1防静电鞋按本标准附录A进行检验,电阻值范围为lookfi-1oooMil.4.1.2导电鞋按本标准附录A进行检验,电阻值不大于lookn.4.2物理机械性能4.2.1防静电皮鞋、导...

1、当您付费下载文档后,您只拥有了使用权限,并不意味着购买了版权,文档只能用于自身使用,不得用于其他商业用途(如 [转卖]进行直接盈利或[编辑后售卖]进行间接盈利)。
2、本站所有内容均由合作方或网友上传,本站不对文档的完整性、权威性及其观点立场正确性做任何保证或承诺!文档内容仅供研究参考,付费前请自行鉴别。
3、如文档内容存在违规,或者侵犯商业秘密、侵犯著作权等,请点击“违规举报”。

碎片内容

蜗牛文库的最新文档

二年级数学下册其中检测卷二年级数学下册其中检测卷附答案#期中测试卷.pdf
10.00金币
0下载
二年级数学下册期末质检卷(苏教版)二年级数学下册期末质检卷(苏教版)#期末复习 #期末测试卷 #二年级数学 #二年级数学下册#关注我持续更新小学知识.pdf
10.00金币
0下载
二年级数学下册期末混合运算专项练习二年级数学下册期末混合运算专项练习#二年级#二年级数学下册#关注我持续更新小学知识 #知识分享 #家长收藏孩子受益.pdf
10.00金币
1下载
二年级数学下册年月日三类周期问题解题方法二年级数学下册年月日三类周期问题解题方法#二年级#二年级数学下册#知识分享 #关注我持续更新小学知识 #家长收藏孩子受益.pdf
10.00金币
0下载
二年级数学下册解决问题专项训练二年级数学下册解决问题专项训练#专项训练#解决问题#二年级#二年级数学下册#知识分享.pdf
10.00金币
1下载
二年级数学下册还原问题二年级数学下册还原问题#二年级#二年级数学#关注我持续更新小学知识 #知识分享 #家长收藏孩子受益.pdf
10.00金币
1下载
二年级数学下册第六单元考试卷家长打印出来给孩子测试测试争取拿到高分!#小学二年级试卷分享 #二年级第六单考试数学 #第六单考试#二年级数学下册.pdf
10.00金币
0下载
二年级数学下册必背顺口溜口诀汇总二年级数学下册必背顺口溜口诀汇总#二年级#二年级数学下册 #知识分享 #家长收藏孩子受益 #关注我持续更新小学知识.pdf
10.00金币
0下载
二年级数学下册《重点难点思维题》两大问题解决技巧和方法巧算星期几解决周期问题还原问题强化思维训练老师精心整理家长可以打印出来给孩子练习#家长收藏孩子受益 #学霸秘籍 #思维训练 #二年级 #知识点总结.pdf
10.00金币
0下载
二年级数学下册 必背公式大全寒假提前背一背开学更轻松#二年级 #二年级数学 #二年级数学下册 #寒假充电计划 #公式.pdf
10.00金币
0下载
蜗牛文库+ 关注
实名认证
内容提供者

提供各种专业文档内容

确认删除?
QQ
  • QQ点击这里给我发消息
微信客服
  • 微信客服
回到顶部