电脑桌面
添加蜗牛文库到电脑桌面
安装后可以在桌面快捷访问

GB 3087-1999 低中压锅炉用无缝钢管.pdfVIP免费

GB 3087-1999 低中压锅炉用无缝钢管.pdf_第1页
GB 3087-1999 低中压锅炉用无缝钢管.pdf_第2页
GB 3087-1999 低中压锅炉用无缝钢管.pdf_第3页
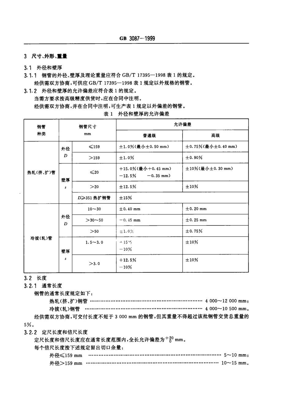
GB3087-1999前曰牙阵功本标准非等效采用ISO9329-1;1989《压力用无缝钢管交货技术条件一第1部分:规定室温的非合金钢管》,结合我国情况对GB3087-1982进行修订。本标准的外径和壁厚允许偏差严于国际标准,交货状态和抗拉强度等效采用国际标准,其他指标与国际标准相当.与前版标准相比,对以下条文进行了修改:1修改了尺寸允许偏差指标.取消了原表1和表2,尺寸规格改为引用GB/T17395-1998的表1。2增加了用连铸坯和钢锭轧管的条款.3降低了抗拉强度上限,提高了20号钢的抗拉强度下限,缩小了抗拉强度范围。对高温性能提出了要求。4增加了漏磁探伤代替液压实验的相互协商条款,将超声波探伤代替液压试验纳入了相互协商条款。5取消了400mm以上钢管的压扁试验.本标准自实施之日起,代替GB3087-1982《低中压锅炉用无缝钢管》。本标准由国家冶金工业局提出。本标准由全国钢标准化技术委员会归口。本标准起草单位:鞍山钢铁集团公司、成都无缝钢管有限责任公司.本标准主要起草人:朴志民、陈勇、邹克平、封文华.本标准1982年5月首次发布。中华人民共和国国家标准GB3087-1999低中压锅炉用无缝钢管neqISO9329-1:1989ft*GB3087-1982Seamlesssteeltubesforlowandmediumpressure1范围本标准规定了低压和中压锅炉用无缝钢管的尺寸、外形、重量、技术要求、试验方法、检验规则、包装、标志和质量证明书。本标准适用于制造各种结构低压和中压锅炉及机车锅炉用的优质碳素结构钢热轧(挤、扩)和冷拔(轧)无缝钢管。2引用标准下列标准所包含的条文,通过在本标准中引用而构成为本标准的条文。本标准出版时,所示版本均为有效。所有标准都会被修订,使用本标准的各方应探讨使用下列标准最新版本的可能性.GB/T222-1984钢的化学分析用试样取样法及成品化学成分允许偏差GB/T223.5-1997钢铁及合金化学分析方法还原型硅钥酸盐光度法测定酸溶硅含量GB/T223.12-1991钢铁及合金化学分析方法碳酸钠分离一二苯碳酞二麟光度法测定铬量GB/T223.19-1989钢铁及合金化学分析方法新亚铜灵一三氯甲烷萃取光度法测定铜量GB/T223.23-1994钢铁及合金化学分析方法丁二酮厉分光光度法测定镍量GB/T223.62-1988钢铁及合金化学分析方法乙酸丁醋萃取光度法测定磷量GB/T223.63-1988钢铁及合金化学分析方法高碘酸钠(钾)光度法测定锰量GB/T223.69-1997钢铁及合金化学分析方法管式炉内燃烧后气体容量法测定碳含量GB/T223.72-1991钢铁及合金化学分析方法氧化铝色层分离一硫酸钡重量法测定硫量G...

1、当您付费下载文档后,您只拥有了使用权限,并不意味着购买了版权,文档只能用于自身使用,不得用于其他商业用途(如 [转卖]进行直接盈利或[编辑后售卖]进行间接盈利)。
2、本站所有内容均由合作方或网友上传,本站不对文档的完整性、权威性及其观点立场正确性做任何保证或承诺!文档内容仅供研究参考,付费前请自行鉴别。
3、如文档内容存在违规,或者侵犯商业秘密、侵犯著作权等,请点击“违规举报”。

碎片内容

蜗牛文库的最新文档

二年级数学下册其中检测卷二年级数学下册其中检测卷附答案#期中测试卷.pdf
10.00金币
0下载
二年级数学下册期末质检卷(苏教版)二年级数学下册期末质检卷(苏教版)#期末复习 #期末测试卷 #二年级数学 #二年级数学下册#关注我持续更新小学知识.pdf
10.00金币
0下载
二年级数学下册期末混合运算专项练习二年级数学下册期末混合运算专项练习#二年级#二年级数学下册#关注我持续更新小学知识 #知识分享 #家长收藏孩子受益.pdf
10.00金币
1下载
二年级数学下册年月日三类周期问题解题方法二年级数学下册年月日三类周期问题解题方法#二年级#二年级数学下册#知识分享 #关注我持续更新小学知识 #家长收藏孩子受益.pdf
10.00金币
0下载
二年级数学下册解决问题专项训练二年级数学下册解决问题专项训练#专项训练#解决问题#二年级#二年级数学下册#知识分享.pdf
10.00金币
1下载
二年级数学下册还原问题二年级数学下册还原问题#二年级#二年级数学#关注我持续更新小学知识 #知识分享 #家长收藏孩子受益.pdf
10.00金币
1下载
二年级数学下册第六单元考试卷家长打印出来给孩子测试测试争取拿到高分!#小学二年级试卷分享 #二年级第六单考试数学 #第六单考试#二年级数学下册.pdf
10.00金币
0下载
二年级数学下册必背顺口溜口诀汇总二年级数学下册必背顺口溜口诀汇总#二年级#二年级数学下册 #知识分享 #家长收藏孩子受益 #关注我持续更新小学知识.pdf
10.00金币
0下载
二年级数学下册《重点难点思维题》两大问题解决技巧和方法巧算星期几解决周期问题还原问题强化思维训练老师精心整理家长可以打印出来给孩子练习#家长收藏孩子受益 #学霸秘籍 #思维训练 #二年级 #知识点总结.pdf
10.00金币
0下载
二年级数学下册 必背公式大全寒假提前背一背开学更轻松#二年级 #二年级数学 #二年级数学下册 #寒假充电计划 #公式.pdf
10.00金币
0下载
蜗牛文库+ 关注
实名认证
内容提供者

提供各种专业文档内容

确认删除?
QQ
  • QQ点击这里给我发消息
微信客服
  • 微信客服
回到顶部