电脑桌面
添加蜗牛文库到电脑桌面
安装后可以在桌面快捷访问

隔声设计在某商业中心俱乐部装修设计中的应用_李治中.pdfVIP免费

隔声设计在某商业中心俱乐部装修设计中的应用_李治中.pdf_第1页
隔声设计在某商业中心俱乐部装修设计中的应用_李治中.pdf_第2页
隔声设计在某商业中心俱乐部装修设计中的应用_李治中.pdf_第3页
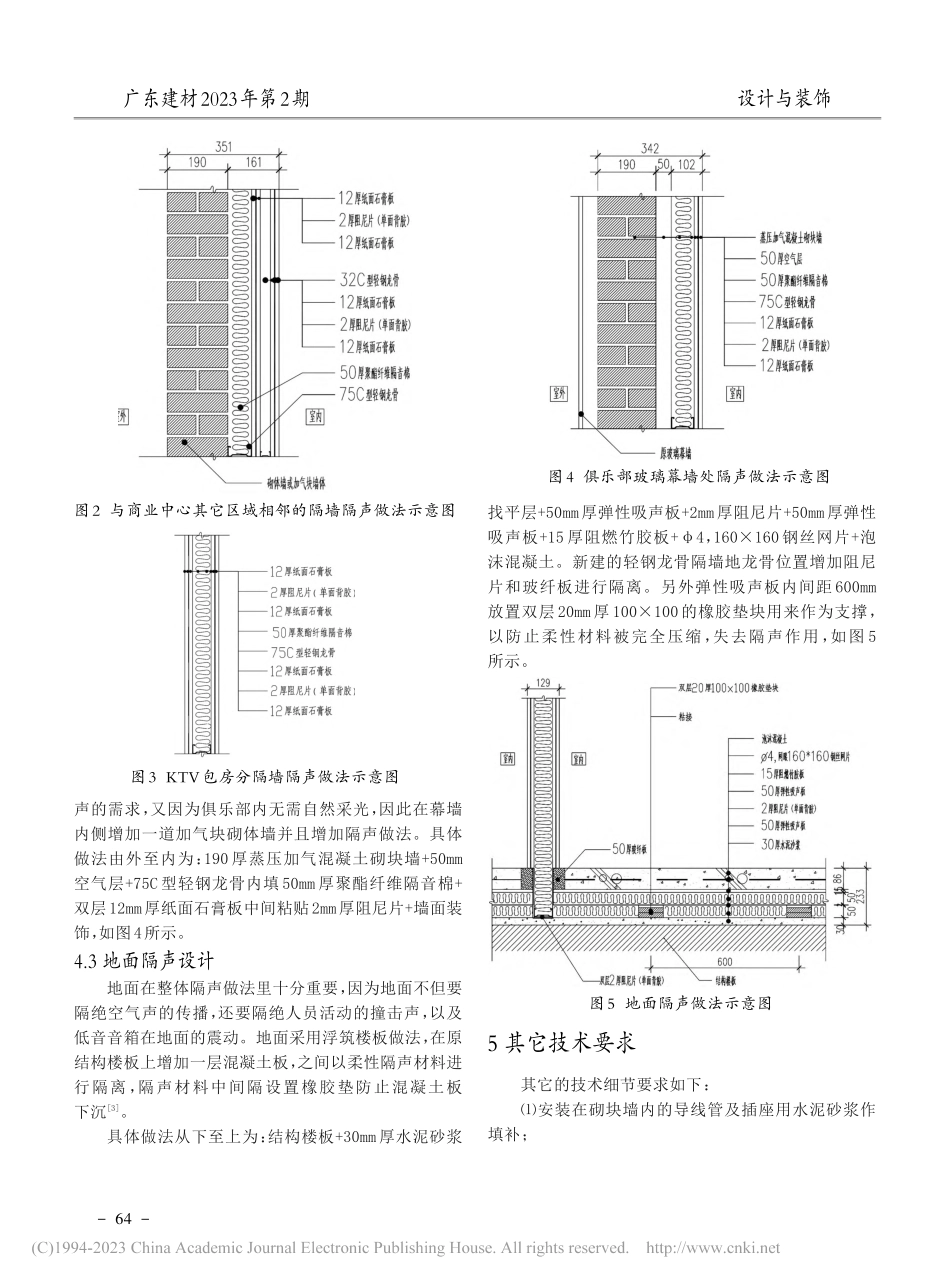
广东建材2023年第2期商业中心(也叫商业综合体)一般位于城市繁华地段,将商业、办公、居住、宾馆、展览、餐饮、会议、文娱等城市生活空间的三项以上功能进行集中组合形成,成为人们工作休闲的集中场所,导致其中人员密度较大,一些俱乐部经营者把场所设在这些人员流量比较密集的商业中心内部。俱乐部内部因为经营的需要配备了很多大功率音箱,营业时间往往开大音量进行音乐播放,产生的噪声会对周边人的生理及心理造成不适。而仅仅依靠原有的建筑结构不能完全隔绝噪声产生的影响,因此需要在其内部装修阶段进行隔声设计及施工处理。1项目概况某商业中心位于城市中心繁华地段,主楼地上部分为20层,裙房地上部分为5层,地下部分为4层。主楼地上高层部分为两栋建筑,分别为宾馆及办公功能,裙房地下一层到地上五层为商场,包含超市、餐厅、专卖店等商业用房。地下二层到地下四层为车库。本项目俱乐部位于商业中心3~4层,建筑面积为4600m2。其上的五层为餐厅,其下的二层为商场。俱乐部平面位置位于总平面的东南角,办公及宾馆分别位于西南及东北角,与俱乐部直线距离为100m。本项目为两层,一层主要空间有门厅、大厅、走廊、厨房、后勤办公等,二层主要空间有KTV包房、卡座等。大厅位于平面中心位置,面积为560㎡;其中局部为两层架空结构,面积260㎡,大厅包含酒吧、卡座、舞台等功能区域。俱乐部与相邻空间的分隔墙为钢筋混凝土墙及加气砌块墙,与室外空间分隔的墙为加气砌块墙及玻璃幕墙,楼板为钢筋混凝土现浇楼板。2噪声分析本项目主要噪声源为俱乐部播放音乐产生的空气声,包括内部大厅中进行舞台表演的音乐噪声,以及KTV包房内部产生的音乐噪声,内部运营时噪声可高达100dB(A)以上。噪声包括高频噪声及低频噪声,高频噪声传播距离近衰减快,对外界的影响较小,而低频噪声可以通过建筑结构进行传播,影响较大。尤其是大功率低音音箱工作时产生的低频噪声,其频率可以达到20~500Hz,会让人产生不适感。另外还有一部分噪声是俱乐部内部人员走动及舞蹈在楼板上产生的撞击声[1]。3隔声设计思路原建筑主要是按商业中心的功能进行设计,现有建筑的墙板结构如果不进行隔声处理,将无法满足俱乐部对于隔声的需求,因此需要在装修设计阶段加入隔声设计。装修阶段隔声设计的主要目的是尽量隔绝俱乐部所产生的噪声对于商场、办公及宾馆区域的干扰,以及隔声设计在某商业中心俱乐部装修设计中的应用李治中(中铁十六局集团有限公司规划设计研究院)【...

1、当您付费下载文档后,您只拥有了使用权限,并不意味着购买了版权,文档只能用于自身使用,不得用于其他商业用途(如 [转卖]进行直接盈利或[编辑后售卖]进行间接盈利)。
2、本站所有内容均由合作方或网友上传,本站不对文档的完整性、权威性及其观点立场正确性做任何保证或承诺!文档内容仅供研究参考,付费前请自行鉴别。
3、如文档内容存在违规,或者侵犯商业秘密、侵犯著作权等,请点击“违规举报”。

碎片内容

蜗牛文库的最新文档

二年级数学下册其中检测卷二年级数学下册其中检测卷附答案#期中测试卷.pdf
10.00金币
0下载
二年级数学下册期末质检卷(苏教版)二年级数学下册期末质检卷(苏教版)#期末复习 #期末测试卷 #二年级数学 #二年级数学下册#关注我持续更新小学知识.pdf
10.00金币
0下载
二年级数学下册期末混合运算专项练习二年级数学下册期末混合运算专项练习#二年级#二年级数学下册#关注我持续更新小学知识 #知识分享 #家长收藏孩子受益.pdf
10.00金币
1下载
二年级数学下册年月日三类周期问题解题方法二年级数学下册年月日三类周期问题解题方法#二年级#二年级数学下册#知识分享 #关注我持续更新小学知识 #家长收藏孩子受益.pdf
10.00金币
0下载
二年级数学下册解决问题专项训练二年级数学下册解决问题专项训练#专项训练#解决问题#二年级#二年级数学下册#知识分享.pdf
10.00金币
1下载
二年级数学下册还原问题二年级数学下册还原问题#二年级#二年级数学#关注我持续更新小学知识 #知识分享 #家长收藏孩子受益.pdf
10.00金币
1下载
二年级数学下册第六单元考试卷家长打印出来给孩子测试测试争取拿到高分!#小学二年级试卷分享 #二年级第六单考试数学 #第六单考试#二年级数学下册.pdf
10.00金币
0下载
二年级数学下册必背顺口溜口诀汇总二年级数学下册必背顺口溜口诀汇总#二年级#二年级数学下册 #知识分享 #家长收藏孩子受益 #关注我持续更新小学知识.pdf
10.00金币
0下载
二年级数学下册《重点难点思维题》两大问题解决技巧和方法巧算星期几解决周期问题还原问题强化思维训练老师精心整理家长可以打印出来给孩子练习#家长收藏孩子受益 #学霸秘籍 #思维训练 #二年级 #知识点总结.pdf
10.00金币
0下载
二年级数学下册 必背公式大全寒假提前背一背开学更轻松#二年级 #二年级数学 #二年级数学下册 #寒假充电计划 #公式.pdf
10.00金币
0下载
蜗牛文库+ 关注
实名认证
内容提供者

提供各种专业文档内容

确认删除?
QQ
  • QQ点击这里给我发消息
微信客服
  • 微信客服
回到顶部