电脑桌面
添加蜗牛文库到电脑桌面
安装后可以在桌面快捷访问

公路路基的分层填筑施工技术_纳森.pdfVIP免费

公路路基的分层填筑施工技术_纳森.pdf_第1页
公路路基的分层填筑施工技术_纳森.pdf_第2页
公路路基的分层填筑施工技术_纳森.pdf_第3页
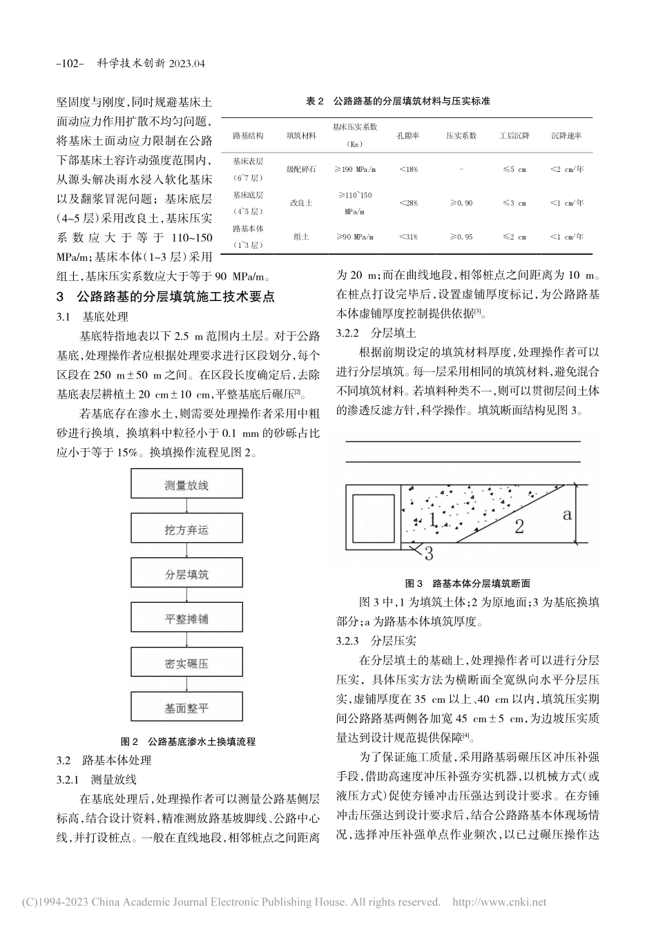
2023.04科学技术创新公路路基的分层填筑施工技术纳森(中交(青岛)城市建设有限公司,山东青岛)前言在国内高等级公路建设发展进程中,对公路整体完好性、面层平整度提出了更高的要求。路基分层填筑工艺是确保公路整体完好性、面层平整度的关键工序。但是,受碾压边缘区域、结构物与有效作业区的限制,路基分层填筑施工期间存在诸多风险因素,如路基不均匀沉降开裂、结构台阶式断裂等毁损性危害。因此,探究公路路基的分层填筑施工技术具有非常突出的现实意义。1公路路基的分层填筑结构一公路路基的分层填筑结构如下,见图1。图1公路路基的分层填筑结构图1中,a为表层宽度,cm;c为路基床表层填筑高度,cm;b为基床厚度,cm;①为路基本体;②为基床底层;③为基床表层。在填筑层数、填筑高度一定的情况下,每层填筑厚度计算公式见式(1):(1)式(1)中,n为每层填筑厚度,cm;h为公路路基填筑高度,cm;m为公路路基填筑层数,向上取整数。在公路路基填筑高度为1.9m,每层填筑厚度为0.3m,则填筑层数为7层,每层填筑长度、宽度、厚度见表1。表1公路路基的分层填筑参数由表1可知,案述公路工程需要进行7层填筑碾压。2公路路基的分层填筑施工技术方案由图1可知,案述公路路基由路基表层、路基底层、路基本体几个部位组成[1]。在公路路基结构厚度一定的情况下,可以用选择不同的填筑材料与压实标准,具体见表2。由表2可知,基床表层(6~7层)采用级配碎石材料,基床压实系数应大于等于190MPa/m。级配碎石结构的设置,可以增强公路线路强度,确保公路路基摘要:路基填筑是困扰公路施工建设与养护的关键工序之一,分层填筑施工技术有望提升公路路基施工质量,为公路施工建设与养护提供良好的条件。因此,简单介绍了公路路基的分层填筑结构,论述了公路路基的分层填筑方案,并对公路路基的分层填筑施工技术要点与效果进行了进一步探究,希望为公路路基的分层填筑操作提供一些参考。关键词:公路;路基;分层填筑施工中图分类号:U416.1文献标识码:A文章编号:2096-4390(2023)04-0101-04mhn=层数下底宽度上底宽度长度厚度第1层456.8cm453.38600cm25cm第2层456.3cm452.88600cm25cm第3层455.8cm452.38600cm25cm第4层455.3cm451.88600cm25cm第5层454.8cm451.38600cm25cm第6层454.3cm450.88600cm25cm第7层453.8cm450.38600cm25cm作者简介:纳森(1990-),男,本科,工程师,主要研究方向:桥梁与隧道工程。101--科学技术创新2023.04坚固度与刚度,同时...

1、当您付费下载文档后,您只拥有了使用权限,并不意味着购买了版权,文档只能用于自身使用,不得用于其他商业用途(如 [转卖]进行直接盈利或[编辑后售卖]进行间接盈利)。
2、本站所有内容均由合作方或网友上传,本站不对文档的完整性、权威性及其观点立场正确性做任何保证或承诺!文档内容仅供研究参考,付费前请自行鉴别。
3、如文档内容存在违规,或者侵犯商业秘密、侵犯著作权等,请点击“违规举报”。

碎片内容

蜗牛文库的最新文档

二年级数学下册其中检测卷二年级数学下册其中检测卷附答案#期中测试卷.pdf
10.00金币
0下载
二年级数学下册期末质检卷(苏教版)二年级数学下册期末质检卷(苏教版)#期末复习 #期末测试卷 #二年级数学 #二年级数学下册#关注我持续更新小学知识.pdf
10.00金币
0下载
二年级数学下册期末混合运算专项练习二年级数学下册期末混合运算专项练习#二年级#二年级数学下册#关注我持续更新小学知识 #知识分享 #家长收藏孩子受益.pdf
10.00金币
1下载
二年级数学下册年月日三类周期问题解题方法二年级数学下册年月日三类周期问题解题方法#二年级#二年级数学下册#知识分享 #关注我持续更新小学知识 #家长收藏孩子受益.pdf
10.00金币
0下载
二年级数学下册解决问题专项训练二年级数学下册解决问题专项训练#专项训练#解决问题#二年级#二年级数学下册#知识分享.pdf
10.00金币
1下载
二年级数学下册还原问题二年级数学下册还原问题#二年级#二年级数学#关注我持续更新小学知识 #知识分享 #家长收藏孩子受益.pdf
10.00金币
1下载
二年级数学下册第六单元考试卷家长打印出来给孩子测试测试争取拿到高分!#小学二年级试卷分享 #二年级第六单考试数学 #第六单考试#二年级数学下册.pdf
10.00金币
0下载
二年级数学下册必背顺口溜口诀汇总二年级数学下册必背顺口溜口诀汇总#二年级#二年级数学下册 #知识分享 #家长收藏孩子受益 #关注我持续更新小学知识.pdf
10.00金币
0下载
二年级数学下册《重点难点思维题》两大问题解决技巧和方法巧算星期几解决周期问题还原问题强化思维训练老师精心整理家长可以打印出来给孩子练习#家长收藏孩子受益 #学霸秘籍 #思维训练 #二年级 #知识点总结.pdf
10.00金币
0下载
二年级数学下册 必背公式大全寒假提前背一背开学更轻松#二年级 #二年级数学 #二年级数学下册 #寒假充电计划 #公式.pdf
10.00金币
0下载
蜗牛文库+ 关注
实名认证
内容提供者

提供各种专业文档内容

确认删除?
QQ
  • QQ点击这里给我发消息
微信客服
  • 微信客服
回到顶部