电脑桌面
添加蜗牛文库到电脑桌面
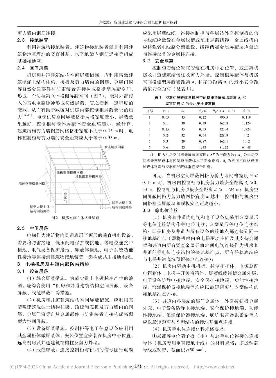
安装后可以在桌面快捷访问

高层建筑物电梯综合雷电防护技术探讨_许乾波.pdfVIP免费

高层建筑物电梯综合雷电防护技术探讨_许乾波.pdf_第1页
高层建筑物电梯综合雷电防护技术探讨_许乾波.pdf_第2页
高层建筑物电梯综合雷电防护技术探讨_许乾波.pdf_第3页
2023年02月机电工程技术Feb.2023第52卷第02期MECHANICAL&ELECTRICALENGINEERINGTECHNOLOGYVol.52No.02基金项目:福建省特种设备检验研究院资助科研项目(编号:FJTJ202110007)收稿日期:2022-05-21DOI:10.3969/j.issn.1009-9492.2023.02.059许乾波.高层建筑物电梯综合雷电防护技术探讨[J].机电工程技术,2023,52(02):269-272.高层建筑物电梯综合雷电防护技术探讨许乾波(福建省特种设备检验研究院,福州350008)摘要:高层电梯综合防雷系统包括建筑物外部防雷措施和内部电梯防雷措施,由建筑物主体结构的接闪器、引下线、接地装置、电梯空间屏蔽、共用接地系统、设备屏蔽、安全隔离、等电位连接、合理布线、浪涌保护等措施构成。为了保障高层电梯在恶劣气象环境下仍能安全运行,减少电梯雷电灾害事故,结合福建省高层电梯雷击灾害的案例,在《建筑物防雷设计规范》、《建筑物电子信息系统防雷技术规范》的基础上,开展高层建筑物电梯雷击调查及防护技术研究,从源头上找出电梯可能存在的雷击风险,从电梯机房及井道的土建结构设计施工、电梯供电电源的设计施工,到电梯产品的设计、现场安装,建立一整套完善的高层建筑物电梯综合防雷设计方案,给出了雷电防护整改措施,完善电梯综合防雷系统。研究结果表明所提的高层电梯综合防雷系统更能有效提高电梯抗击雷击能力,确保了电梯在雷雨季节恶劣气象条件下仍能安全可靠运行。关键词:智能电梯;雷击电磁脉冲;外部防雷措施;内部防雷措施;综合防雷系统中图分类号:TU976+.3文献标志码:A文章编号:1009-9492(2023)02-0269-04DiscussiononComprehensiveLightningProtectionTechnologyforElevatorsinHigh-RiseBuildingsXuQianbo(FujianSpecialEquipmentInspectionandResearchInstitute,Fuzhou,350008,China)Abstract:Thecomprehensivelightningprotectionsystemforhigh-riseelevatorsincludestheexternalli...

1、当您付费下载文档后,您只拥有了使用权限,并不意味着购买了版权,文档只能用于自身使用,不得用于其他商业用途(如 [转卖]进行直接盈利或[编辑后售卖]进行间接盈利)。
2、本站所有内容均由合作方或网友上传,本站不对文档的完整性、权威性及其观点立场正确性做任何保证或承诺!文档内容仅供研究参考,付费前请自行鉴别。
3、如文档内容存在违规,或者侵犯商业秘密、侵犯著作权等,请点击“违规举报”。

碎片内容

蜗牛文库的最新文档

二年级数学下册其中检测卷二年级数学下册其中检测卷附答案#期中测试卷.pdf
10.00金币
0下载
二年级数学下册期末质检卷(苏教版)二年级数学下册期末质检卷(苏教版)#期末复习 #期末测试卷 #二年级数学 #二年级数学下册#关注我持续更新小学知识.pdf
10.00金币
0下载
二年级数学下册期末混合运算专项练习二年级数学下册期末混合运算专项练习#二年级#二年级数学下册#关注我持续更新小学知识 #知识分享 #家长收藏孩子受益.pdf
10.00金币
1下载
二年级数学下册年月日三类周期问题解题方法二年级数学下册年月日三类周期问题解题方法#二年级#二年级数学下册#知识分享 #关注我持续更新小学知识 #家长收藏孩子受益.pdf
10.00金币
0下载
二年级数学下册解决问题专项训练二年级数学下册解决问题专项训练#专项训练#解决问题#二年级#二年级数学下册#知识分享.pdf
10.00金币
1下载
二年级数学下册还原问题二年级数学下册还原问题#二年级#二年级数学#关注我持续更新小学知识 #知识分享 #家长收藏孩子受益.pdf
10.00金币
1下载
二年级数学下册第六单元考试卷家长打印出来给孩子测试测试争取拿到高分!#小学二年级试卷分享 #二年级第六单考试数学 #第六单考试#二年级数学下册.pdf
10.00金币
0下载
二年级数学下册必背顺口溜口诀汇总二年级数学下册必背顺口溜口诀汇总#二年级#二年级数学下册 #知识分享 #家长收藏孩子受益 #关注我持续更新小学知识.pdf
10.00金币
0下载
二年级数学下册《重点难点思维题》两大问题解决技巧和方法巧算星期几解决周期问题还原问题强化思维训练老师精心整理家长可以打印出来给孩子练习#家长收藏孩子受益 #学霸秘籍 #思维训练 #二年级 #知识点总结.pdf
10.00金币
0下载
二年级数学下册 必背公式大全寒假提前背一背开学更轻松#二年级 #二年级数学 #二年级数学下册 #寒假充电计划 #公式.pdf
10.00金币
0下载
蜗牛文库+ 关注
实名认证
内容提供者

提供各种专业文档内容

确认删除?
QQ
  • QQ点击这里给我发消息
微信客服
  • 微信客服
回到顶部