电脑桌面
添加蜗牛文库到电脑桌面
安装后可以在桌面快捷访问

净化专项暖通指标体系的构建及数据分析应用.pdfVIP免费

净化专项暖通指标体系的构建及数据分析应用.pdf_第1页
净化专项暖通指标体系的构建及数据分析应用.pdf_第2页
净化专项暖通指标体系的构建及数据分析应用.pdf_第3页
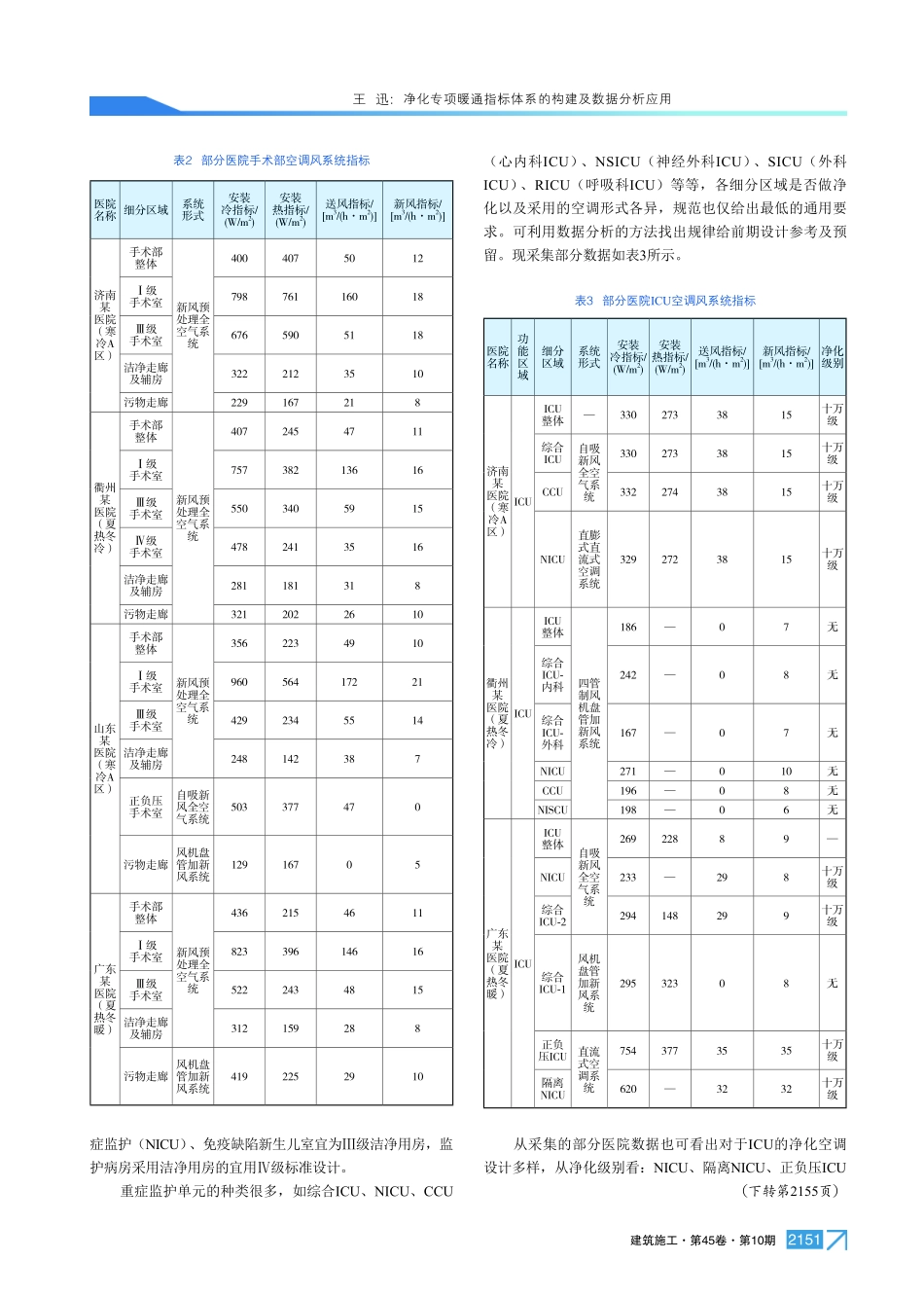
建筑施工·第45卷·第10期2149净化专项暖通指标体系的构建及数据分析应用王迅中国建筑第八工程局有限公司设计管理总院上海201206摘要:结合医院净化专项工程,分析如何创建暖通专业的净化指标体系。以手术部为例,根据提取的部分技术指标进行数据分析,发现手术部各功能区域的面积与手术室的面积呈现线性比例关系,手术部空调冷指标也呈现一定的规律范围,两者结合可为前期设计提供参考。关键词:手术部;暖通工程;净化专项;指标体系中图分类号:TU71文献标志码:A文章编号:1004-1001(2023)10-2149-03DOI:10.14144/j.cnki.jzsg.2023.10.056CreationandDataAnalysisApplicationofSpecialHVACIndicatorSystemforPurificationWANGXunGeneralInstituteofDesignManagementofChinaConstructionEighthEngineeringBureauCo.,Ltd.,Shanghai201206,ChinaAbstract:Inconjunctionwiththespecialprojectofhospitalpurification,howtocreatepurificationindexsystemfortheHVACprofessionisanalyzed.Takingtheoperatingdepartmentasanexample,dataanalysisisconductedbasedonsomeextractedtechnicalindicators.Itisfoundthattheareaofeachfunctionalareaintheoperatingdepartmentshowsalinearproportionalrelationshipwiththeareaoftheoperatingroom,andthecoolingindicatorsofthesurgicaldepartment'sairconditioningalsoshowedacertainrangeofregularity.Thecombinationoftheabovetwocanprovidereferenceforpreliminarydesign.Keywords:surgicaldepartment;HVACengineering;purificationproject;indicatorsystem项最终出具的方案。同时专项分包进场时间相对较晚,也给前期设计阶段中专项条件的预留带来了困难。基于此,笔者想通过对现有医院的设计参数、设备配备情况等进行提取分析,尝试用数据分析的方法总结出规律。2暖通指标体系构建2.1确定采集目标暖通专业的重点是系统和设备两大块,各系统形式、系统的设计参数决定了暖通专业的设计方案,系统的总容量及设备的具体选型决定了造价的高低,各功能区域的设备安装容量与区域面积的比值即为该区域的安装冷/热指标,因此这部分数据是采集的重点。暖通工程分为冷热源、空调风系统、空调水系统、通风系统、防排烟系统(此部分内容通常不在净化专项内),各系统主要采集的内容有:1)冷热源:冷热源形式、水系统形式、服务建筑面积(净化专项面积)、安装冷容量、安装热容量。2)空调风系统:各功能区域及其细...

1、当您付费下载文档后,您只拥有了使用权限,并不意味着购买了版权,文档只能用于自身使用,不得用于其他商业用途(如 [转卖]进行直接盈利或[编辑后售卖]进行间接盈利)。
2、本站所有内容均由合作方或网友上传,本站不对文档的完整性、权威性及其观点立场正确性做任何保证或承诺!文档内容仅供研究参考,付费前请自行鉴别。
3、如文档内容存在违规,或者侵犯商业秘密、侵犯著作权等,请点击“违规举报”。

碎片内容

蜗牛文库的最新文档

二年级数学下册其中检测卷二年级数学下册其中检测卷附答案#期中测试卷.pdf
10.00金币
0下载
二年级数学下册期末质检卷(苏教版)二年级数学下册期末质检卷(苏教版)#期末复习 #期末测试卷 #二年级数学 #二年级数学下册#关注我持续更新小学知识.pdf
10.00金币
0下载
二年级数学下册期末混合运算专项练习二年级数学下册期末混合运算专项练习#二年级#二年级数学下册#关注我持续更新小学知识 #知识分享 #家长收藏孩子受益.pdf
10.00金币
1下载
二年级数学下册年月日三类周期问题解题方法二年级数学下册年月日三类周期问题解题方法#二年级#二年级数学下册#知识分享 #关注我持续更新小学知识 #家长收藏孩子受益.pdf
10.00金币
0下载
二年级数学下册解决问题专项训练二年级数学下册解决问题专项训练#专项训练#解决问题#二年级#二年级数学下册#知识分享.pdf
10.00金币
1下载
二年级数学下册还原问题二年级数学下册还原问题#二年级#二年级数学#关注我持续更新小学知识 #知识分享 #家长收藏孩子受益.pdf
10.00金币
1下载
二年级数学下册第六单元考试卷家长打印出来给孩子测试测试争取拿到高分!#小学二年级试卷分享 #二年级第六单考试数学 #第六单考试#二年级数学下册.pdf
10.00金币
0下载
二年级数学下册必背顺口溜口诀汇总二年级数学下册必背顺口溜口诀汇总#二年级#二年级数学下册 #知识分享 #家长收藏孩子受益 #关注我持续更新小学知识.pdf
10.00金币
0下载
二年级数学下册《重点难点思维题》两大问题解决技巧和方法巧算星期几解决周期问题还原问题强化思维训练老师精心整理家长可以打印出来给孩子练习#家长收藏孩子受益 #学霸秘籍 #思维训练 #二年级 #知识点总结.pdf
10.00金币
0下载
二年级数学下册 必背公式大全寒假提前背一背开学更轻松#二年级 #二年级数学 #二年级数学下册 #寒假充电计划 #公式.pdf
10.00金币
0下载
蜗牛文库+ 关注
实名认证
内容提供者

提供各种专业文档内容

确认删除?
QQ
  • QQ点击这里给我发消息
微信客服
  • 微信客服
回到顶部