电脑桌面
添加蜗牛文库到电脑桌面
安装后可以在桌面快捷访问

自然崩落采矿法立爪装碴机出矿研究及应用.pdfVIP免费

自然崩落采矿法立爪装碴机出矿研究及应用.pdf_第1页
自然崩落采矿法立爪装碴机出矿研究及应用.pdf_第2页
自然崩落采矿法立爪装碴机出矿研究及应用.pdf_第3页
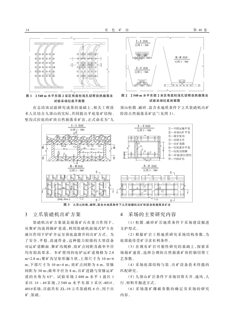
有色矿冶NON-FERROUSMININGANDMETALLURGY第40卷第1期2024年2月Vol.40No.1February2024文章编号:1007-967X(2024)01-13-04自然崩落采矿法立爪装碴机出矿研究及应用*李雪澜,施伟江,李晓斌(弥渡县九顶山矿业有限公司,云南大理674400)摘要:根据九顶山铜矿自然崩落法立爪装碴机出矿研究应用实践,介绍了自然崩落采矿方法回采时出矿设备现状并提出改进建议、出矿过程及各阶段的特点及有关技术指标统计,通过对2540m水平东部2采区-401#试验采场生产实践,阐明了立爪装碴机出矿的优缺点及适用条件,论述自然崩落法出矿方式的选择依据,探讨了在特殊条件下出矿时应采取的特殊措施。关键词:自然崩落法;装碴机;出矿方式;支护形式;选择依据中图分类号:TD863文献标识码:A1地质绪论九顶山铜钼矿床属中温热液细脉浸染型矿床,矿床内矿体构造和形态复杂,各矿带的划分与构造裂隙带、岩浆岩相带及变质蚀变岩相带的划分基本吻合。钼矿带产于侵入体的内接触带边缘,与铜钼矿带共同的特征是有接触裂隙与岩浆岩直接相连,岩石中成矿裂隙相当发育。钼矿体形态和产状取决于矿床中各构造裂隙带内裂隙产状和密集程度,分为两类:一是由彼此相连的复合裂隙群形成的大矿体,由为数众多又彼此相连的矿脉群所组成,矿体沿走向或倾向分岔、尖灭、再现,矿体产状与围岩接触界面相同。如1、2号钼矿体,走向长达1200余m。二是产于侵入体中部,为被厚度不等的无矿夹石所间隔的规模极小而又不连续的透镜状矿体群,透镜体与裂隙产状一致,呈雁行排列,矿体形态变化极大,有用组分分布极不均匀。矿石类型及品质:钼矿石为细脉浸染型,矿体与围岩呈过渡关系,无明显的界线,矿体边界按工业指标的规定以品位来确定,矿体与围岩在矿物成分、化学组成上无本质区别。钼矿石中的钼完全由辉钼矿所组成,矿体赋存为辉钼矿花岗斑岩、辉钼矿长英角岩和复矿矽卡岩化辉钼矿黄铜矿长英角岩。矿石品位与含矿裂隙密集程度密切相关,平均品位在0.06%~0.10%。工程地质:九顶山矿、岩土工程地质条件上无明显差别,其稳固性取决于裂隙发育程度。钼矿体赋存于花岗斑岩,块状构造,裂隙发育,裂隙密度平均为22条/m,风化的高岭土化、绿泥石化使岩体变得软硬不均,岩石破碎,岩体稳定性差,掘进巷道进入该岩组约90%地段需支护。2出矿设备选择的依据矿山以往采供矿能力为1400~1500t/d(含副产矿石),一、二选厂处理能力共2100t/d,矿山二期技改产能规模为2000t/d。现矿山生产能力达4000~5000t/...

1、当您付费下载文档后,您只拥有了使用权限,并不意味着购买了版权,文档只能用于自身使用,不得用于其他商业用途(如 [转卖]进行直接盈利或[编辑后售卖]进行间接盈利)。
2、本站所有内容均由合作方或网友上传,本站不对文档的完整性、权威性及其观点立场正确性做任何保证或承诺!文档内容仅供研究参考,付费前请自行鉴别。
3、如文档内容存在违规,或者侵犯商业秘密、侵犯著作权等,请点击“违规举报”。

碎片内容

蜗牛文库的最新文档

二年级数学下册其中检测卷二年级数学下册其中检测卷附答案#期中测试卷.pdf
10.00金币
0下载
二年级数学下册期末质检卷(苏教版)二年级数学下册期末质检卷(苏教版)#期末复习 #期末测试卷 #二年级数学 #二年级数学下册#关注我持续更新小学知识.pdf
10.00金币
0下载
二年级数学下册期末混合运算专项练习二年级数学下册期末混合运算专项练习#二年级#二年级数学下册#关注我持续更新小学知识 #知识分享 #家长收藏孩子受益.pdf
10.00金币
1下载
二年级数学下册年月日三类周期问题解题方法二年级数学下册年月日三类周期问题解题方法#二年级#二年级数学下册#知识分享 #关注我持续更新小学知识 #家长收藏孩子受益.pdf
10.00金币
0下载
二年级数学下册解决问题专项训练二年级数学下册解决问题专项训练#专项训练#解决问题#二年级#二年级数学下册#知识分享.pdf
10.00金币
1下载
二年级数学下册还原问题二年级数学下册还原问题#二年级#二年级数学#关注我持续更新小学知识 #知识分享 #家长收藏孩子受益.pdf
10.00金币
1下载
二年级数学下册第六单元考试卷家长打印出来给孩子测试测试争取拿到高分!#小学二年级试卷分享 #二年级第六单考试数学 #第六单考试#二年级数学下册.pdf
10.00金币
0下载
二年级数学下册必背顺口溜口诀汇总二年级数学下册必背顺口溜口诀汇总#二年级#二年级数学下册 #知识分享 #家长收藏孩子受益 #关注我持续更新小学知识.pdf
10.00金币
0下载
二年级数学下册《重点难点思维题》两大问题解决技巧和方法巧算星期几解决周期问题还原问题强化思维训练老师精心整理家长可以打印出来给孩子练习#家长收藏孩子受益 #学霸秘籍 #思维训练 #二年级 #知识点总结.pdf
10.00金币
0下载
二年级数学下册 必背公式大全寒假提前背一背开学更轻松#二年级 #二年级数学 #二年级数学下册 #寒假充电计划 #公式.pdf
10.00金币
0下载
蜗牛文库+ 关注
实名认证
内容提供者

提供各种专业文档内容

确认删除?
QQ
  • QQ点击这里给我发消息
微信客服
  • 微信客服
回到顶部