电脑桌面
添加蜗牛文库到电脑桌面
安装后可以在桌面快捷访问

第24讲施工进度管理与质量管理(1).pdfVIP免费

第24讲施工进度管理与质量管理(1).pdf_第1页
第24讲施工进度管理与质量管理(1).pdf_第2页
第24讲施工进度管理与质量管理(1).pdf_第3页
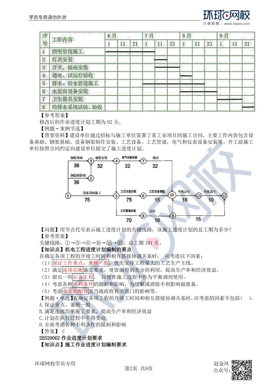
环球网校学员专用赵金凤公众号:第1页共9页2023环球网校二级建造师《机电工程管理与实务》知识点精讲【知识点回顾】【例题·多选】在工程项目施工中,施工机具的选择要求有()。A.满足施工方案的需要B.适合工程的具体特点C.保证施工质量的要求D.小型设备超负荷运转E.兼顾市场拓展的需要【答案】ABCE【例题·单选】下列文件中,不属于施工技术交底依据的是()。A.施工合同B.施工组织设计C.施工工艺D.专项施工方案【答案】A2H320000机电工程项目施工管理2H320010机电工程施工招标投标管理(约2.4分)2H320020机电工程施工合同管理(约2分)2H320030机电工程施工组织设计(约3.4分)2H320040机电工程施工资源管理(约1.6分)2H320050机电工程施工技术管理(约2.6分)2H320060机电工程施工进度管理(约8.8分)2H320070机电工程施工质量管理(约5.8分)2H320080机电工程施工安全管理(约6.2分)2H320090机电工程施工现场管理(约4分)2H320100机电工程施工成本管理(约2分)2H320110机电工程项目试运行管理(约0.8分)2H320120机电工程施工结算与竣工验收(约1.8分)2H320130机电工程保修与回访(1.2分)2H320060机电工程施工进度管理2H320061单位工程施工进度计划实施2H320062作业进度计划要求2H320063施工进度的监测与调整2H320061单位工程施工进度计划实施【知识点】机电工程施工进度计划表示方法机电工程施工进度计划表示方法有横道图、网络图、里程碑表和文字说明等。常用的是横道图计划和网络图计划。【例题·案例节选】【背景资料】B公司依据本公司的人力资源现状,编制了照明工程和室内排水施工作业进度计划(见表1),工期122天。该计划被A公司否定,要求B公司修改作业进度计划,加快进度。B公司在工作持续时间不变的情况下,将排水、给水管道施工的开始时间提前到6月1日,增加施工人员,使室内给排水和照明工程按A公司要求完工。环球网校学员专用赵金凤公众号:第2页共9页【参考答案】修改后的作业进度计划工期为92天。【例题·案例节选】【背景资料】建设单位通过招标与施工单位签署了某工业项目的施工合同,主要工作内容包含设备基础、钢架基础、设备钢架制作安装、工艺设备、工艺管道,电气和仪表设备安装等。开工前施工单位按照合同约定向建设单位提交了施工进度计划。【问题】用节点代号表示施工进度计划的关键线路,该施工进度计划的总工期为多少?【参考答案】关键线路,①→⑤→⑥→⑩→⑪→⑫;总工期191天。【知识点】机电工程进...

1、当您付费下载文档后,您只拥有了使用权限,并不意味着购买了版权,文档只能用于自身使用,不得用于其他商业用途(如 [转卖]进行直接盈利或[编辑后售卖]进行间接盈利)。
2、本站所有内容均由合作方或网友上传,本站不对文档的完整性、权威性及其观点立场正确性做任何保证或承诺!文档内容仅供研究参考,付费前请自行鉴别。
3、如文档内容存在违规,或者侵犯商业秘密、侵犯著作权等,请点击“违规举报”。

碎片内容

蜗牛文库的最新文档

二年级数学下册其中检测卷二年级数学下册其中检测卷附答案#期中测试卷.pdf
10.00金币
0下载
二年级数学下册期末质检卷(苏教版)二年级数学下册期末质检卷(苏教版)#期末复习 #期末测试卷 #二年级数学 #二年级数学下册#关注我持续更新小学知识.pdf
10.00金币
0下载
二年级数学下册期末混合运算专项练习二年级数学下册期末混合运算专项练习#二年级#二年级数学下册#关注我持续更新小学知识 #知识分享 #家长收藏孩子受益.pdf
10.00金币
1下载
二年级数学下册年月日三类周期问题解题方法二年级数学下册年月日三类周期问题解题方法#二年级#二年级数学下册#知识分享 #关注我持续更新小学知识 #家长收藏孩子受益.pdf
10.00金币
0下载
二年级数学下册解决问题专项训练二年级数学下册解决问题专项训练#专项训练#解决问题#二年级#二年级数学下册#知识分享.pdf
10.00金币
1下载
二年级数学下册还原问题二年级数学下册还原问题#二年级#二年级数学#关注我持续更新小学知识 #知识分享 #家长收藏孩子受益.pdf
10.00金币
1下载
二年级数学下册第六单元考试卷家长打印出来给孩子测试测试争取拿到高分!#小学二年级试卷分享 #二年级第六单考试数学 #第六单考试#二年级数学下册.pdf
10.00金币
0下载
二年级数学下册必背顺口溜口诀汇总二年级数学下册必背顺口溜口诀汇总#二年级#二年级数学下册 #知识分享 #家长收藏孩子受益 #关注我持续更新小学知识.pdf
10.00金币
0下载
二年级数学下册《重点难点思维题》两大问题解决技巧和方法巧算星期几解决周期问题还原问题强化思维训练老师精心整理家长可以打印出来给孩子练习#家长收藏孩子受益 #学霸秘籍 #思维训练 #二年级 #知识点总结.pdf
10.00金币
0下载
二年级数学下册 必背公式大全寒假提前背一背开学更轻松#二年级 #二年级数学 #二年级数学下册 #寒假充电计划 #公式.pdf
10.00金币
0下载
蜗牛文库+ 关注
实名认证
内容提供者

提供各种专业文档内容

确认删除?
QQ
  • QQ点击这里给我发消息
微信客服
  • 微信客服
回到顶部