电脑桌面
添加蜗牛文库到电脑桌面
安装后可以在桌面快捷访问

基于有限元等效模型的大型膜顶搪瓷拼装储罐安全性分析.pdfVIP免费

基于有限元等效模型的大型膜顶搪瓷拼装储罐安全性分析.pdf_第1页
基于有限元等效模型的大型膜顶搪瓷拼装储罐安全性分析.pdf_第2页
基于有限元等效模型的大型膜顶搪瓷拼装储罐安全性分析.pdf_第3页
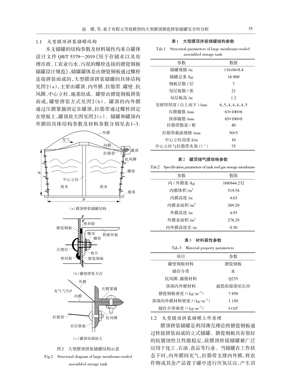
压力容器第41卷第1期2024年1月33收稿日期:2023-10-23修稿日期:2023-12-24基金项目:国家重点研发计划项目(2018YFB2000800)doi:10.3969/j.issn.1001-4837.2024.01.005设计计算基于有限元等效模型的大型膜顶搪瓷拼装储罐安全性分析赵檀1,李双喜1,杨兴2,王子起1,黄承尧1(1.北京化工大学流体密封技术研究中心,北京100029;2.北京盈和瑞环境科技有限公司,北京102488)摘要:为了提高储罐的安全性,建立了大型膜顶储罐的等效分析模型,分析不同工况下罐体壁板及其零部件的应力及变形,探究拉筋带数量、中心立柱高度等对罐体的应力及变形的影响规律,求解得到了其最优值。结果表明:在膜顶拼装储罐未产气加上雨雪天气影响等极端工况下,储罐的罐壁以及抗风圈发生失效,需要对储罐结构进行优化以提高罐体安全性;拉筋带数量和中心立柱高度是影响罐体安全性的主要因素,拉筋带数量增加到80根,中心立柱与拉筋带夹角增大到77.5°可以有效提高罐体的安全性;首层壁板厚度和膜压已为最优值,满足罐体安全性要求。所得结论可提高拼接罐体的可靠性,为后续拼接罐体的设计提供参考。关键词:膜顶拼装储罐;等效分析模型;结构优化;数值模拟;结构安全性中图分类号:TH49;O342;O241文献标志码:ASafetyanalysisoflargemembrane-roofedenamelassembledstoragetanksbasedonfiniteelementequivalentmodelingZHAOTan1,LIShuangxi1,YANGXing2,WANGZiqi1,HUANGChengyao1(1.SchoolofMechanicalandElectricalEngineering,BeijingUniversityofChemicalTechnology,Beijing100029,China;2.BeijingYingheRuiEnvironmentalTechnologyCo.,Ltd.,Beijing102488,China)Abstract:Inordertoimprovethesafetyofthestoragetank,theequivalentanalysismodeloflargemembrane-roofedtankswasestablishedtoanalyzethestressanddeformationofthetankwallplateanditscomponentsunderdifferentworkingconditions,theinfluencesofthelawofthenumberoftensilestrips,theheightofthecentercolumn,etc.onthetank'sstressanddeformationwereinvestigated,andtheiroptimalvalueswereobtained.Theresultsshowthatundertheextremeworkingconditionssuchasthemembrane-roofedassembledtankwithoutgasproductionandtheinfluenceofrainandsnow,thetankwallandthewindgirderfailed,anditisneededtooptimizethestructureofthetankinordertoimprovethesafetyofthe...

1、当您付费下载文档后,您只拥有了使用权限,并不意味着购买了版权,文档只能用于自身使用,不得用于其他商业用途(如 [转卖]进行直接盈利或[编辑后售卖]进行间接盈利)。
2、本站所有内容均由合作方或网友上传,本站不对文档的完整性、权威性及其观点立场正确性做任何保证或承诺!文档内容仅供研究参考,付费前请自行鉴别。
3、如文档内容存在违规,或者侵犯商业秘密、侵犯著作权等,请点击“违规举报”。

碎片内容

蜗牛文库的最新文档

二年级数学下册其中检测卷二年级数学下册其中检测卷附答案#期中测试卷.pdf
10.00金币
0下载
二年级数学下册期末质检卷(苏教版)二年级数学下册期末质检卷(苏教版)#期末复习 #期末测试卷 #二年级数学 #二年级数学下册#关注我持续更新小学知识.pdf
10.00金币
0下载
二年级数学下册期末混合运算专项练习二年级数学下册期末混合运算专项练习#二年级#二年级数学下册#关注我持续更新小学知识 #知识分享 #家长收藏孩子受益.pdf
10.00金币
1下载
二年级数学下册年月日三类周期问题解题方法二年级数学下册年月日三类周期问题解题方法#二年级#二年级数学下册#知识分享 #关注我持续更新小学知识 #家长收藏孩子受益.pdf
10.00金币
0下载
二年级数学下册解决问题专项训练二年级数学下册解决问题专项训练#专项训练#解决问题#二年级#二年级数学下册#知识分享.pdf
10.00金币
1下载
二年级数学下册还原问题二年级数学下册还原问题#二年级#二年级数学#关注我持续更新小学知识 #知识分享 #家长收藏孩子受益.pdf
10.00金币
1下载
二年级数学下册第六单元考试卷家长打印出来给孩子测试测试争取拿到高分!#小学二年级试卷分享 #二年级第六单考试数学 #第六单考试#二年级数学下册.pdf
10.00金币
0下载
二年级数学下册必背顺口溜口诀汇总二年级数学下册必背顺口溜口诀汇总#二年级#二年级数学下册 #知识分享 #家长收藏孩子受益 #关注我持续更新小学知识.pdf
10.00金币
0下载
二年级数学下册《重点难点思维题》两大问题解决技巧和方法巧算星期几解决周期问题还原问题强化思维训练老师精心整理家长可以打印出来给孩子练习#家长收藏孩子受益 #学霸秘籍 #思维训练 #二年级 #知识点总结.pdf
10.00金币
0下载
二年级数学下册 必背公式大全寒假提前背一背开学更轻松#二年级 #二年级数学 #二年级数学下册 #寒假充电计划 #公式.pdf
10.00金币
0下载
蜗牛文库+ 关注
实名认证
内容提供者

提供各种专业文档内容

确认删除?
QQ
  • QQ点击这里给我发消息
微信客服
  • 微信客服
回到顶部