电脑桌面
添加蜗牛文库到电脑桌面
安装后可以在桌面快捷访问

建筑物高空大跨度悬挑结构模板支撑施工技术应用.pdfVIP免费

建筑物高空大跨度悬挑结构模板支撑施工技术应用.pdf_第1页
建筑物高空大跨度悬挑结构模板支撑施工技术应用.pdf_第2页
建筑物高空大跨度悬挑结构模板支撑施工技术应用.pdf_第3页
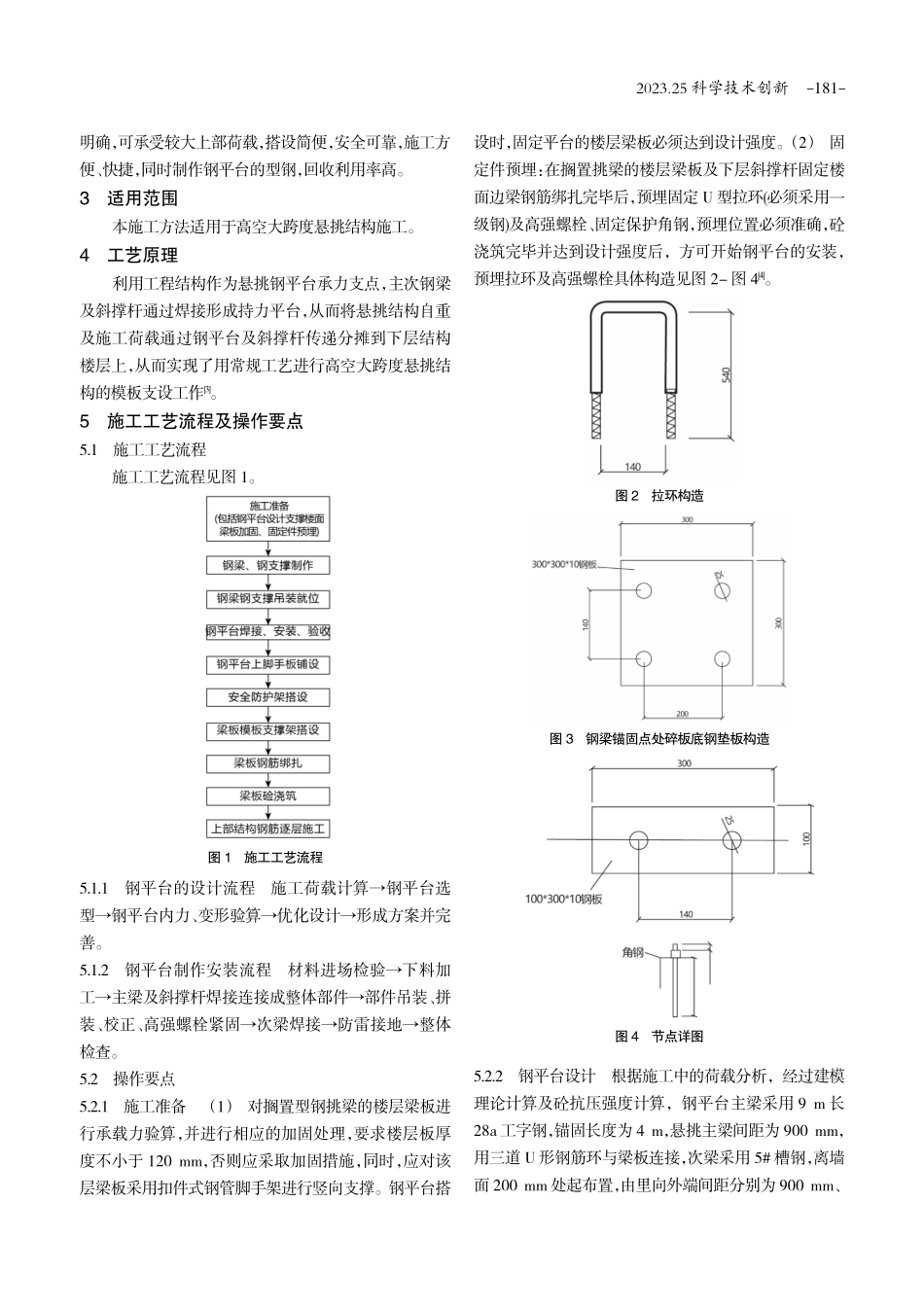
科学技术创新2023.25建筑物高空大跨度悬挑结构模板支撑施工技术应用刘翔(甘肃第三建设集团有限公司,甘肃兰州)引言近年来,高层建筑物的造型为彰显建筑物的个性,突出建筑物的雄姿风韵,高空大跨度悬挑结构越来越被广泛使用,但由于高空大跨度悬挑结构施工时模板支撑存在跨度大、高度高、施工荷载大、难度及危险性高等特点,给模板支撑系统施工带来很大困难,因此如何在施工中做到技术先进、保证质量、确保安全是建筑物高空大跨度悬挑结构模板支撑的关键内容[1]。本研究通过实际工程项目,总结出建筑物高空大跨度悬挑结构模板支撑施工技术方法,利用工程结构作为悬挑钢平台承力支点,主次钢梁及斜撑杆通过焊接形成持力平台,从而将悬挑结构自重及施工荷载通过钢平台及斜撑杆传递分摊到下层结构楼层上,从而实现了用常规工艺进行高空大跨度悬挑结构的模板支设工作,为钢平台设计搭设提供了理论依据。1工程概况由本公司施工的兰州某能源大厦,位于兰州高新技术开发区,总建筑面积53980m2,框剪剪力墙结构,地上二十五层,地下二层,在二十层处挑出五层结构。悬挑最外沿拉梁的截面尺寸为300mm×800mm,板厚为120mm。采用常规的落地式模板高支撑架无法满足要求,综合考虑上部荷载,结构受力及变形、安全、经济成本等各方面因素,通过建模理论分析计算,采取了在十九层楼面搭设大跨度悬挑支模钢平台,有效地解决了上部悬挑结构施工难题,取得了较好的经济效益和社会效益。2工艺特点(1)本悬挑型钢平台搭设在77.1m高空处,平台尺寸24.2×5m,由型钢挑梁、次梁及斜撑梁通过焊接连接组成主要受力骨架,作为上部钢筋砼结构施工承力平台,经济可行,安全可靠[2]。(2)本悬挑钢平台既做为上部结构模板支撑平台,又做为该悬挑部位安全防护架体搭设支撑平台,既解决了施工难题,又保证了施工安全。(3)对搁置钢梁的楼层梁板进行承载力验算,并适当采取支撑加固措施,同时,对斜撑杆与下层梁连接部位采取预埋扣压固定角钢保护措施,使下层梁受力均匀,并有效保证了斜撑杆与下层梁焊接连接的可靠性,同时又保证了钢平台下部梁板结构的安全。(4)在高空悬挑结构施工中,以悬挑支模钢平台替代传统的落地式高支模支撑体系,避免了现场大量周转材料及劳动力的投入,减轻劳动强度,便于立体交叉作业。(5)施工过程中,对钢平台设置变形监测点进行变形监测,实时了解上部结构施工中悬挑钢平台的受力状况,以便根据情况对施工过程进行调控,保证施工安全。(6)本...

1、当您付费下载文档后,您只拥有了使用权限,并不意味着购买了版权,文档只能用于自身使用,不得用于其他商业用途(如 [转卖]进行直接盈利或[编辑后售卖]进行间接盈利)。
2、本站所有内容均由合作方或网友上传,本站不对文档的完整性、权威性及其观点立场正确性做任何保证或承诺!文档内容仅供研究参考,付费前请自行鉴别。
3、如文档内容存在违规,或者侵犯商业秘密、侵犯著作权等,请点击“违规举报”。

碎片内容

蜗牛文库的最新文档

二年级数学下册其中检测卷二年级数学下册其中检测卷附答案#期中测试卷.pdf
10.00金币
0下载
二年级数学下册期末质检卷(苏教版)二年级数学下册期末质检卷(苏教版)#期末复习 #期末测试卷 #二年级数学 #二年级数学下册#关注我持续更新小学知识.pdf
10.00金币
0下载
二年级数学下册期末混合运算专项练习二年级数学下册期末混合运算专项练习#二年级#二年级数学下册#关注我持续更新小学知识 #知识分享 #家长收藏孩子受益.pdf
10.00金币
1下载
二年级数学下册年月日三类周期问题解题方法二年级数学下册年月日三类周期问题解题方法#二年级#二年级数学下册#知识分享 #关注我持续更新小学知识 #家长收藏孩子受益.pdf
10.00金币
0下载
二年级数学下册解决问题专项训练二年级数学下册解决问题专项训练#专项训练#解决问题#二年级#二年级数学下册#知识分享.pdf
10.00金币
1下载
二年级数学下册还原问题二年级数学下册还原问题#二年级#二年级数学#关注我持续更新小学知识 #知识分享 #家长收藏孩子受益.pdf
10.00金币
1下载
二年级数学下册第六单元考试卷家长打印出来给孩子测试测试争取拿到高分!#小学二年级试卷分享 #二年级第六单考试数学 #第六单考试#二年级数学下册.pdf
10.00金币
0下载
二年级数学下册必背顺口溜口诀汇总二年级数学下册必背顺口溜口诀汇总#二年级#二年级数学下册 #知识分享 #家长收藏孩子受益 #关注我持续更新小学知识.pdf
10.00金币
0下载
二年级数学下册《重点难点思维题》两大问题解决技巧和方法巧算星期几解决周期问题还原问题强化思维训练老师精心整理家长可以打印出来给孩子练习#家长收藏孩子受益 #学霸秘籍 #思维训练 #二年级 #知识点总结.pdf
10.00金币
0下载
二年级数学下册 必背公式大全寒假提前背一背开学更轻松#二年级 #二年级数学 #二年级数学下册 #寒假充电计划 #公式.pdf
10.00金币
0下载
蜗牛文库+ 关注
实名认证
内容提供者

提供各种专业文档内容

确认删除?
QQ
  • QQ点击这里给我发消息
微信客服
  • 微信客服
回到顶部