电脑桌面
添加蜗牛文库到电脑桌面
安装后可以在桌面快捷访问

磷酸铁锂电池生命周期资源耗竭特征化研究_李晓龙.pdfVIP免费

磷酸铁锂电池生命周期资源耗竭特征化研究_李晓龙.pdf_第1页
磷酸铁锂电池生命周期资源耗竭特征化研究_李晓龙.pdf_第2页
磷酸铁锂电池生命周期资源耗竭特征化研究_李晓龙.pdf_第3页
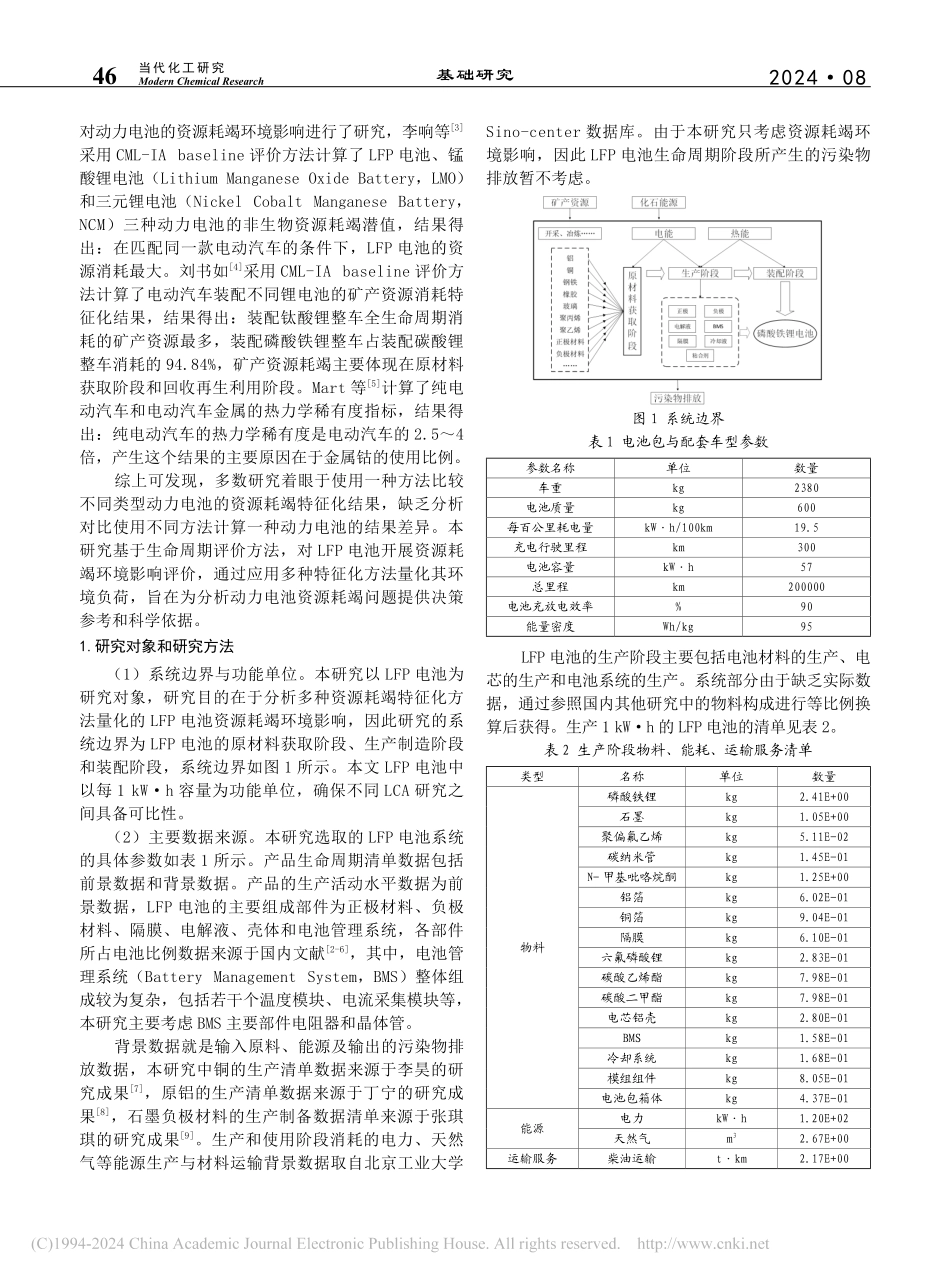
2024·0845ModernChemicalResearch当代化工研究基础研究2024·0845ModernChemicalResearch当代化工研究基础研究磷酸铁锂电池生命周期资源耗竭特征化研究*李晓龙1,2程佳怡1,2黄蕾旭1,2张端1,2孙博学1,2*(1.北京工业大学材料科学与工程学院北京1001242.北京工业大学工业大数据应用技术国家工程实验室北京100124)摘要:磷酸铁锂(LFP)电池产量在我国处于领先地位,伴随着其产量的增加,资源耗竭潜力日渐增大,有必要对LFP电池的资源消耗强度进行评估。目前生命周期评价影响评价过程中有众多资源耗竭特征化方法。在本研究中,选取非生物资源耗竭潜值(ADP)、人为储量扩展的非生物资源耗竭潜值(AADP)、盈余矿石潜力(SOP)、热力学稀有度(TheRy)和累计㶲需求(CExD)五种方法评价LFP电池的资源消耗情况。结果表明:LFP电池生产过程的ADP值为2.29E-01kgSbeq,其中BMS制备过程的贡献最高,占85.24%,金为主要贡献资源;AADP值为2.38E-03kgSbeq,电池正极制备过程的贡献最高,占50.75%,镉为主要贡献资源;SOP值为1.26E+01kgCueq,电池负极制备过程和正极制备过程的贡献均较高,分别占48.53%和44.82%,锂和石墨为主要贡献资源;TheRy值为3.18E+03MJ,电池正极制备过程的贡献最高,占55.40%,铝和锂为主要贡献资源;CExD值为2.91E+02MJ,电池负极制备过程的贡献最高,占56.19%,铜为主要贡献资源。关键词:磷酸铁锂电池;生命周期影响评价;非生物资源耗竭潜力;盈余矿石潜力;热力学稀有度;累计㶲需求中图分类号:X820.3文献标识码:ADOI:10.20087/j.cnki.1672-8114.2024.08.014ResearchontheCharacterizationofLifeCycleResourceDepletionofLithiumIronPhosphateBatteriesLiXiaolong1,2,ChengJiayi1,2,HuangLeixu1,2,ZhangDuan1,2,SunBoxue1,2*(1.CollegeofMaterialsScienceandEngineering,BeijingUniversityofTechnology,Beijing,1001242.NationalEngineeringLaboratoryforIndustrialBigDataApplicationTechnology,BeijingUniversityofTechnology,Beijing,100124)Abstract:Lithiumironphosphate(LFP)batteryproductionisattheforefrontinChina.alongwiththeincreasingproductionofLFPbatteries,thepotentialforresourcedepletionisgrowing.ItisnecessarytoassesstheresourceconsumptionintensityofLFPbatteries.Currently,therearevariousmethodsforcharacterizingresourcedepletioninthelifecycleassessmentimpactassessmentprocess.Inthiss...

1、当您付费下载文档后,您只拥有了使用权限,并不意味着购买了版权,文档只能用于自身使用,不得用于其他商业用途(如 [转卖]进行直接盈利或[编辑后售卖]进行间接盈利)。
2、本站所有内容均由合作方或网友上传,本站不对文档的完整性、权威性及其观点立场正确性做任何保证或承诺!文档内容仅供研究参考,付费前请自行鉴别。
3、如文档内容存在违规,或者侵犯商业秘密、侵犯著作权等,请点击“违规举报”。

碎片内容

蜗牛文库的最新文档

二年级数学下册其中检测卷二年级数学下册其中检测卷附答案#期中测试卷.pdf
10.00金币
0下载
二年级数学下册期末质检卷(苏教版)二年级数学下册期末质检卷(苏教版)#期末复习 #期末测试卷 #二年级数学 #二年级数学下册#关注我持续更新小学知识.pdf
10.00金币
0下载
二年级数学下册期末混合运算专项练习二年级数学下册期末混合运算专项练习#二年级#二年级数学下册#关注我持续更新小学知识 #知识分享 #家长收藏孩子受益.pdf
10.00金币
1下载
二年级数学下册年月日三类周期问题解题方法二年级数学下册年月日三类周期问题解题方法#二年级#二年级数学下册#知识分享 #关注我持续更新小学知识 #家长收藏孩子受益.pdf
10.00金币
0下载
二年级数学下册解决问题专项训练二年级数学下册解决问题专项训练#专项训练#解决问题#二年级#二年级数学下册#知识分享.pdf
10.00金币
1下载
二年级数学下册还原问题二年级数学下册还原问题#二年级#二年级数学#关注我持续更新小学知识 #知识分享 #家长收藏孩子受益.pdf
10.00金币
1下载
二年级数学下册第六单元考试卷家长打印出来给孩子测试测试争取拿到高分!#小学二年级试卷分享 #二年级第六单考试数学 #第六单考试#二年级数学下册.pdf
10.00金币
0下载
二年级数学下册必背顺口溜口诀汇总二年级数学下册必背顺口溜口诀汇总#二年级#二年级数学下册 #知识分享 #家长收藏孩子受益 #关注我持续更新小学知识.pdf
10.00金币
0下载
二年级数学下册《重点难点思维题》两大问题解决技巧和方法巧算星期几解决周期问题还原问题强化思维训练老师精心整理家长可以打印出来给孩子练习#家长收藏孩子受益 #学霸秘籍 #思维训练 #二年级 #知识点总结.pdf
10.00金币
0下载
二年级数学下册 必背公式大全寒假提前背一背开学更轻松#二年级 #二年级数学 #二年级数学下册 #寒假充电计划 #公式.pdf
10.00金币
0下载
蜗牛文库+ 关注
实名认证
内容提供者

提供各种专业文档内容

确认删除?
QQ
  • QQ点击这里给我发消息
微信客服
  • 微信客服
回到顶部