电脑桌面
添加蜗牛文库到电脑桌面
安装后可以在桌面快捷访问

大尺寸插头PCB加工研究.pdfVIP免费

大尺寸插头PCB加工研究.pdf_第1页
大尺寸插头PCB加工研究.pdf_第2页
大尺寸插头PCB加工研究.pdf_第3页
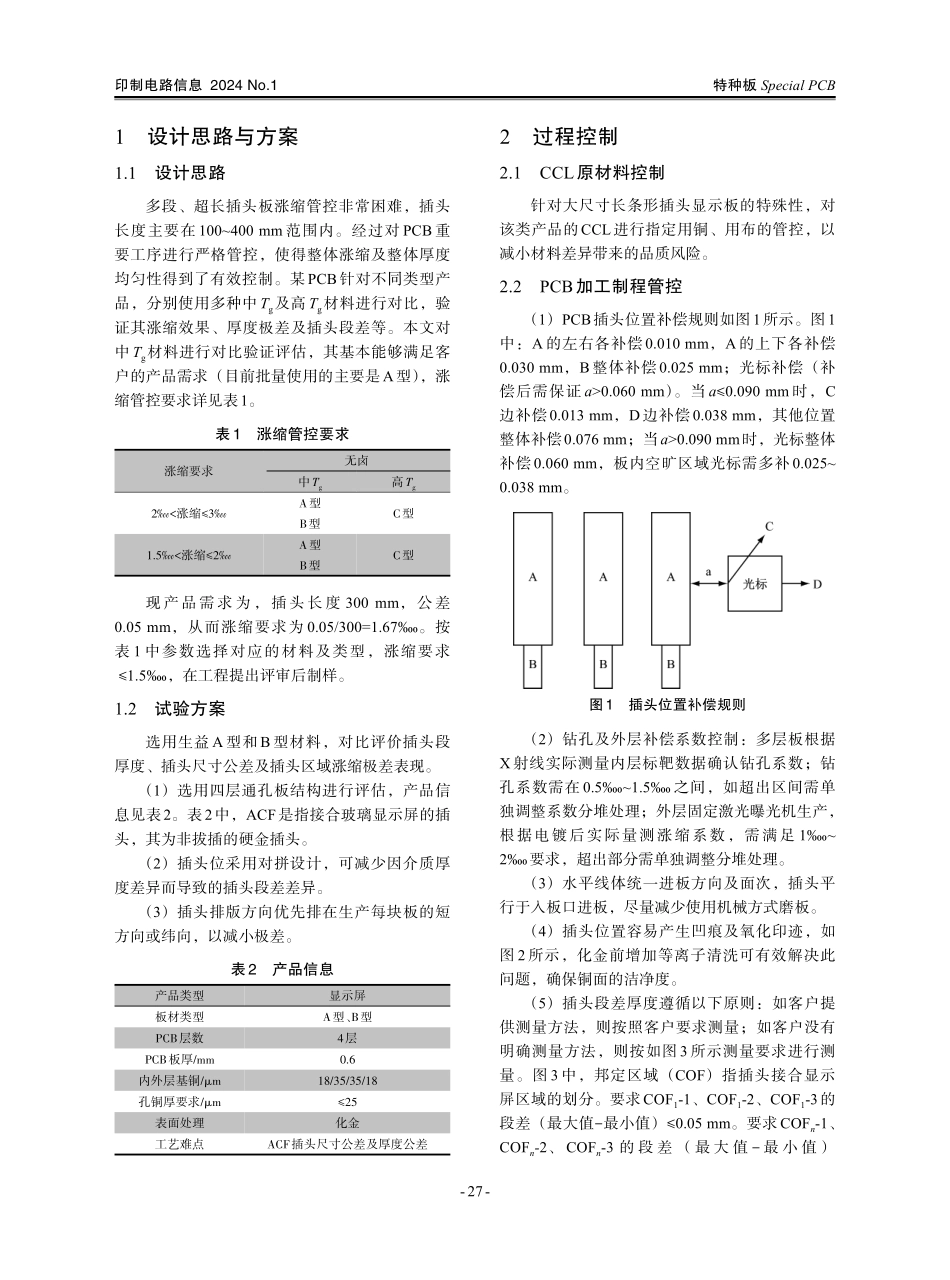
特种板SpecialPCB印制电路信息2024No.1大尺寸插头PCB加工研究黄锐王立峰(广东生益科技股份有限公司,广东东莞523039)摘要随着各行业对显示屏需求的不断增加,显示屏越来越需要满足多元化设计要求。印制插头作为印制电路板(PCB)对位连接网络的必需端口,具有一定特殊性,与其连接的主板需要精密对位、高度重合,这就要求插头的涨缩尺寸保持稳定,厚度均匀性须一致。从覆铜板(CCL)及PCB过程管控入手,对显示屏用大尺寸插头PCB加工案例进行验证总结,为该类产品的加工提供一套解决方案。关键词大屏显示器;多元化;过程管制中图分类号:TN41文献标志码:A文章编号:1009⁃0096(2024)01⁃0026⁃04Studyontheprocessingoflarge-sizeplugPCBHUANGRuiWANGLifeng(ShengyiTechnologyCo.,Ltd.,Dongguan523039,Guangdong,China)AbstractWiththeincreasingdemandfordisplays,diversificationdesignisbecomingnecessaryforfuturedisplayscreens,Plugcontactisanecessaryportfortheprintedcircuitboard(PCB)toconnecttothenetwork.Theparticularityofplugcontact,aswellastherequirementsofprecisealignmentandhighoverlappingonthemainboardconnectedtotheplugcontact,requirestableexpansionandshrinkageandconsistentthicknessuniformityoftheplug..Fromtheperspectiveofcoppercladlaminate(CCL)materialsandPCBprocesscontrol,casestudyiscarriedoutforthelarge-sizeplugPCBfordisplayscreens.Asetofsolutionisgivenfortheprocessingofsuchproducts.Keywordslargescreendisplay;diversification;processcontrol0引言随着显示屏技术的不断提升,对显示屏的先进性、稳定性的要求将越来越高,这对覆铜板(coppercladlaminate,CCL)和印制电路板(printedcircuitboard,PCB)的生产都是一种挑战。电子设备无论内核如何优秀,都需要一块性能优异的屏幕来呈现。某PCB工厂从2021年开始,陆续使用生益CCL(A型)生产光电显示屏PCB。该PCB插头位密集、间距小、厚度较薄且呈长条形,这对材料的涨缩控制是个较大的挑战。现对400mm长度的大尺寸长条形插头板进行了加工,经过大量试验验证,最终通过一些控制手段基本上满足了产品的要求。在此过程中积累的一些技术经验,可为加工类似产品提供较好的依据。作者简介:黄锐(1982—),男,工程师,本科,主要研究方向为CCL材料应用、PCB加工。--26印制电路信息2024No.1特种板SpecialPCB1设计思路与方案1.1设计思路多...

1、当您付费下载文档后,您只拥有了使用权限,并不意味着购买了版权,文档只能用于自身使用,不得用于其他商业用途(如 [转卖]进行直接盈利或[编辑后售卖]进行间接盈利)。
2、本站所有内容均由合作方或网友上传,本站不对文档的完整性、权威性及其观点立场正确性做任何保证或承诺!文档内容仅供研究参考,付费前请自行鉴别。
3、如文档内容存在违规,或者侵犯商业秘密、侵犯著作权等,请点击“违规举报”。

碎片内容

蜗牛文库的最新文档

二年级数学下册其中检测卷二年级数学下册其中检测卷附答案#期中测试卷.pdf
10.00金币
0下载
二年级数学下册期末质检卷(苏教版)二年级数学下册期末质检卷(苏教版)#期末复习 #期末测试卷 #二年级数学 #二年级数学下册#关注我持续更新小学知识.pdf
10.00金币
0下载
二年级数学下册期末混合运算专项练习二年级数学下册期末混合运算专项练习#二年级#二年级数学下册#关注我持续更新小学知识 #知识分享 #家长收藏孩子受益.pdf
10.00金币
1下载
二年级数学下册年月日三类周期问题解题方法二年级数学下册年月日三类周期问题解题方法#二年级#二年级数学下册#知识分享 #关注我持续更新小学知识 #家长收藏孩子受益.pdf
10.00金币
0下载
二年级数学下册解决问题专项训练二年级数学下册解决问题专项训练#专项训练#解决问题#二年级#二年级数学下册#知识分享.pdf
10.00金币
1下载
二年级数学下册还原问题二年级数学下册还原问题#二年级#二年级数学#关注我持续更新小学知识 #知识分享 #家长收藏孩子受益.pdf
10.00金币
1下载
二年级数学下册第六单元考试卷家长打印出来给孩子测试测试争取拿到高分!#小学二年级试卷分享 #二年级第六单考试数学 #第六单考试#二年级数学下册.pdf
10.00金币
0下载
二年级数学下册必背顺口溜口诀汇总二年级数学下册必背顺口溜口诀汇总#二年级#二年级数学下册 #知识分享 #家长收藏孩子受益 #关注我持续更新小学知识.pdf
10.00金币
0下载
二年级数学下册《重点难点思维题》两大问题解决技巧和方法巧算星期几解决周期问题还原问题强化思维训练老师精心整理家长可以打印出来给孩子练习#家长收藏孩子受益 #学霸秘籍 #思维训练 #二年级 #知识点总结.pdf
10.00金币
0下载
二年级数学下册 必背公式大全寒假提前背一背开学更轻松#二年级 #二年级数学 #二年级数学下册 #寒假充电计划 #公式.pdf
10.00金币
0下载
蜗牛文库+ 关注
实名认证
内容提供者

提供各种专业文档内容

确认删除?
QQ
  • QQ点击这里给我发消息
微信客服
  • 微信客服
回到顶部