电脑桌面
添加蜗牛文库到电脑桌面
安装后可以在桌面快捷访问

焦家寨矿深井高地应力切顶护大巷关键技术研究.pdfVIP免费

焦家寨矿深井高地应力切顶护大巷关键技术研究.pdf_第1页
焦家寨矿深井高地应力切顶护大巷关键技术研究.pdf_第2页
焦家寨矿深井高地应力切顶护大巷关键技术研究.pdf_第3页
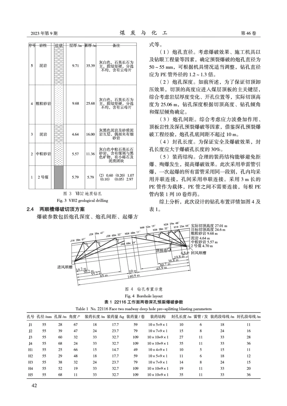
第46卷第9期2023年9月采矿与井巷工程焦家寨矿深井高地应力切顶护大巷关键技术研究煤炭与化工CoalandChemicalIndustryVol.46No.9Sep.2023张金龙(晋能控股煤业集团轩岗煤电有限责任公司,山西忻州034114)摘要:为解决焦家寨矿221采区巷道在采动影响下失稳破坏的问题,以该采区22116综放工作面为工程背景,通过理论分析、工程类比、现场监测等手段进行切顶卸压护巷技术的研究和实践。研究结果表明,工作面适用爆破预裂切顶技术,爆破切顶位置设置在停采线后方20m处较合理,此次切顶目标岩层为9.68m的粗粒砂岩主关键层,切顶后轨道上山在采动影响下围岩变形量增幅很小,保护了采区巷道。关键词:厚煤层;爆破预裂;停采线;采区大巷中图分类号:TD35ResearchonkeytechnologyofhighgroundstressroofcuttingroadwayindeepmineofJiaojiazhaiMine(JinnengHoldingCoalGroupXuangangCoalandElectricityCo.,Ltd.,Xinzhou034114,China)Abstract:Inordertosolvetheproblemofinstabilityandfailureofroadwayin221miningareaofJiaojiazhaiMineundertheinfluenceofmining,takingthe22116fullymechanizedcavingfaceintheminingareaastheengineeringbackground,theresearchandpracticeofroofcuttingandpressurereliefroadwayprotectiontechnologyarecarriedoutbymeansoftheoreticalanalysis,engineeringanalogyandfieldmonitoring.Theresearchresultsshowthattheblastingpre-splitingroofcuttingtechnologyissuitablefortheworkingface,anditismorereasonabletosettheblastingroofcuttingpositionat20mbehindthestopline.Thetargetrockstratumofthisroofcuttingis9.68mcoarse-grainedsandstonemainkeystratum.Aftertheroofcutting,thedeformationofthesurroundingrockincreaseslitleundertheinfluenceofmining,whichprotectstheroadwayintheminingarea.Keywords:thickcoalseam;blastingpre-splitting;stoppingline;miningarearoadway文献标识码:BZhangJinlong文章编号:2095-5979(2023)09-0040-04煤工作面之间的关系如图1所示,自西向东分别为1概况221区皮带下山延深、回风下山延深、轨道下山延焦家寨矿221采区下山延深共3条下山,平均深,下山之间间距31.3m和36m。2号煤层平均埋深超过600m,22116工作面位于矿井+680水厚度4.7m,最大厚度7.3m,采用低位放顶煤回采平,扩221采区,开采2号煤层,工作面走向长方法,采高较大,采动影响范围远,采动压力较810m,倾...

1、当您付费下载文档后,您只拥有了使用权限,并不意味着购买了版权,文档只能用于自身使用,不得用于其他商业用途(如 [转卖]进行直接盈利或[编辑后售卖]进行间接盈利)。
2、本站所有内容均由合作方或网友上传,本站不对文档的完整性、权威性及其观点立场正确性做任何保证或承诺!文档内容仅供研究参考,付费前请自行鉴别。
3、如文档内容存在违规,或者侵犯商业秘密、侵犯著作权等,请点击“违规举报”。

碎片内容

蜗牛文库的最新文档

二年级数学下册其中检测卷二年级数学下册其中检测卷附答案#期中测试卷.pdf
10.00金币
0下载
二年级数学下册期末质检卷(苏教版)二年级数学下册期末质检卷(苏教版)#期末复习 #期末测试卷 #二年级数学 #二年级数学下册#关注我持续更新小学知识.pdf
10.00金币
0下载
二年级数学下册期末混合运算专项练习二年级数学下册期末混合运算专项练习#二年级#二年级数学下册#关注我持续更新小学知识 #知识分享 #家长收藏孩子受益.pdf
10.00金币
1下载
二年级数学下册年月日三类周期问题解题方法二年级数学下册年月日三类周期问题解题方法#二年级#二年级数学下册#知识分享 #关注我持续更新小学知识 #家长收藏孩子受益.pdf
10.00金币
0下载
二年级数学下册解决问题专项训练二年级数学下册解决问题专项训练#专项训练#解决问题#二年级#二年级数学下册#知识分享.pdf
10.00金币
1下载
二年级数学下册还原问题二年级数学下册还原问题#二年级#二年级数学#关注我持续更新小学知识 #知识分享 #家长收藏孩子受益.pdf
10.00金币
1下载
二年级数学下册第六单元考试卷家长打印出来给孩子测试测试争取拿到高分!#小学二年级试卷分享 #二年级第六单考试数学 #第六单考试#二年级数学下册.pdf
10.00金币
0下载
二年级数学下册必背顺口溜口诀汇总二年级数学下册必背顺口溜口诀汇总#二年级#二年级数学下册 #知识分享 #家长收藏孩子受益 #关注我持续更新小学知识.pdf
10.00金币
0下载
二年级数学下册《重点难点思维题》两大问题解决技巧和方法巧算星期几解决周期问题还原问题强化思维训练老师精心整理家长可以打印出来给孩子练习#家长收藏孩子受益 #学霸秘籍 #思维训练 #二年级 #知识点总结.pdf
10.00金币
0下载
二年级数学下册 必背公式大全寒假提前背一背开学更轻松#二年级 #二年级数学 #二年级数学下册 #寒假充电计划 #公式.pdf
10.00金币
0下载
蜗牛文库+ 关注
实名认证
内容提供者

提供各种专业文档内容

确认删除?
QQ
  • QQ点击这里给我发消息
微信客服
  • 微信客服
回到顶部