电脑桌面
添加蜗牛文库到电脑桌面
安装后可以在桌面快捷访问

2022一建建筑冲刺讲义(全).pdfVIP免费

2022一建建筑冲刺讲义(全).pdf_第1页
2022一建建筑冲刺讲义(全).pdf_第2页
2022一建建筑冲刺讲义(全).pdf_第3页
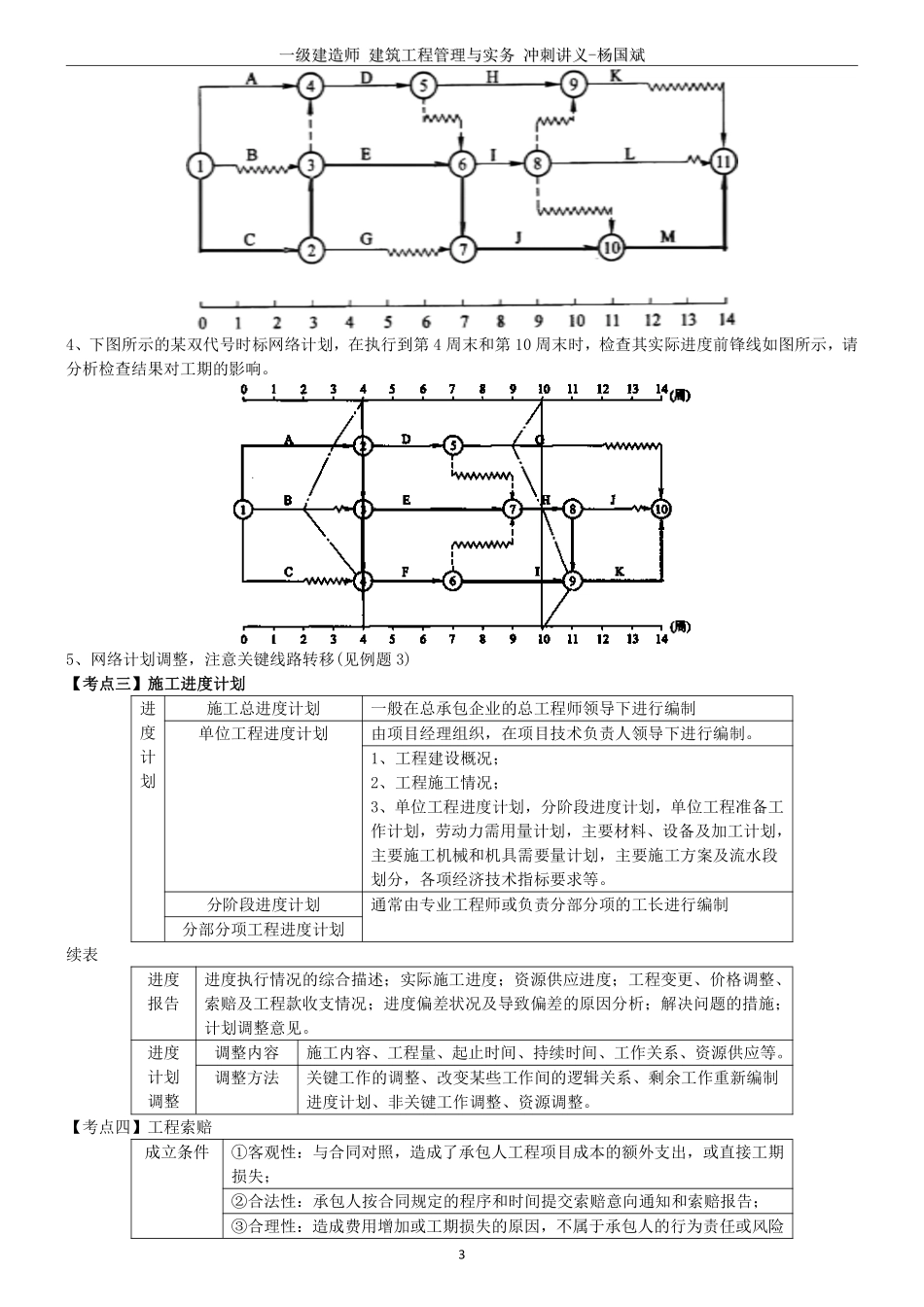
一级建造师一级建造师建筑工程管理与实务建筑工程管理与实务冲刺讲义冲刺讲义--杨国斌杨国斌12022年一级建造师《建筑工程管理与实务》冲刺课讲义一级建造师一级建造师建筑工程管理与实务建筑工程管理与实务冲刺讲义冲刺讲义--杨国斌杨国斌2本本课程考试基本情况课程考试基本情况1、考试题型:客观题【40分,比重25%】,主观题【120分,比重75%】①客观题:单项选择【20题,每题1分,共20分】;多项选择【10题,每题2分,共20分】,基本上以教材第一章、第三章内容为考点,同时也涉及到第二章的内容。②主观题:实务操作与案例分析题【5题,每题20~30分,共120分】,主要以教材第二章、第一章施工技术部分和第三章法规为考点,个别考点涉及《项目管理》、《工程经济》、《建设工程法规》课程。案例的考试题型主要有问答题、判断改错题、计算题、实操题、绘图题。2、建筑实务难在技术,关键在管理,答题多技巧,要注意技术与管理知识点结合,以现场、安全、技术、质量为主线。第一部分建筑工程管理实务第一部分建筑工程管理实务模块一模块一施工进度管理与工程索赔施工进度管理与工程索赔【考点一】流水施工1、流水施工形式:等节奏流水、异节奏流水、无节奏流水2、流水施工参数计算①对加快节拍流水:流水步距K=流水节拍最大公约数施工班组数n=流水节拍/K;总班组数N=Σn工期=(M+N-1)K+G②对其他流水方式:流水步距K=累加斜减取大差工期=ΣK+Tn3、注意流水节拍表格形式:4、注意层间流水施工(见例题1)【考点二】网络计划技术1、绘制双代号网络图(见例题2)2、双代号网络图:关键线路分析、总时差分析3、时标网络图某时标网络图如下,请分析关键线路,分析I工作总时差。一级建造师一级建造师建筑工程管理与实务建筑工程管理与实务冲刺讲义冲刺讲义--杨国斌杨国斌34、下图所示的某双代号时标网络计划,在执行到第4周末和第10周末时,检查其实际进度前锋线如图所示,请分析检查结果对工期的影响。5、网络计划调整,注意关键线路转移(见例题3)【考点三】施工进度计划进度计划施工总进度计划一般在总承包企业的总工程师领导下进行编制单位工程进度计划由项目经理组织,在项目技术负责人领导下进行编制。1、工程建设概况;2、工程施工情况;3、单位工程进度计划,分阶段进度计划,单位工程准备工作计划,劳动力需用量计划,主要材料、设备及加工计划,主要施工机械和机具需要量计划,主要施工方案及流水段划分,各项经济技术指标要求等。分阶段进度计...

1、当您付费下载文档后,您只拥有了使用权限,并不意味着购买了版权,文档只能用于自身使用,不得用于其他商业用途(如 [转卖]进行直接盈利或[编辑后售卖]进行间接盈利)。
2、本站所有内容均由合作方或网友上传,本站不对文档的完整性、权威性及其观点立场正确性做任何保证或承诺!文档内容仅供研究参考,付费前请自行鉴别。
3、如文档内容存在违规,或者侵犯商业秘密、侵犯著作权等,请点击“违规举报”。

碎片内容

蜗牛文库的最新文档

二年级数学下册其中检测卷二年级数学下册其中检测卷附答案#期中测试卷.pdf
10.00金币
0下载
二年级数学下册期末质检卷(苏教版)二年级数学下册期末质检卷(苏教版)#期末复习 #期末测试卷 #二年级数学 #二年级数学下册#关注我持续更新小学知识.pdf
10.00金币
0下载
二年级数学下册期末混合运算专项练习二年级数学下册期末混合运算专项练习#二年级#二年级数学下册#关注我持续更新小学知识 #知识分享 #家长收藏孩子受益.pdf
10.00金币
1下载
二年级数学下册年月日三类周期问题解题方法二年级数学下册年月日三类周期问题解题方法#二年级#二年级数学下册#知识分享 #关注我持续更新小学知识 #家长收藏孩子受益.pdf
10.00金币
0下载
二年级数学下册解决问题专项训练二年级数学下册解决问题专项训练#专项训练#解决问题#二年级#二年级数学下册#知识分享.pdf
10.00金币
1下载
二年级数学下册还原问题二年级数学下册还原问题#二年级#二年级数学#关注我持续更新小学知识 #知识分享 #家长收藏孩子受益.pdf
10.00金币
1下载
二年级数学下册第六单元考试卷家长打印出来给孩子测试测试争取拿到高分!#小学二年级试卷分享 #二年级第六单考试数学 #第六单考试#二年级数学下册.pdf
10.00金币
0下载
二年级数学下册必背顺口溜口诀汇总二年级数学下册必背顺口溜口诀汇总#二年级#二年级数学下册 #知识分享 #家长收藏孩子受益 #关注我持续更新小学知识.pdf
10.00金币
0下载
二年级数学下册《重点难点思维题》两大问题解决技巧和方法巧算星期几解决周期问题还原问题强化思维训练老师精心整理家长可以打印出来给孩子练习#家长收藏孩子受益 #学霸秘籍 #思维训练 #二年级 #知识点总结.pdf
10.00金币
0下载
二年级数学下册 必背公式大全寒假提前背一背开学更轻松#二年级 #二年级数学 #二年级数学下册 #寒假充电计划 #公式.pdf
10.00金币
0下载
蜗牛文库+ 关注
实名认证
内容提供者

提供各种专业文档内容

确认删除?
QQ
  • QQ点击这里给我发消息
微信客服
  • 微信客服
回到顶部