电脑桌面
添加蜗牛文库到电脑桌面
安装后可以在桌面快捷访问

第9讲机电工程焊接技术2.pdfVIP免费

第9讲机电工程焊接技术2.pdf_第1页
第9讲机电工程焊接技术2.pdf_第2页
第9讲机电工程焊接技术2.pdf_第3页
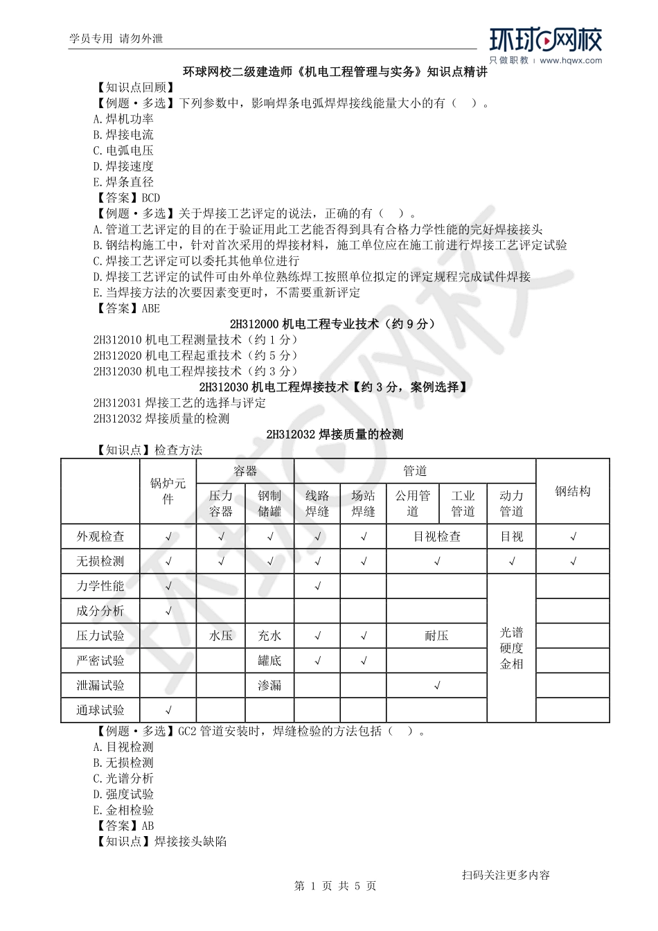
学员专用请勿外泄第1页共5页扫码关注更多内容环球网校二级建造师《机电工程管理与实务》知识点精讲【知识点回顾】【例题·多选】下列参数中,影响焊条电弧焊焊接线能量大小的有()。A.焊机功率B.焊接电流C.电弧电压D.焊接速度E.焊条直径【答案】BCD【例题·多选】关于焊接工艺评定的说法,正确的有()。A.管道工艺评定的目的在于验证用此工艺能否得到具有合格力学性能的完好焊接接头B.钢结构施工中,针对首次采用的焊接材料,施工单位应在施工前进行焊接工艺评定试验C.焊接工艺评定可以委托其他单位进行D.焊接工艺评定的试件可由外单位熟练焊工按照单位拟定的评定规程完成试件焊接E.当焊接方法的次要因素变更时,不需要重新评定【答案】ABE2H312000机电工程专业技术(约9分)2H312010机电工程测量技术(约1分)2H312020机电工程起重技术(约5分)2H312030机电工程焊接技术(约3分)2H312030机电工程焊接技术【约3分,案例选择】2H312031焊接工艺的选择与评定2H312032焊接质量的检测2H312032焊接质量的检测【知识点】检查方法锅炉元件容器管道钢结构压力容器钢制储罐线路焊缝场站焊缝公用管道工业管道动力管道外观检查√√√√√目视检查目视√无损检测√√√√√√√√力学性能√√光谱硬度金相成分分析√压力试验水压充水√√耐压严密试验罐底√√泄漏试验渗漏√通球试验√【例题·多选】GC2管道安装时,焊缝检验的方法包括()。A.目视检测B.无损检测C.光谱分析D.强度试验E.金相检验【答案】AB【知识点】焊接接头缺陷学员专用请勿外泄第2页共5页扫码关注更多内容1.缺陷分类(1)焊接缺欠(2)焊接缺陷按缺陷形态平面型缺陷:裂纹、未熔合体积型缺陷:气孔、夹渣按缺陷位置表面缺陷:尺寸不符、咬边、表面气孔、表面夹渣、表面裂纹、焊瘤、弧坑内部缺陷:气孔、夹渣、裂纹、未熔合、偏析、显微组织按缺陷的可见度宏观缺陷、微观缺陷2.焊接缺陷对焊接接头机械性能的影响裂纹是焊接中最危险的缺陷。【例题·多选】焊接内部质量缺陷包括()。A.气孔B.焊瘤C.裂纹D.未熔合E.弧坑【答案】ACD【例题·案例节选】【背景资料】监理工程师在检查钢结构一级焊缝表面质量时,发现存在咬边、未焊满、根部收缩、弧坑、裂纹等质量缺陷,要求项目部加强焊工的培训并对焊工的资质进行了再次核查。项目部进行整顿和培训,作业人员的技术水平达到要求,项目进展顺利按时完工。【问题】钢结构的一级焊缝中还可能存在哪些表面质量缺陷?【参考答案】钢结构的一级焊缝...

1、当您付费下载文档后,您只拥有了使用权限,并不意味着购买了版权,文档只能用于自身使用,不得用于其他商业用途(如 [转卖]进行直接盈利或[编辑后售卖]进行间接盈利)。
2、本站所有内容均由合作方或网友上传,本站不对文档的完整性、权威性及其观点立场正确性做任何保证或承诺!文档内容仅供研究参考,付费前请自行鉴别。
3、如文档内容存在违规,或者侵犯商业秘密、侵犯著作权等,请点击“违规举报”。

碎片内容

蜗牛文库的最新文档

二年级数学下册其中检测卷二年级数学下册其中检测卷附答案#期中测试卷.pdf
10.00金币
0下载
二年级数学下册期末质检卷(苏教版)二年级数学下册期末质检卷(苏教版)#期末复习 #期末测试卷 #二年级数学 #二年级数学下册#关注我持续更新小学知识.pdf
10.00金币
0下载
二年级数学下册期末混合运算专项练习二年级数学下册期末混合运算专项练习#二年级#二年级数学下册#关注我持续更新小学知识 #知识分享 #家长收藏孩子受益.pdf
10.00金币
1下载
二年级数学下册年月日三类周期问题解题方法二年级数学下册年月日三类周期问题解题方法#二年级#二年级数学下册#知识分享 #关注我持续更新小学知识 #家长收藏孩子受益.pdf
10.00金币
0下载
二年级数学下册解决问题专项训练二年级数学下册解决问题专项训练#专项训练#解决问题#二年级#二年级数学下册#知识分享.pdf
10.00金币
1下载
二年级数学下册还原问题二年级数学下册还原问题#二年级#二年级数学#关注我持续更新小学知识 #知识分享 #家长收藏孩子受益.pdf
10.00金币
1下载
二年级数学下册第六单元考试卷家长打印出来给孩子测试测试争取拿到高分!#小学二年级试卷分享 #二年级第六单考试数学 #第六单考试#二年级数学下册.pdf
10.00金币
0下载
二年级数学下册必背顺口溜口诀汇总二年级数学下册必背顺口溜口诀汇总#二年级#二年级数学下册 #知识分享 #家长收藏孩子受益 #关注我持续更新小学知识.pdf
10.00金币
0下载
二年级数学下册《重点难点思维题》两大问题解决技巧和方法巧算星期几解决周期问题还原问题强化思维训练老师精心整理家长可以打印出来给孩子练习#家长收藏孩子受益 #学霸秘籍 #思维训练 #二年级 #知识点总结.pdf
10.00金币
0下载
二年级数学下册 必背公式大全寒假提前背一背开学更轻松#二年级 #二年级数学 #二年级数学下册 #寒假充电计划 #公式.pdf
10.00金币
0下载
蜗牛文库+ 关注
实名认证
内容提供者

提供各种专业文档内容

确认删除?
QQ
  • QQ点击这里给我发消息
微信客服
  • 微信客服
回到顶部