电脑桌面
添加蜗牛文库到电脑桌面
安装后可以在桌面快捷访问

【建筑】基础精学21-土方工程施工4.pdfVIP免费

【建筑】基础精学21-土方工程施工4.pdf_第1页
【建筑】基础精学21-土方工程施工4.pdf_第2页
【建筑】基础精学21-土方工程施工4.pdf_第3页
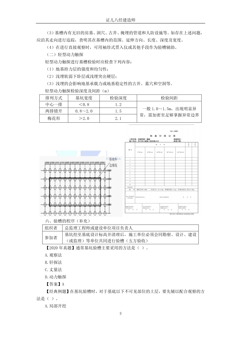
证儿八经建造师1思维导图基坑验槽方法★内容:验槽具备的资料和条件天然地基验槽地基处理工程验槽桩基工程验槽验槽方法考频:年份2018201920202021题型------单选单选分值0011考点:基坑验槽方法一、验槽具备的资料和条件(1)勘察、设计、建设、监理、施工等相关单位技术人员到场;(2)地基基础设计文件;(3)岩土工程勘察报告;(4)轻型动力触探记录(可不进行时除外);(5)地基处理或深基础施工质量检测报告;(6)基底应为无扰动的原状土,留置有保护层时其厚度不应超过100mm。二、天然地基验槽1.天然地基验槽内容(1)根据勘察、设计文件核对基坑的位置、平面尺寸、坑底标高;(2)根据勘察报告核对坑底、坑边岩土体及地下水情况;(3)检查空穴、古井、古墓、暗沟、地下埋设物及防空掩体等情况,并应查明其位置、深度和性状;(4)检查基坑底土质的扰动情况及扰动的范围和程度;证儿八经建造师2(5)检查基坑底土质受到冰冻、干裂、受水冲刷或浸泡等扰动情况,并查明影响范围和深度。2.天然地基验槽前应在基坑(槽)底普遍进行轻型动力触探检验,检验数据作为验槽依据。遇到下列情况之一时,可不进行轻型动力触探:(1)承压水头可能高于基坑底面标高,触探可造成冒水涌砂时;(2)基坑持力层为砾石层或卵石层,且基底以下砾石层和卵石层厚度大于1m时;(3)基础持力层为均匀、密实砂层,且基底以下厚度大于1.5m时。三、地基处理工程验槽对于换填地基、强夯地基,应现场检查:处理后的地基均匀性、密实度等检测报告和承载力检测资料。对于增强体复合地基,应现场检查:桩头、桩位、桩间土情况和复合地基施工质量检测报告。对于特殊土地基,应现场检查:处理后地基的湿陷性、地震液化、冻土保温、膨胀土隔水等方面的处理效果检测资料。四、桩基工程验槽设计计算中考虑桩筏基础、低桩承台等桩间土共同作用时,应在开挖清理至设计标高后对桩间土进行检验。五、验槽方法验槽方法通常主要采用观察法,而对于基底以下的土层不可见部位,要先辅以钎探法配合共同完成。(一)观察法(1)观察槽壁、槽底的土质情况,验证基槽开挖深度,初步验证基槽底部土质是否与勘察报告相符,观察槽底土质结构是否被人为破坏。(2)基槽边坡是否稳定,是否有影响边坡稳定的因素存在,如地下渗水、坑边堆载或近距离扰动等(对难于鉴别的土质,应采用洛阳铲等手段挖至一定深度仔细鉴别)证儿八经建造师3(3)基槽内有无旧的房基、洞穴、古井、掩埋的管道和人防设...

1、当您付费下载文档后,您只拥有了使用权限,并不意味着购买了版权,文档只能用于自身使用,不得用于其他商业用途(如 [转卖]进行直接盈利或[编辑后售卖]进行间接盈利)。
2、本站所有内容均由合作方或网友上传,本站不对文档的完整性、权威性及其观点立场正确性做任何保证或承诺!文档内容仅供研究参考,付费前请自行鉴别。
3、如文档内容存在违规,或者侵犯商业秘密、侵犯著作权等,请点击“违规举报”。

碎片内容

蜗牛文库的最新文档

二年级数学下册其中检测卷二年级数学下册其中检测卷附答案#期中测试卷.pdf
10.00金币
0下载
二年级数学下册期末质检卷(苏教版)二年级数学下册期末质检卷(苏教版)#期末复习 #期末测试卷 #二年级数学 #二年级数学下册#关注我持续更新小学知识.pdf
10.00金币
0下载
二年级数学下册期末混合运算专项练习二年级数学下册期末混合运算专项练习#二年级#二年级数学下册#关注我持续更新小学知识 #知识分享 #家长收藏孩子受益.pdf
10.00金币
1下载
二年级数学下册年月日三类周期问题解题方法二年级数学下册年月日三类周期问题解题方法#二年级#二年级数学下册#知识分享 #关注我持续更新小学知识 #家长收藏孩子受益.pdf
10.00金币
0下载
二年级数学下册解决问题专项训练二年级数学下册解决问题专项训练#专项训练#解决问题#二年级#二年级数学下册#知识分享.pdf
10.00金币
1下载
二年级数学下册还原问题二年级数学下册还原问题#二年级#二年级数学#关注我持续更新小学知识 #知识分享 #家长收藏孩子受益.pdf
10.00金币
1下载
二年级数学下册第六单元考试卷家长打印出来给孩子测试测试争取拿到高分!#小学二年级试卷分享 #二年级第六单考试数学 #第六单考试#二年级数学下册.pdf
10.00金币
0下载
二年级数学下册必背顺口溜口诀汇总二年级数学下册必背顺口溜口诀汇总#二年级#二年级数学下册 #知识分享 #家长收藏孩子受益 #关注我持续更新小学知识.pdf
10.00金币
0下载
二年级数学下册《重点难点思维题》两大问题解决技巧和方法巧算星期几解决周期问题还原问题强化思维训练老师精心整理家长可以打印出来给孩子练习#家长收藏孩子受益 #学霸秘籍 #思维训练 #二年级 #知识点总结.pdf
10.00金币
0下载
二年级数学下册 必背公式大全寒假提前背一背开学更轻松#二年级 #二年级数学 #二年级数学下册 #寒假充电计划 #公式.pdf
10.00金币
0下载
蜗牛文库+ 关注
实名认证
内容提供者

提供各种专业文档内容

确认删除?
QQ
  • QQ点击这里给我发消息
微信客服
  • 微信客服
回到顶部