电脑桌面
添加蜗牛文库到电脑桌面
安装后可以在桌面快捷访问

03-某飞燕式钢管混凝土系杆拱桥动力特性分析.pdfVIP免费

03-某飞燕式钢管混凝土系杆拱桥动力特性分析.pdf_第1页
03-某飞燕式钢管混凝土系杆拱桥动力特性分析.pdf_第2页
03-某飞燕式钢管混凝土系杆拱桥动力特性分析.pdf_第3页
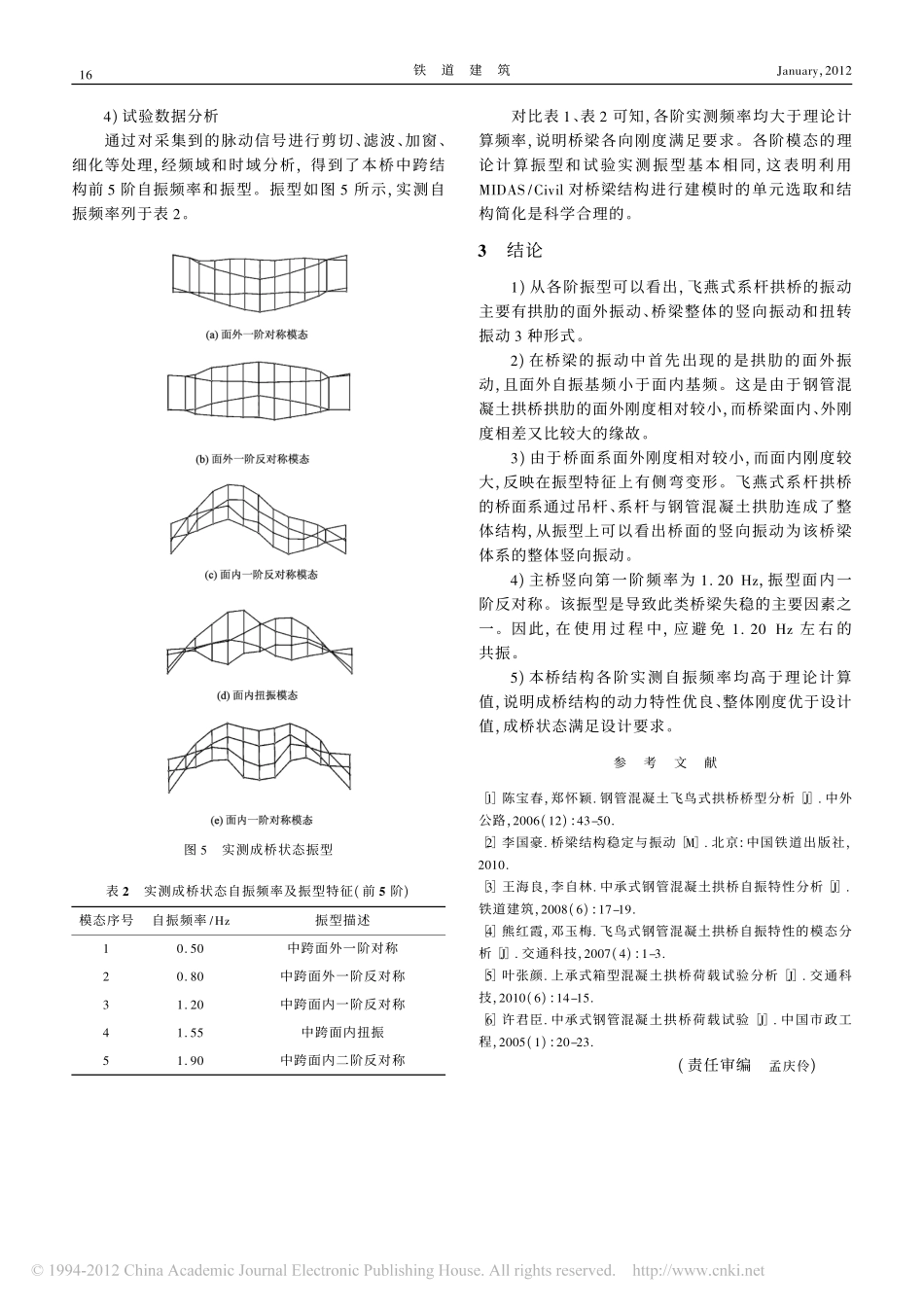
铁道建筑RailwayEngineeringJanuary,2012文章编号:1003-1995(2012)01-0014-03某飞燕式钢管混凝土系杆拱桥动力特性分析李闯1,唐英2(1.中国铁道科学研究院研究生部,北京100081;2.中铁西南科学研究院,四川成都610031)摘要:首先利用MIDAS/Civil软件,对浙江绍兴一新建飞燕式钢管混凝土系杆拱桥的成桥进行建模计算,得出理论计算自振频率和振型;然后通过荷载试验测试,得到成桥结构的实测自振频率和振型;最后结合理论计算与实测结果分析本桥的动力特性和动力响应,得出本桥梁结构的动力特性优良,满足设计要求的结论。关键词:飞燕式钢管混凝土拱桥动力特性试验自振特性模态分析中图分类号:U448.22+5;U446.1文献标识码:A收稿日期:2011-08-19;修回日期:2011-10-08作者简介:李闯(1983—),男,河南泌阳人,硕士研究生。钢管混凝土系杆拱桥的出现顺应了拱桥不断向大跨度、轻型化方向发展的趋势。飞燕式系杆拱桥是拱桥中极具特色的一种桥型,由主跨、边跨、主拱墩及系杆四大部分组成。主跨为中承式钢管混凝土拱,跨度较大,矢跨比也较大;两边跨为半跨悬臂上承式拱,跨度较小,矢跨比也较小;主跨、边跨拱脚均固结于桥墩,通过锚固于两边跨端部的系杆(索)来平衡主拱的大部分水平推力[1]。由于钢管混凝土拱桥跨度大,质量轻,其本身刚度小,同时在设计中又很少考虑其动力特性,从而给此类拱桥的运营带来安全隐患。目前,关于该类桥型设计与施工方面的文献报道较多,而对成桥后结构自身固有动力特性进行分析的文献还较少。本文以一座新建五跨连续自锚飞燕式钢管混凝土系杆拱桥为研究对象,通过对成桥后的动载试验,得出其自身的动力特性,并结合理论计算分析,评定成桥的结构特性和设计效果。1桥梁结构概述本新建大桥位于浙江绍兴袍江经济技术开发区,主桥为带飞燕式边拱的三跨连拱中承式钢管混凝土系杆拱桥。跨径为40m+3×185m+40m,拱轴线形式为二次抛物线,矢跨比为1/4,拱肋截面形式为桁架式。桥面宽45m,设1.5%横坡,双向2.1%纵坡,中跨跨中设R=4000m竖曲线。设计车辆荷载为汽超—20,挂120,人群活载为4.0kN/m2。上下游拱肋位置处各设6根柔性系杆以平衡拱肋的水平推力。系杆采用欧维姆公司生产的OVMXG.K15-37B型环氧喷涂钢绞线成品索,钢丝公称强度1860MPa。吊杆为可换式双吊杆。规格为2×857,钢丝公称强度1670MPa,外包PE护套。2理论计算和动力性能试验2.1理论计算1)模态分析理论模态分析是进行动力响应分析的基础,钢管混凝土拱桥模态...

1、当您付费下载文档后,您只拥有了使用权限,并不意味着购买了版权,文档只能用于自身使用,不得用于其他商业用途(如 [转卖]进行直接盈利或[编辑后售卖]进行间接盈利)。
2、本站所有内容均由合作方或网友上传,本站不对文档的完整性、权威性及其观点立场正确性做任何保证或承诺!文档内容仅供研究参考,付费前请自行鉴别。
3、如文档内容存在违规,或者侵犯商业秘密、侵犯著作权等,请点击“违规举报”。

碎片内容

蜗牛文库的最新文档

二年级数学下册其中检测卷二年级数学下册其中检测卷附答案#期中测试卷.pdf
10.00金币
0下载
二年级数学下册期末质检卷(苏教版)二年级数学下册期末质检卷(苏教版)#期末复习 #期末测试卷 #二年级数学 #二年级数学下册#关注我持续更新小学知识.pdf
10.00金币
0下载
二年级数学下册期末混合运算专项练习二年级数学下册期末混合运算专项练习#二年级#二年级数学下册#关注我持续更新小学知识 #知识分享 #家长收藏孩子受益.pdf
10.00金币
1下载
二年级数学下册年月日三类周期问题解题方法二年级数学下册年月日三类周期问题解题方法#二年级#二年级数学下册#知识分享 #关注我持续更新小学知识 #家长收藏孩子受益.pdf
10.00金币
0下载
二年级数学下册解决问题专项训练二年级数学下册解决问题专项训练#专项训练#解决问题#二年级#二年级数学下册#知识分享.pdf
10.00金币
1下载
二年级数学下册还原问题二年级数学下册还原问题#二年级#二年级数学#关注我持续更新小学知识 #知识分享 #家长收藏孩子受益.pdf
10.00金币
1下载
二年级数学下册第六单元考试卷家长打印出来给孩子测试测试争取拿到高分!#小学二年级试卷分享 #二年级第六单考试数学 #第六单考试#二年级数学下册.pdf
10.00金币
0下载
二年级数学下册必背顺口溜口诀汇总二年级数学下册必背顺口溜口诀汇总#二年级#二年级数学下册 #知识分享 #家长收藏孩子受益 #关注我持续更新小学知识.pdf
10.00金币
0下载
二年级数学下册《重点难点思维题》两大问题解决技巧和方法巧算星期几解决周期问题还原问题强化思维训练老师精心整理家长可以打印出来给孩子练习#家长收藏孩子受益 #学霸秘籍 #思维训练 #二年级 #知识点总结.pdf
10.00金币
0下载
二年级数学下册 必背公式大全寒假提前背一背开学更轻松#二年级 #二年级数学 #二年级数学下册 #寒假充电计划 #公式.pdf
10.00金币
0下载
蜗牛文库+ 关注
实名认证
内容提供者

提供各种专业文档内容

确认删除?
QQ
  • QQ点击这里给我发消息
微信客服
  • 微信客服
回到顶部