电脑桌面
添加蜗牛文库到电脑桌面
安装后可以在桌面快捷访问

07、进度管理.pdfVIP免费

07、进度管理.pdf_第1页
07、进度管理.pdf_第2页
07、进度管理.pdf_第3页
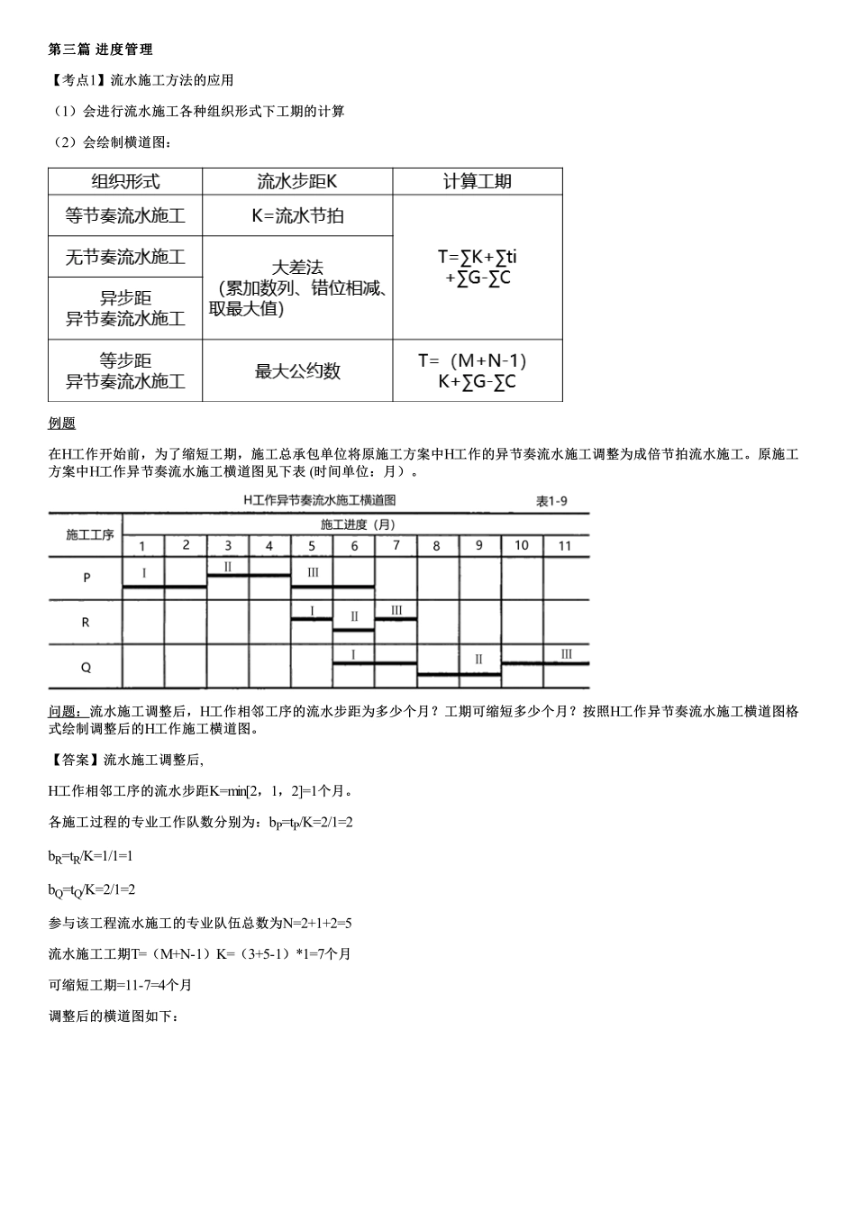
第三篇第三篇进度管理进度管理【考点1】流水施工方法的应用(1)会进行流水施工各种组织形式下工期的计算(2)会绘制横道图:例题在H工作开始前,为了缩短工期,施工总承包单位将原施工方案中H工作的异节奏流水施工调整为成倍节拍流水施工。原施工方案中H工作异节奏流水施工横道图见下表(时间单位:月)。问题:流水施工调整后,H工作相邻工序的流水步距为多少个月?工期可缩短多少个月?按照H工作异节奏流水施工横道图格式绘制调整后的H工作施工横道图。【答案】流水施工调整后,H工作相邻工序的流水步距K=min[2,1,2]=1个月。各施工过程的专业工作队数分别为:bP=tP/K=2/1=2bR=tR/K=1/1=1bQ=tQ/K=2/1=2参与该工程流水施工的专业队伍总数为N=2+1+2=5流水施工工期T=(M+N-1)K=(3+5-1)*1=7个月可缩短工期=11-7=4个月调整后的横道图如下:【考点2】双代号网络计划1.会计算各种形式双代号网络的工期(包括关键线路确定)2.能绘制双代号网络图3.前锋线的应用4.网络计划的优化(工期优化、费用优化和资源优化)(1)工期优化时,选择优化对象应考虑下列因素:①缩短持续时间对质量和安全影响不大的工作。②有备用资源的工作。③缩短持续时间所需增加的资源、费用最少的工作。(2)资源优化的前提条件是:①优化过程中,不改变网络计划中各项工作之间的逻辑关系。②优化过程中,不改变网络计划中各项工作的持续时间。③网络计划中各工作单位时间所需资源数量为合理常量。④除明确可中断的工作外,优化过程中一般不允许中断工作,应保持其连续性。【考点3】进度计划的内容单位工程进度计划一般应包括:(1)工程建设概况:拟建工程的建设单位,工程名称、性质、用途、工程投资额,开竣工日期,施工合同要求,主管部门和有关部门的文件和要求以及组织施工的指导思想等。(2)工程施工情况:拟建工程的建筑面积、层数、层高、总高、总宽、总长、平面形状和平面组合情况,基础、结构类型,室内外装修情况等。(3)单位工程进度计划,分阶段进度计划,单位工程准备工作计划,劳动力需用量计划,主要材料、设备及加工计划,主要施工机械和机具需要量计划,主要施工方案及流水段划分,各项经济技术指标要求等。【考点4】进度计划的检查及调整(1)进度计划的检查应包括下列内容:工作完成数量;工作时间的执行情况;工作顺序的执行情况;资源使用及其与进度计划的匹配情况;前次检查提出问题的整改情况。(2)进度计划调整的内容:施工内容、工程量、起止时间...

1、当您付费下载文档后,您只拥有了使用权限,并不意味着购买了版权,文档只能用于自身使用,不得用于其他商业用途(如 [转卖]进行直接盈利或[编辑后售卖]进行间接盈利)。
2、本站所有内容均由合作方或网友上传,本站不对文档的完整性、权威性及其观点立场正确性做任何保证或承诺!文档内容仅供研究参考,付费前请自行鉴别。
3、如文档内容存在违规,或者侵犯商业秘密、侵犯著作权等,请点击“违规举报”。

碎片内容

蜗牛文库的最新文档

二年级数学下册其中检测卷二年级数学下册其中检测卷附答案#期中测试卷.pdf
10.00金币
0下载
二年级数学下册期末质检卷(苏教版)二年级数学下册期末质检卷(苏教版)#期末复习 #期末测试卷 #二年级数学 #二年级数学下册#关注我持续更新小学知识.pdf
10.00金币
0下载
二年级数学下册期末混合运算专项练习二年级数学下册期末混合运算专项练习#二年级#二年级数学下册#关注我持续更新小学知识 #知识分享 #家长收藏孩子受益.pdf
10.00金币
1下载
二年级数学下册年月日三类周期问题解题方法二年级数学下册年月日三类周期问题解题方法#二年级#二年级数学下册#知识分享 #关注我持续更新小学知识 #家长收藏孩子受益.pdf
10.00金币
0下载
二年级数学下册解决问题专项训练二年级数学下册解决问题专项训练#专项训练#解决问题#二年级#二年级数学下册#知识分享.pdf
10.00金币
1下载
二年级数学下册还原问题二年级数学下册还原问题#二年级#二年级数学#关注我持续更新小学知识 #知识分享 #家长收藏孩子受益.pdf
10.00金币
1下载
二年级数学下册第六单元考试卷家长打印出来给孩子测试测试争取拿到高分!#小学二年级试卷分享 #二年级第六单考试数学 #第六单考试#二年级数学下册.pdf
10.00金币
0下载
二年级数学下册必背顺口溜口诀汇总二年级数学下册必背顺口溜口诀汇总#二年级#二年级数学下册 #知识分享 #家长收藏孩子受益 #关注我持续更新小学知识.pdf
10.00金币
0下载
二年级数学下册《重点难点思维题》两大问题解决技巧和方法巧算星期几解决周期问题还原问题强化思维训练老师精心整理家长可以打印出来给孩子练习#家长收藏孩子受益 #学霸秘籍 #思维训练 #二年级 #知识点总结.pdf
10.00金币
0下载
二年级数学下册 必背公式大全寒假提前背一背开学更轻松#二年级 #二年级数学 #二年级数学下册 #寒假充电计划 #公式.pdf
10.00金币
0下载
蜗牛文库+ 关注
实名认证
内容提供者

提供各种专业文档内容

确认删除?
QQ
  • QQ点击这里给我发消息
微信客服
  • 微信客服
回到顶部