电脑桌面
添加蜗牛文库到电脑桌面
安装后可以在桌面快捷访问

09-叶喀二级公路改建工程桥梁抗震设计.pdfVIP免费

09-叶喀二级公路改建工程桥梁抗震设计.pdf_第1页
09-叶喀二级公路改建工程桥梁抗震设计.pdf_第2页
09-叶喀二级公路改建工程桥梁抗震设计.pdf_第3页
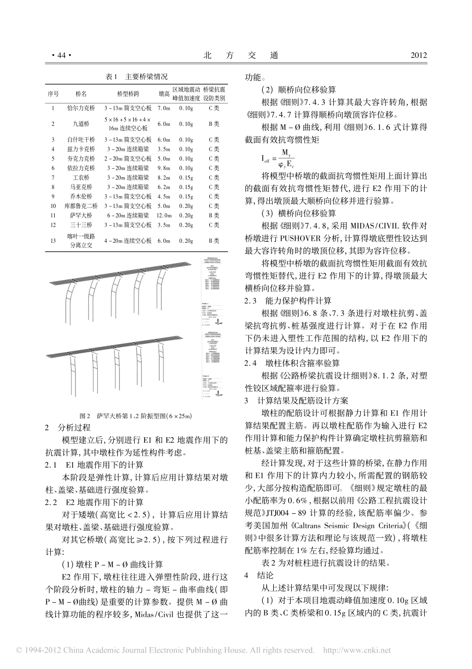
櫏櫏櫏櫏櫏櫏櫏櫏櫏櫏櫏櫏櫏櫏櫏櫏櫏櫏櫏櫏櫏櫏櫏櫏櫏櫏櫏櫏櫏櫏櫏櫏櫏櫏櫏櫏櫏櫏櫏櫏櫏櫏櫏櫏櫏櫏CalculationandAnalysisonVehicleLoadSpreadofHiddenStructureAbstractHiddenstructureslikeslabbridgeandculverttakeupalargeproportioninhighwaydesign,forceanalysisofwhichisveryimportantforthesafetyofhiddenstructure.Throughthediscussiononspreadingeffectgeneratedbyvehicleliveloadwiththeinfluenceofroofslabfilling,someopinionsaboutspreadingeffectofvehicleloadinnewspecificationsareproposed.KeywordsSlabbridge;Culvert;Hiddenstructure;Vehicleload;Spreadingeffect叶喀二级公路改建工程桥梁抗震设计卢建,王立永(中国公路工程咨询集团有限公司北京华景交通新技术开发有限公司,北京100078)摘要:通过对叶喀二级公路改建工程桥梁按照《公路桥梁抗震设计细则》(JTG/TB02-01-2008)要求进行抗震设计情况的介绍,得出了平原地区类似低矮中小桥抗震分析控制设计的规律,并分析了《细则》颁布后桥梁桩柱配筋变化的情况。关键词:叶喀二级公路;桥梁抗震设计;桩柱配筋中图分类号:U442.5+5文献标识码:B文章编号:1673-6052(2012)07-0043-03国道315线叶城至喀什段位于新疆维吾尔自治区喀什地区境内,起点为叶城县,经泽普县、莎车县、英吉沙县、疏勒县到达终点喀什市,全长209km。该段公路建设年代久远,出现了较多病害,现准备进行改建。改建后的公路采用二级公路标准,路基宽度12m。由于全线桥梁多为上世纪七、八十年代修建,设计荷载标准为“汽-15”;仅部分桥梁在2002~2007年改建或新建,其设计荷载采用“公路-II级”或“汽-20”。经评估,决定除近期改建的桥梁利用外,其余建设年代久远的桥梁均拆除重建。项目所在区域为地震多发区,近年来经常发生小规模地震,因此在公路桥梁设计过程中,抗震设计被作为一个重点问题来考虑。项目区地形平坦,根据《中国地震动参数区划图》GB18306-2001,区域地震动峰值加速度从起点到终点分别为0.10g、0.15g和0.20g。沿线桥梁不多,上部结构均为小跨径预制结构,采用2008版通用图,下部结构多采用圆柱式桥墩、柱式或肋板式桥台。主要桥梁情况如表1所示。在此介绍对这些桥梁进行抗震设计的情况,并总结其规律。1计算模型根据《公路桥梁抗震设计细则》(JTG/TB02-01-2008)(下称《细则》)的要求,采用MIDAS/CIVIL软件建立空间模型进行计算分析,上部结构采用梁格模型,下部结构采用空间...

1、当您付费下载文档后,您只拥有了使用权限,并不意味着购买了版权,文档只能用于自身使用,不得用于其他商业用途(如 [转卖]进行直接盈利或[编辑后售卖]进行间接盈利)。
2、本站所有内容均由合作方或网友上传,本站不对文档的完整性、权威性及其观点立场正确性做任何保证或承诺!文档内容仅供研究参考,付费前请自行鉴别。
3、如文档内容存在违规,或者侵犯商业秘密、侵犯著作权等,请点击“违规举报”。

碎片内容

蜗牛文库的最新文档

二年级数学下册其中检测卷二年级数学下册其中检测卷附答案#期中测试卷.pdf
10.00金币
0下载
二年级数学下册期末质检卷(苏教版)二年级数学下册期末质检卷(苏教版)#期末复习 #期末测试卷 #二年级数学 #二年级数学下册#关注我持续更新小学知识.pdf
10.00金币
0下载
二年级数学下册期末混合运算专项练习二年级数学下册期末混合运算专项练习#二年级#二年级数学下册#关注我持续更新小学知识 #知识分享 #家长收藏孩子受益.pdf
10.00金币
1下载
二年级数学下册年月日三类周期问题解题方法二年级数学下册年月日三类周期问题解题方法#二年级#二年级数学下册#知识分享 #关注我持续更新小学知识 #家长收藏孩子受益.pdf
10.00金币
0下载
二年级数学下册解决问题专项训练二年级数学下册解决问题专项训练#专项训练#解决问题#二年级#二年级数学下册#知识分享.pdf
10.00金币
1下载
二年级数学下册还原问题二年级数学下册还原问题#二年级#二年级数学#关注我持续更新小学知识 #知识分享 #家长收藏孩子受益.pdf
10.00金币
1下载
二年级数学下册第六单元考试卷家长打印出来给孩子测试测试争取拿到高分!#小学二年级试卷分享 #二年级第六单考试数学 #第六单考试#二年级数学下册.pdf
10.00金币
0下载
二年级数学下册必背顺口溜口诀汇总二年级数学下册必背顺口溜口诀汇总#二年级#二年级数学下册 #知识分享 #家长收藏孩子受益 #关注我持续更新小学知识.pdf
10.00金币
0下载
二年级数学下册《重点难点思维题》两大问题解决技巧和方法巧算星期几解决周期问题还原问题强化思维训练老师精心整理家长可以打印出来给孩子练习#家长收藏孩子受益 #学霸秘籍 #思维训练 #二年级 #知识点总结.pdf
10.00金币
0下载
二年级数学下册 必背公式大全寒假提前背一背开学更轻松#二年级 #二年级数学 #二年级数学下册 #寒假充电计划 #公式.pdf
10.00金币
0下载
蜗牛文库+ 关注
实名认证
内容提供者

提供各种专业文档内容

确认删除?
QQ
  • QQ点击这里给我发消息
微信客服
  • 微信客服
回到顶部