电脑桌面
添加蜗牛文库到电脑桌面
安装后可以在桌面快捷访问

20、专业八 第02讲 综合管理(二).pdfVIP免费

20、专业八 第02讲 综合管理(二).pdf_第1页
20、专业八 第02讲 综合管理(二).pdf_第2页
20、专业八 第02讲 综合管理(二).pdf_第3页
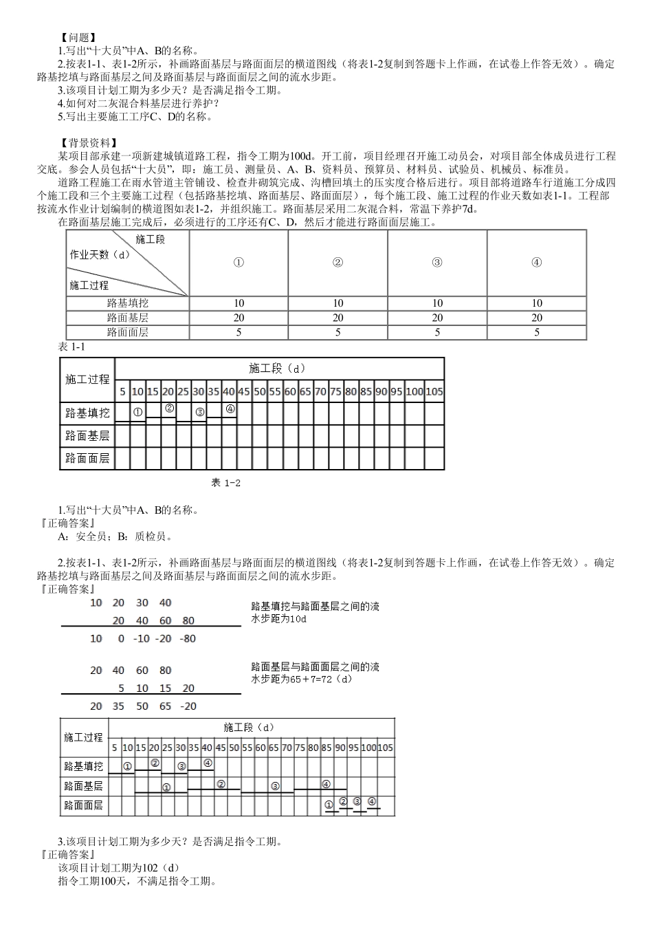
【问题】1.写出“十大员”中A、B的名称。2.按表1-1、表1-2所示,补画路面基层与路面面层的横道图线(将表1-2复制到答题卡上作画,在试卷上作答无效)。确定路基挖填与路面基层之间及路面基层与路面面层之间的流水步距。3.该项目计划工期为多少天?是否满足指令工期。4.如何对二灰混合料基层进行养护?5.写出主要施工工序C、D的名称。【背景资料】某项目部承建一项新建城镇道路工程,指令工期为100d。开工前,项目经理召开施工动员会,对项目部全体成员进行工程交底。参会人员包括“十大员”,即:施工员、测量员、A、B、资料员、预算员、材料员、试验员、机械员、标准员。道路工程施工在雨水管道主管铺设、检查井砌筑完成、沟槽回填土的压实度合格后进行。项目部将道路车行道施工分成四个施工段和三个主要施工过程(包括路基挖填、路面基层、路面面层),每个施工段、施工过程的作业天数如表1-1。工程部按流水作业计划编制的横道图如表1-2,并组织施工。路面基层采用二灰混合料,常温下养护7d。在路面基层施工完成后,必须进行的工序还有C、D,然后才能进行路面面层施工。①②③④路基填挖10101010路面基层20202020路面面层5555表1-11.写出“十大员”中A、B的名称。『正确答案』A:安全员;B:质检员。2.按表1-1、表1-2所示,补画路面基层与路面面层的横道图线(将表1-2复制到答题卡上作画,在试卷上作答无效)。确定路基挖填与路面基层之间及路面基层与路面面层之间的流水步距。『正确答案』3.该项目计划工期为多少天?是否满足指令工期。『正确答案』该项目计划工期为102(d)指令工期100天,不满足指令工期。4.如何对二灰混合料基层进行养护?『正确答案』混合料的养护采用湿养,始终保持表面潮湿,也可采用沥青乳液和沥青下封层进行养护,养护期视季节而定,常温下不宜少于7d。5.写出主要施工工序C、D的名称。『正确答案』C——养护;D——基层质量检测。【问题】1.事件一中,项目部改变施工部署需要履行哪些手续?2.写出事件二中专项施工方案被退回的原因。3.补充事件三中钢筋混凝土护壁支护的技术要求。4.事件四中,在加铺沥青混凝土前,对C状态的道板应采取哪些处理措施?5.事件五中,画出按三个施工队同时作业的横道图,并计算人工挖孔桩施工需要的作业天数。【背景资料】某施工单位承建城镇道路改扩建工程,全长2km,工程项目主要包括:(1)原机动车道的旧水泥混凝土路面加铺沥青混凝土面层:(2)原机动车道两侧加宽、新建非机动车道和...

1、当您付费下载文档后,您只拥有了使用权限,并不意味着购买了版权,文档只能用于自身使用,不得用于其他商业用途(如 [转卖]进行直接盈利或[编辑后售卖]进行间接盈利)。
2、本站所有内容均由合作方或网友上传,本站不对文档的完整性、权威性及其观点立场正确性做任何保证或承诺!文档内容仅供研究参考,付费前请自行鉴别。
3、如文档内容存在违规,或者侵犯商业秘密、侵犯著作权等,请点击“违规举报”。

碎片内容

蜗牛文库的最新文档

二年级数学下册其中检测卷二年级数学下册其中检测卷附答案#期中测试卷.pdf
10.00金币
0下载
二年级数学下册期末质检卷(苏教版)二年级数学下册期末质检卷(苏教版)#期末复习 #期末测试卷 #二年级数学 #二年级数学下册#关注我持续更新小学知识.pdf
10.00金币
0下载
二年级数学下册期末混合运算专项练习二年级数学下册期末混合运算专项练习#二年级#二年级数学下册#关注我持续更新小学知识 #知识分享 #家长收藏孩子受益.pdf
10.00金币
1下载
二年级数学下册年月日三类周期问题解题方法二年级数学下册年月日三类周期问题解题方法#二年级#二年级数学下册#知识分享 #关注我持续更新小学知识 #家长收藏孩子受益.pdf
10.00金币
0下载
二年级数学下册解决问题专项训练二年级数学下册解决问题专项训练#专项训练#解决问题#二年级#二年级数学下册#知识分享.pdf
10.00金币
1下载
二年级数学下册还原问题二年级数学下册还原问题#二年级#二年级数学#关注我持续更新小学知识 #知识分享 #家长收藏孩子受益.pdf
10.00金币
1下载
二年级数学下册第六单元考试卷家长打印出来给孩子测试测试争取拿到高分!#小学二年级试卷分享 #二年级第六单考试数学 #第六单考试#二年级数学下册.pdf
10.00金币
0下载
二年级数学下册必背顺口溜口诀汇总二年级数学下册必背顺口溜口诀汇总#二年级#二年级数学下册 #知识分享 #家长收藏孩子受益 #关注我持续更新小学知识.pdf
10.00金币
0下载
二年级数学下册《重点难点思维题》两大问题解决技巧和方法巧算星期几解决周期问题还原问题强化思维训练老师精心整理家长可以打印出来给孩子练习#家长收藏孩子受益 #学霸秘籍 #思维训练 #二年级 #知识点总结.pdf
10.00金币
0下载
二年级数学下册 必背公式大全寒假提前背一背开学更轻松#二年级 #二年级数学 #二年级数学下册 #寒假充电计划 #公式.pdf
10.00金币
0下载
蜗牛文库+ 关注
实名认证
内容提供者

提供各种专业文档内容

确认删除?
QQ
  • QQ点击这里给我发消息
微信客服
  • 微信客服
回到顶部