电脑桌面
添加蜗牛文库到电脑桌面
安装后可以在桌面快捷访问

18、专业六 第02讲 生活垃圾处理工程与测量(二).pdfVIP免费

18、专业六 第02讲 生活垃圾处理工程与测量(二).pdf_第1页
18、专业六 第02讲 生活垃圾处理工程与测量(二).pdf_第2页
18、专业六 第02讲 生活垃圾处理工程与测量(二).pdf_第3页
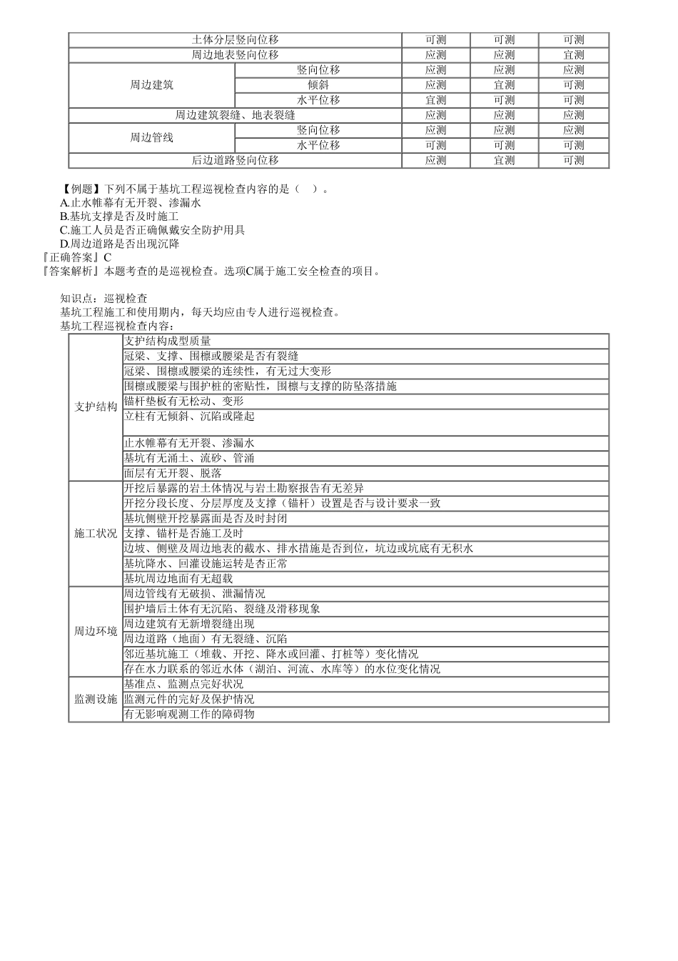
专业七:施工测量与监控量测专业七:施工测量与监控量测【例题】施工平面控制网测量时,用于水平角度测量的仪器为()。A.水准仪B.全站仪C.激光准直仪D.激光测距仪『正确答案』B『答案解析』本题考查的是施工测量常用仪器及测量方法。全站仪主要应用于施工平面控制网的测量以及施工过程中点间水平距离、水平角度的测量。【例题】()适用于长距离、大直径隧道或桥梁墩柱、水塔、灯柱等高耸构筑物控制测量的点位坐标的传递及同心度找正测量。A.全站仪B.水准仪C.激光准直仪D.GPS『正确答案』C『答案解析』本题考查的是施工测量常用仪器及测量方法。激光准直(指向)仪主要由发射、接收与附件三大部分组成,现场施工测量用于角度坐标测量和定向准直测量,适用于长距离、大直径隧道或桥梁墩柱、水塔、灯柱等高耸构筑物控制测量的点位坐标的传递及同心度找正测量。【例题】RTK技术的关键在于()技术和()技术。A.数据处理;数据传输B.复核测量;数据分析C.数据处理;监控预报D.自动观测;数据传输『正确答案』A『答案解析』本题考查的是施工测量常用仪器及测量方法。RTK技术的关键在于数据处理技术和数据传输技术,需注意的是:RTK技术的观测精度为厘米级。【例题】关于施工测量的说法,错误的是()。A.规划批复和设计文件是施工测量的依据B.施工测量贯穿于工程实施的全过程C.施工测量应遵循“由局部到整体,先细部后控制”的原则D.综合性工程使用不同的设计文件时,应进行平面控制网联测『正确答案』C『答案解析』本题考查的是施工测量的基本概念。选项C,施工测量应遵循“由整体到局部,先控制后细部”。【例题】测量工作中,现测记录的原始数据有误,一般采取()方法修正。A.擦改B.涂改C.转抄D.划线改正『正确答案』D『答案解析』本题考查的是施工测量的基本概念。测量记录应做到表头完整、字迹清楚、规整,严禁擦改、涂改,必要时可斜线划掉改正,但不得转抄。【例题】采用水准仪测量工作井高程时,已知高程为3.460m,后视读数为1.360m,前视测点高程为3.580m,则前视读数应为()。A.0.960mB.1.120mC.1.240mD.2.000m『正确答案』C『答案解析』本题考查的是施工测量常用仪器及测量方法。水准仪测量应遵循公式:后视点高程+后视读数=前视点高程+前视读数,即前视读数=3.460m+1.360m-3.580m=1.240m。【例题】关于管道工程施工测量的说法,正确的是()。A.压力管道的中心桩间距可为15~20mB.排水管道高程以管中心高程为控制基准C.给水管道以...

1、当您付费下载文档后,您只拥有了使用权限,并不意味着购买了版权,文档只能用于自身使用,不得用于其他商业用途(如 [转卖]进行直接盈利或[编辑后售卖]进行间接盈利)。
2、本站所有内容均由合作方或网友上传,本站不对文档的完整性、权威性及其观点立场正确性做任何保证或承诺!文档内容仅供研究参考,付费前请自行鉴别。
3、如文档内容存在违规,或者侵犯商业秘密、侵犯著作权等,请点击“违规举报”。

碎片内容

蜗牛文库的最新文档

二年级数学下册其中检测卷二年级数学下册其中检测卷附答案#期中测试卷.pdf
10.00金币
0下载
二年级数学下册期末质检卷(苏教版)二年级数学下册期末质检卷(苏教版)#期末复习 #期末测试卷 #二年级数学 #二年级数学下册#关注我持续更新小学知识.pdf
10.00金币
0下载
二年级数学下册期末混合运算专项练习二年级数学下册期末混合运算专项练习#二年级#二年级数学下册#关注我持续更新小学知识 #知识分享 #家长收藏孩子受益.pdf
10.00金币
1下载
二年级数学下册年月日三类周期问题解题方法二年级数学下册年月日三类周期问题解题方法#二年级#二年级数学下册#知识分享 #关注我持续更新小学知识 #家长收藏孩子受益.pdf
10.00金币
0下载
二年级数学下册解决问题专项训练二年级数学下册解决问题专项训练#专项训练#解决问题#二年级#二年级数学下册#知识分享.pdf
10.00金币
1下载
二年级数学下册还原问题二年级数学下册还原问题#二年级#二年级数学#关注我持续更新小学知识 #知识分享 #家长收藏孩子受益.pdf
10.00金币
1下载
二年级数学下册第六单元考试卷家长打印出来给孩子测试测试争取拿到高分!#小学二年级试卷分享 #二年级第六单考试数学 #第六单考试#二年级数学下册.pdf
10.00金币
0下载
二年级数学下册必背顺口溜口诀汇总二年级数学下册必背顺口溜口诀汇总#二年级#二年级数学下册 #知识分享 #家长收藏孩子受益 #关注我持续更新小学知识.pdf
10.00金币
0下载
二年级数学下册《重点难点思维题》两大问题解决技巧和方法巧算星期几解决周期问题还原问题强化思维训练老师精心整理家长可以打印出来给孩子练习#家长收藏孩子受益 #学霸秘籍 #思维训练 #二年级 #知识点总结.pdf
10.00金币
0下载
二年级数学下册 必背公式大全寒假提前背一背开学更轻松#二年级 #二年级数学 #二年级数学下册 #寒假充电计划 #公式.pdf
10.00金币
0下载
蜗牛文库+ 关注
实名认证
内容提供者

提供各种专业文档内容

确认删除?
QQ
  • QQ点击这里给我发消息
微信客服
  • 微信客服
回到顶部