电脑桌面
添加蜗牛文库到电脑桌面
安装后可以在桌面快捷访问

10、典型案例 第04讲 实操案例—进度管理(一).pdfVIP免费

10、典型案例 第04讲 实操案例—进度管理(一).pdf_第1页
10、典型案例 第04讲 实操案例—进度管理(一).pdf_第2页
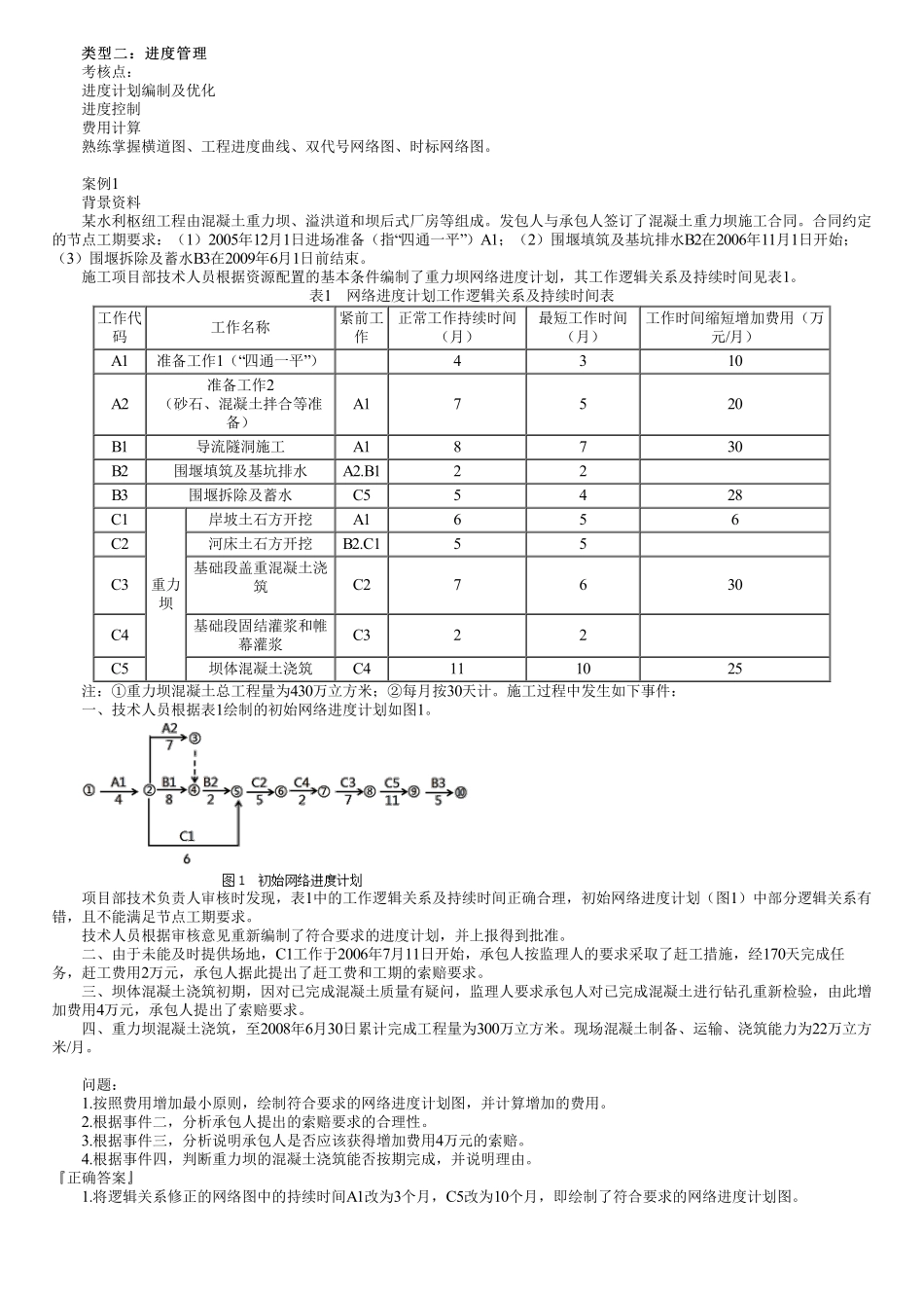
类型二:进度管理类型二:进度管理考核点:进度计划编制及优化进度控制费用计算熟练掌握横道图、工程进度曲线、双代号网络图、时标网络图。案例1背景资料某水利枢纽工程由混凝土重力坝、溢洪道和坝后式厂房等组成。发包人与承包人签订了混凝土重力坝施工合同。合同约定的节点工期要求:(1)2005年12月1日进场准备(指“四通一平”)A1;(2)围堰填筑及基坑排水B2在2006年11月1日开始;(3)围堰拆除及蓄水B3在2009年6月1日前结束。施工项目部技术人员根据资源配置的基本条件编制了重力坝网络进度计划,其工作逻辑关系及持续时间见表1。表1网络进度计划工作逻辑关系及持续时间表工作代码工作名称紧前工作正常工作持续时间(月)最短工作时间(月)工作时间缩短增加费用(万元/月)A1准备工作1(“四通一平”)4310A2准备工作2(砂石、混凝土拌合等准备)A17520B1导流隧洞施工A18730B2围堰填筑及基坑排水A2.B122B3围堰拆除及蓄水C55428C1重力坝岸坡土石方开挖A1656C2河床土石方开挖B2.C155C3基础段盖重混凝土浇筑C27630C4基础段固结灌浆和帷幕灌浆C322C5坝体混凝土浇筑C4111025注:①重力坝混凝土总工程量为430万立方米;②每月按30天计。施工过程中发生如下事件:一、技术人员根据表1绘制的初始网络进度计划如图1。项目部技术负责人审核时发现,表1中的工作逻辑关系及持续时间正确合理,初始网络进度计划(图1)中部分逻辑关系有错,且不能满足节点工期要求。技术人员根据审核意见重新编制了符合要求的进度计划,并上报得到批准。二、由于未能及时提供场地,C1工作于2006年7月11日开始,承包人按监理人的要求采取了赶工措施,经170天完成任务,赶工费用2万元,承包人据此提出了赶工费和工期的索赔要求。三、坝体混凝土浇筑初期,因对已完成混凝土质量有疑问,监理人要求承包人对已完成混凝土进行钻孔重新检验,由此增加费用4万元,承包人提出了索赔要求。四、重力坝混凝土浇筑,至2008年6月30日累计完成工程量为300万立方米。现场混凝土制备、运输、浇筑能力为22万立方米/月。问题:1.按照费用增加最小原则,绘制符合要求的网络进度计划图,并计算增加的费用。2.根据事件二,分析承包人提出的索赔要求的合理性。3.根据事件三,分析说明承包人是否应该获得增加费用4万元的索赔。4.根据事件四,判断重力坝的混凝土浇筑能否按期完成,并说明理由。『正确答案』1.将逻辑关系修正的网络图中的持续时间A1改为3个月,C5改为10个月,即绘制了符合要求的网...

1、当您付费下载文档后,您只拥有了使用权限,并不意味着购买了版权,文档只能用于自身使用,不得用于其他商业用途(如 [转卖]进行直接盈利或[编辑后售卖]进行间接盈利)。
2、本站所有内容均由合作方或网友上传,本站不对文档的完整性、权威性及其观点立场正确性做任何保证或承诺!文档内容仅供研究参考,付费前请自行鉴别。
3、如文档内容存在违规,或者侵犯商业秘密、侵犯著作权等,请点击“违规举报”。

碎片内容

蜗牛文库的最新文档

二年级数学下册其中检测卷二年级数学下册其中检测卷附答案#期中测试卷.pdf
10.00金币
0下载
二年级数学下册期末质检卷(苏教版)二年级数学下册期末质检卷(苏教版)#期末复习 #期末测试卷 #二年级数学 #二年级数学下册#关注我持续更新小学知识.pdf
10.00金币
0下载
二年级数学下册期末混合运算专项练习二年级数学下册期末混合运算专项练习#二年级#二年级数学下册#关注我持续更新小学知识 #知识分享 #家长收藏孩子受益.pdf
10.00金币
1下载
二年级数学下册年月日三类周期问题解题方法二年级数学下册年月日三类周期问题解题方法#二年级#二年级数学下册#知识分享 #关注我持续更新小学知识 #家长收藏孩子受益.pdf
10.00金币
0下载
二年级数学下册解决问题专项训练二年级数学下册解决问题专项训练#专项训练#解决问题#二年级#二年级数学下册#知识分享.pdf
10.00金币
1下载
二年级数学下册还原问题二年级数学下册还原问题#二年级#二年级数学#关注我持续更新小学知识 #知识分享 #家长收藏孩子受益.pdf
10.00金币
1下载
二年级数学下册第六单元考试卷家长打印出来给孩子测试测试争取拿到高分!#小学二年级试卷分享 #二年级第六单考试数学 #第六单考试#二年级数学下册.pdf
10.00金币
0下载
二年级数学下册必背顺口溜口诀汇总二年级数学下册必背顺口溜口诀汇总#二年级#二年级数学下册 #知识分享 #家长收藏孩子受益 #关注我持续更新小学知识.pdf
10.00金币
0下载
二年级数学下册《重点难点思维题》两大问题解决技巧和方法巧算星期几解决周期问题还原问题强化思维训练老师精心整理家长可以打印出来给孩子练习#家长收藏孩子受益 #学霸秘籍 #思维训练 #二年级 #知识点总结.pdf
10.00金币
0下载
二年级数学下册 必背公式大全寒假提前背一背开学更轻松#二年级 #二年级数学 #二年级数学下册 #寒假充电计划 #公式.pdf
10.00金币
0下载
蜗牛文库+ 关注
实名认证
内容提供者

提供各种专业文档内容

确认删除?
QQ
  • QQ点击这里给我发消息
微信客服
  • 微信客服
回到顶部