电脑桌面
添加蜗牛文库到电脑桌面
安装后可以在桌面快捷访问

003.港口与航道工程勘察与测量成果的应用.pdfVIP免费

003.港口与航道工程勘察与测量成果的应用.pdf_第1页
003.港口与航道工程勘察与测量成果的应用.pdf_第2页
003.港口与航道工程勘察与测量成果的应用.pdf_第3页
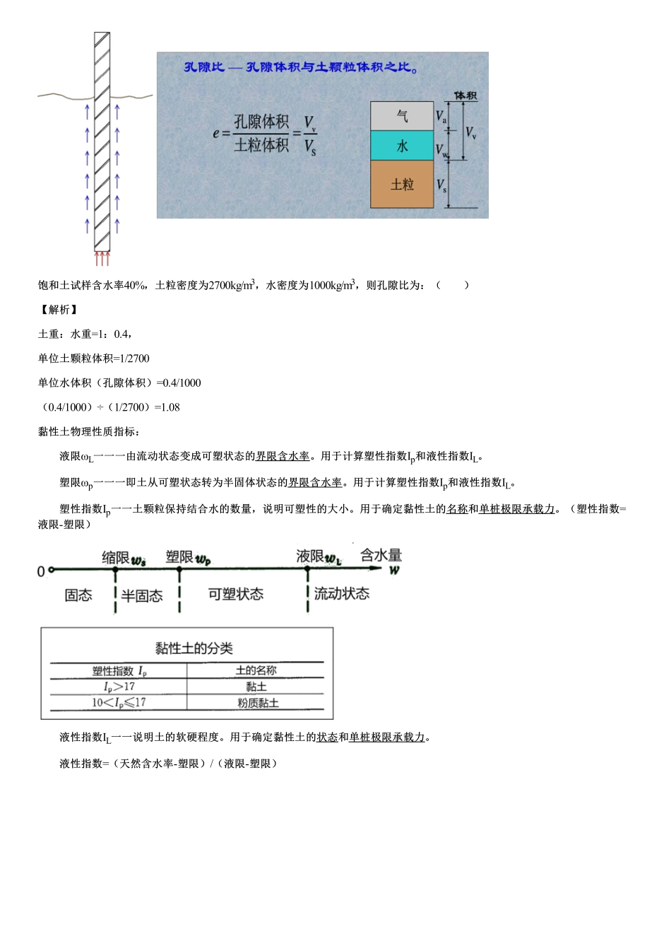
1E411020港口与航道工程勘察与测量成果的应用港口与航道工程勘察与测量成果的应用考试年份单选题多选题案例题总分值14年006分6分15年01问8分10分16年01问10分12分17年0000分18年-12问002分18年-20000分19年1问001分20年1问02分3分21年1问001分总计35分,年均35÷9=3.9分1E411021港口与航道工程地质勘察与地质钻孔剖面图的应用三、港口工程勘察成果的应用施工图设计阶段取原状孔的数量不应小于勘探点总数的1/3,其余应为原位测试孔。控制性勘探点的数量不应小于勘探点总数的1/6。勘探线和勘探点宜布置在比例尺不小于1:1000的地形图上。淤泥性土孔隙特性指标:含水率ω(%)一一土中水重/土颗粒重。用于确定淤泥性土的分类。孔隙比℮一一孔隙体积/土粒体积。用于确定淤泥性土的分类和确定单桩极限承载力。孔隙率n(%)一一土中孔隙体积/土体总体积。饱和土试样含水率40%,土粒密度为2700kg/m3,水密度为1000kg/m3,则孔隙比为:()【解析】土重:水重=1:0.4,单位土颗粒体积=1/2700单位水体积(孔隙体积)=0.4/1000(0.4/1000)÷(1/2700)=1.08黏性土物理性质指标:液限ωL一一一由流动状态变成可塑状态的界限含水率。用于计算塑性指数Ιp和液性指数ΙL。塑限ωp一一一即土从可塑状态转为半固体状态的界限含水率。用于计算塑性指数Ιp和液性指数ΙL。塑性指数Ιp一一土颗粒保持结合水的数量,说明可塑性的大小。用于确定黏性土的名称和单桩极限承载力。(塑性指数=液限-塑限)液性指数ΙL一一说明土的软硬程度。用于确定黏性土的状态和单桩极限承载力。液性指数=(天然含水率-塑限)/(液限-塑限)土的抗剪强度指标:黏聚力一一用于土坡和地基稳定验算。内摩擦角一一用于土坡和地基稳定验算。岩石饱和单轴抗压强度fr——是指岩石试件在饱和含水状态下单向受压至破坏时,单位面积上所承受的荷载。用于确定岩石的坚硬程度。港口工程地质勘察成果中,可用于确定单桩极限承载力的指标有()。A.孔隙率B.粘聚力C.塑性指数D.液性指数E.含水量【答案】CD【解析】塑性指数—用于确定黏性土名称和单桩极限承载力。液性指数—用于确定黏性土状态和单桩极限承载力。标准贯入试验一一标准贯入试验击数N值系指质量为63.5kg的锤,从76cm的高度自由落下,将标准贯入器击入土中30cm时的锤击数。其具体的规定是:贯入器打入土中15cm后,开始记录每打入10cm的锤击数。以累计打入30cm的锤击数为标准贯入试验击数N。当锤击数已达50击,而贯入深度未达30cm时,可...

1、当您付费下载文档后,您只拥有了使用权限,并不意味着购买了版权,文档只能用于自身使用,不得用于其他商业用途(如 [转卖]进行直接盈利或[编辑后售卖]进行间接盈利)。
2、本站所有内容均由合作方或网友上传,本站不对文档的完整性、权威性及其观点立场正确性做任何保证或承诺!文档内容仅供研究参考,付费前请自行鉴别。
3、如文档内容存在违规,或者侵犯商业秘密、侵犯著作权等,请点击“违规举报”。

碎片内容

蜗牛文库的最新文档

二年级数学下册其中检测卷二年级数学下册其中检测卷附答案#期中测试卷.pdf
10.00金币
0下载
二年级数学下册期末质检卷(苏教版)二年级数学下册期末质检卷(苏教版)#期末复习 #期末测试卷 #二年级数学 #二年级数学下册#关注我持续更新小学知识.pdf
10.00金币
0下载
二年级数学下册期末混合运算专项练习二年级数学下册期末混合运算专项练习#二年级#二年级数学下册#关注我持续更新小学知识 #知识分享 #家长收藏孩子受益.pdf
10.00金币
1下载
二年级数学下册年月日三类周期问题解题方法二年级数学下册年月日三类周期问题解题方法#二年级#二年级数学下册#知识分享 #关注我持续更新小学知识 #家长收藏孩子受益.pdf
10.00金币
0下载
二年级数学下册解决问题专项训练二年级数学下册解决问题专项训练#专项训练#解决问题#二年级#二年级数学下册#知识分享.pdf
10.00金币
1下载
二年级数学下册还原问题二年级数学下册还原问题#二年级#二年级数学#关注我持续更新小学知识 #知识分享 #家长收藏孩子受益.pdf
10.00金币
1下载
二年级数学下册第六单元考试卷家长打印出来给孩子测试测试争取拿到高分!#小学二年级试卷分享 #二年级第六单考试数学 #第六单考试#二年级数学下册.pdf
10.00金币
0下载
二年级数学下册必背顺口溜口诀汇总二年级数学下册必背顺口溜口诀汇总#二年级#二年级数学下册 #知识分享 #家长收藏孩子受益 #关注我持续更新小学知识.pdf
10.00金币
0下载
二年级数学下册《重点难点思维题》两大问题解决技巧和方法巧算星期几解决周期问题还原问题强化思维训练老师精心整理家长可以打印出来给孩子练习#家长收藏孩子受益 #学霸秘籍 #思维训练 #二年级 #知识点总结.pdf
10.00金币
0下载
二年级数学下册 必背公式大全寒假提前背一背开学更轻松#二年级 #二年级数学 #二年级数学下册 #寒假充电计划 #公式.pdf
10.00金币
0下载
蜗牛文库+ 关注
实名认证
内容提供者

提供各种专业文档内容

确认删除?
QQ
  • QQ点击这里给我发消息
微信客服
  • 微信客服
回到顶部