电脑桌面
添加蜗牛文库到电脑桌面
安装后可以在桌面快捷访问

24、第04讲 案例题综合解析(四).pdfVIP免费

24、第04讲 案例题综合解析(四).pdf_第1页
24、第04讲 案例题综合解析(四).pdf_第2页
24、第04讲 案例题综合解析(四).pdf_第3页
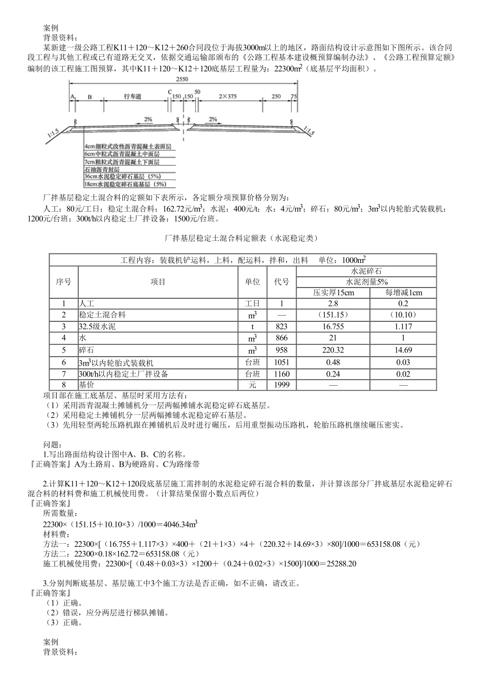
案例背景资料:某施工单位承接了一条二级公路的施工,路线全长30.85Km,路基宽度为8.5m,路面宽度为2×3.5m。该工程内容包括路基,桥梁及路面工程等。为减少桥头不均匀沉降,设置桥头跳车,桥台与路堤交接处按图2施工,主要施工内容包括:地基清表、挖台阶、A区域分层填筑、铺设土工格栅、设置构造物K、路面铺筑等。路面结构层如图2所示,B区域为已经填筑完成的路堤填筑区域。该项目实施过程中发生了如下事件:事件一:针对基层与底基层的施工,施工单位在施工组织设计中做了详细要求,现摘录4条技术要点如下:1.应在下承层施工质量检测合格后,开始摊铺上层结构层。采用两层连续摊铺时,下层质量出了问题时,上层应同时处理;2.分层摊铺时,应先将下承层顶面拉毛或采用凸块压路机碾压,再摊铺上层混合料;3.对无法使用机械摊铺的超宽路段,应采用人工同步摊铺、修整,并同时碾压成型;4.气候炎热,干燥时碾压稳定中、粗混合料,含水率比最佳含水率降低0.5~1.5个百分点。事件二:施工单位对K5+500~K5+800路段的基层完成碾压并经压实度检查合格后,及时实施养护,但因养护条件欠佳,导致基层出现了裂缝。经过弯沉检测,该段基层的承载力满足设计要求。施工单位对裂缝采取了相应的技术措施处理后,继续铺筑上面的沥青混凝土面层。事件三:根据《公路工程竣(交)工验收办法实施细则》,施工单位完成约定的全部工程内容,且经施工自检和监理检验评定均合格后,提出交工验收申请,报监理单位审查。交工验收申请书附自检评定资料和C报告。监理单位审查同意后,及时按规定提交了D资料、质量评定资料和监理总结报告。项目法人接收资料后及时按规定组织了交工验收。问题:1.写出图2中构造物K的名称。2.图2中A区域应采用哪些特性的填料回填?3.对事件一中的4条技术要点逐条判断对错,并改正错误之处。4.写出两条可对事件二中裂缝修复的技术措施。5.写出事件三中C报告、D资料的名称。『正确答案』1.构造物K:桥头搭板。2.透水性材料,不得采用含有泥草、腐殖物或冻土块的土。透水性材料不足时,可采用石灰土或水泥稳定土回填。3.第1条正确;第2条错误;正确做法:下承层是稳定细粒材料时,宜先将下承层顶面拉毛或采用凸块式压路机碾压,再摊铺上层混合料;下承层是稳定中、粗粒材料时,应先将下承层清理干净,并洒铺水泥净浆,再摊铺上层混合料。第3条正确;第4条错误。正确做法:气候炎热干燥时,碾压时的含水率可比最佳含水率增加0.5~1.5个百分点。4....

1、当您付费下载文档后,您只拥有了使用权限,并不意味着购买了版权,文档只能用于自身使用,不得用于其他商业用途(如 [转卖]进行直接盈利或[编辑后售卖]进行间接盈利)。
2、本站所有内容均由合作方或网友上传,本站不对文档的完整性、权威性及其观点立场正确性做任何保证或承诺!文档内容仅供研究参考,付费前请自行鉴别。
3、如文档内容存在违规,或者侵犯商业秘密、侵犯著作权等,请点击“违规举报”。

碎片内容

蜗牛文库的最新文档

二年级数学下册其中检测卷二年级数学下册其中检测卷附答案#期中测试卷.pdf
10.00金币
0下载
二年级数学下册期末质检卷(苏教版)二年级数学下册期末质检卷(苏教版)#期末复习 #期末测试卷 #二年级数学 #二年级数学下册#关注我持续更新小学知识.pdf
10.00金币
0下载
二年级数学下册期末混合运算专项练习二年级数学下册期末混合运算专项练习#二年级#二年级数学下册#关注我持续更新小学知识 #知识分享 #家长收藏孩子受益.pdf
10.00金币
1下载
二年级数学下册年月日三类周期问题解题方法二年级数学下册年月日三类周期问题解题方法#二年级#二年级数学下册#知识分享 #关注我持续更新小学知识 #家长收藏孩子受益.pdf
10.00金币
0下载
二年级数学下册解决问题专项训练二年级数学下册解决问题专项训练#专项训练#解决问题#二年级#二年级数学下册#知识分享.pdf
10.00金币
1下载
二年级数学下册还原问题二年级数学下册还原问题#二年级#二年级数学#关注我持续更新小学知识 #知识分享 #家长收藏孩子受益.pdf
10.00金币
1下载
二年级数学下册第六单元考试卷家长打印出来给孩子测试测试争取拿到高分!#小学二年级试卷分享 #二年级第六单考试数学 #第六单考试#二年级数学下册.pdf
10.00金币
0下载
二年级数学下册必背顺口溜口诀汇总二年级数学下册必背顺口溜口诀汇总#二年级#二年级数学下册 #知识分享 #家长收藏孩子受益 #关注我持续更新小学知识.pdf
10.00金币
0下载
二年级数学下册《重点难点思维题》两大问题解决技巧和方法巧算星期几解决周期问题还原问题强化思维训练老师精心整理家长可以打印出来给孩子练习#家长收藏孩子受益 #学霸秘籍 #思维训练 #二年级 #知识点总结.pdf
10.00金币
0下载
二年级数学下册 必背公式大全寒假提前背一背开学更轻松#二年级 #二年级数学 #二年级数学下册 #寒假充电计划 #公式.pdf
10.00金币
0下载
蜗牛文库+ 关注
实名认证
内容提供者

提供各种专业文档内容

确认删除?
QQ
  • QQ点击这里给我发消息
微信客服
  • 微信客服
回到顶部