电脑桌面
添加蜗牛文库到电脑桌面
安装后可以在桌面快捷访问

24、1A415000第13讲 地下防水工程施工.pdfVIP免费

24、1A415000第13讲 地下防水工程施工.pdf_第1页
24、1A415000第13讲 地下防水工程施工.pdf_第2页
24、1A415000第13讲 地下防水工程施工.pdf_第3页
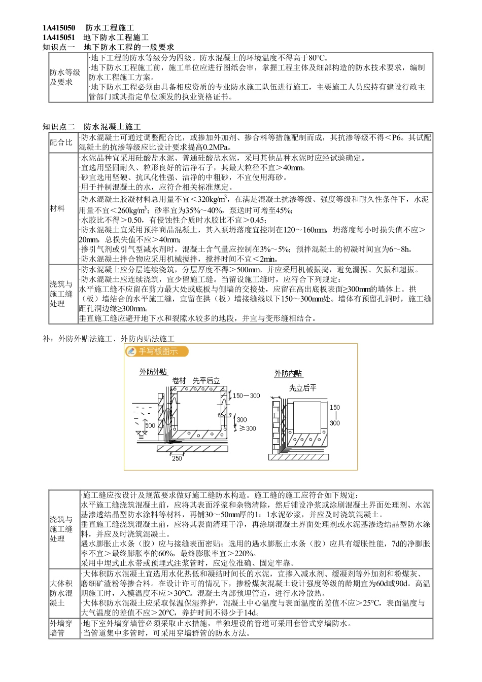
1A415050防水工程施工防水工程施工1A415051地下防水工程施工地下防水工程施工知识点一地下防水工程的一般要求知识点一地下防水工程的一般要求防水等级及要求·地下工程的防水等级分为四级。防水混凝土的环境温度不得高于80℃。·地下防水工程施工前,施工单位应进行图纸会审,掌握工程主体及细部构造的防水技术要求,编制防水工程施工方案。·地下防水工程必须由具备相应资质的专业防水施工队伍进行施工,主要施工人员应持有建设行政主管部门或其指定单位颁发的执业资格证书。知识点二防水混凝土施工知识点二防水混凝土施工配合比·防水混凝土可通过调整配合比,或掺加外加剂、掺合料等措施配制而成,其抗渗等级不得<P6。其试配混凝土的抗渗等级应比设计要求提高0.2MPa。材料·水泥品种宜采用硅酸盐水泥、普通硅酸盐水泥,采用其他品种水泥时应经试验确定。·宜选用坚固耐久、粒形良好的洁净石子,其最大粒径不宜>40mm。·砂宜选用坚硬、抗风化性强、洁净的中粗砂,不宜使用海砂。·用于拌制混凝土的水,应符合相关标准规定。·防水混凝土胶凝材料总用量不宜<320kg/m3,在满足混凝土抗渗等级、强度等级和耐久性条件下,水泥用量不宜<260kg/m3;砂率宜为35%~40%,泵送时可增至45%;·水胶比不得>0.50,有侵蚀性介质时水胶比不宜>0.45;·防水混凝土宜采用预拌商品混凝土,其入泵坍落度宜控制在120~160mm,坍落度每小时损失值不应>20mm,总损失值不应>40mm;·掺引气剂或引气型减水剂时,混凝土含气量应控制在3%~5%;预拌混凝土的初凝时间宜为6~8h。·防水混凝土拌合物应采用机械搅拌,搅拌时间不宜<2min。浇筑与施工缝处理·防水混凝土应分层连续浇筑,分层厚度不得>500mm。并应采用机械振捣,避免漏振、欠振和超振。·防水混凝土应连续浇筑,宜少留施工缝。当留设施工缝时,应符合下列规定:水平施工缝不应留在剪力最大处或底板与侧墙的交接处,应留在高出底板表面≥300mm的墙体上。拱(板)墙结合的水平施工缝,宜留在拱(板)墙接缝线以下150~300mm处。墙体有预留孔洞时,施工缝距孔洞边缘≥300mm。垂直施工缝应避开地下水和裂隙水较多的地段,并宜与变形缝相结合。补:外防外贴法施工、外防内贴法施工浇筑与施工缝处理·施工缝应按设计及规范要求做好施工缝防水构造。施工缝的施工应符合如下规定:水平施工缝浇筑混凝土前,应将其表面浮浆和杂物清除,然后铺设净浆或涂刷混凝土界面处理剂、水泥基渗透结晶型防水涂料等材料,再铺...

1、当您付费下载文档后,您只拥有了使用权限,并不意味着购买了版权,文档只能用于自身使用,不得用于其他商业用途(如 [转卖]进行直接盈利或[编辑后售卖]进行间接盈利)。
2、本站所有内容均由合作方或网友上传,本站不对文档的完整性、权威性及其观点立场正确性做任何保证或承诺!文档内容仅供研究参考,付费前请自行鉴别。
3、如文档内容存在违规,或者侵犯商业秘密、侵犯著作权等,请点击“违规举报”。

碎片内容

蜗牛文库的最新文档

二年级数学下册其中检测卷二年级数学下册其中检测卷附答案#期中测试卷.pdf
10.00金币
0下载
二年级数学下册期末质检卷(苏教版)二年级数学下册期末质检卷(苏教版)#期末复习 #期末测试卷 #二年级数学 #二年级数学下册#关注我持续更新小学知识.pdf
10.00金币
0下载
二年级数学下册期末混合运算专项练习二年级数学下册期末混合运算专项练习#二年级#二年级数学下册#关注我持续更新小学知识 #知识分享 #家长收藏孩子受益.pdf
10.00金币
1下载
二年级数学下册年月日三类周期问题解题方法二年级数学下册年月日三类周期问题解题方法#二年级#二年级数学下册#知识分享 #关注我持续更新小学知识 #家长收藏孩子受益.pdf
10.00金币
0下载
二年级数学下册解决问题专项训练二年级数学下册解决问题专项训练#专项训练#解决问题#二年级#二年级数学下册#知识分享.pdf
10.00金币
1下载
二年级数学下册还原问题二年级数学下册还原问题#二年级#二年级数学#关注我持续更新小学知识 #知识分享 #家长收藏孩子受益.pdf
10.00金币
1下载
二年级数学下册第六单元考试卷家长打印出来给孩子测试测试争取拿到高分!#小学二年级试卷分享 #二年级第六单考试数学 #第六单考试#二年级数学下册.pdf
10.00金币
0下载
二年级数学下册必背顺口溜口诀汇总二年级数学下册必背顺口溜口诀汇总#二年级#二年级数学下册 #知识分享 #家长收藏孩子受益 #关注我持续更新小学知识.pdf
10.00金币
0下载
二年级数学下册《重点难点思维题》两大问题解决技巧和方法巧算星期几解决周期问题还原问题强化思维训练老师精心整理家长可以打印出来给孩子练习#家长收藏孩子受益 #学霸秘籍 #思维训练 #二年级 #知识点总结.pdf
10.00金币
0下载
二年级数学下册 必背公式大全寒假提前背一背开学更轻松#二年级 #二年级数学 #二年级数学下册 #寒假充电计划 #公式.pdf
10.00金币
0下载
蜗牛文库+ 关注
实名认证
内容提供者

提供各种专业文档内容

确认删除?
QQ
  • QQ点击这里给我发消息
微信客服
  • 微信客服
回到顶部