电脑桌面
添加蜗牛文库到电脑桌面
安装后可以在桌面快捷访问

23、典型案例 第17讲 实操案例—费用、招投标、合同管理及分包(三).pdfVIP免费

23、典型案例 第17讲 实操案例—费用、招投标、合同管理及分包(三).pdf_第1页
23、典型案例 第17讲 实操案例—费用、招投标、合同管理及分包(三).pdf_第2页
23、典型案例 第17讲 实操案例—费用、招投标、合同管理及分包(三).pdf_第3页
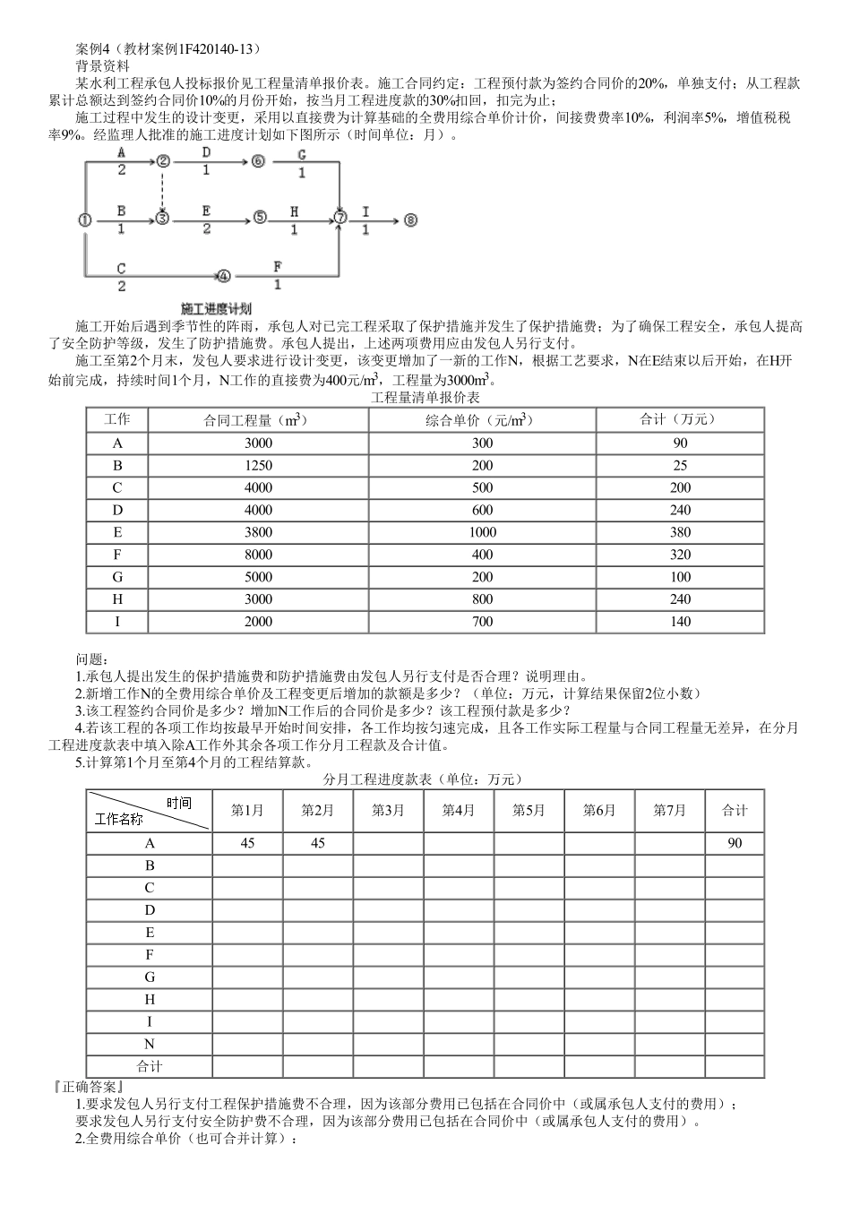
案例4(教材案例1F420140-13)背景资料某水利工程承包人投标报价见工程量清单报价表。施工合同约定:工程预付款为签约合同价的20%,单独支付;从工程款累计总额达到签约合同价10%的月份开始,按当月工程进度款的30%扣回,扣完为止;施工过程中发生的设计变更,采用以直接费为计算基础的全费用综合单价计价,间接费费率10%,利润率5%,增值税税率9%。经监理人批准的施工进度计划如下图所示(时间单位:月)。施工开始后遇到季节性的阵雨,承包人对已完工程采取了保护措施并发生了保护措施费;为了确保工程安全,承包人提高了安全防护等级,发生了防护措施费。承包人提出,上述两项费用应由发包人另行支付。施工至第2个月末,发包人要求进行设计变更,该变更增加了一新的工作N,根据工艺要求,N在E结束以后开始,在H开始前完成,持续时间1个月,N工作的直接费为400元/m3,工程量为3000m3。工程量清单报价表工作合同工程量(m3)综合单价(元/m3)合计(万元)A300030090B125020025C4000500200D4000600240E38001000380F8000400320G5000200100H3000800240I2000700140问题:1.承包人提出发生的保护措施费和防护措施费由发包人另行支付是否合理?说明理由。2.新增工作N的全费用综合单价及工程变更后增加的款额是多少?(单位:万元,计算结果保留2位小数)3.该工程签约合同价是多少?增加N工作后的合同价是多少?该工程预付款是多少?4.若该工程的各项工作均按最早开始时间安排,各工作均按匀速完成,且各工作实际工程量与合同工程量无差异,在分月工程进度款表中填入除A工作外其余各项工作分月工程款及合计值。5.计算第1个月至第4个月的工程结算款。分月工程进度款表(单位:万元)第1月第2月第3月第4月第5月第6月第7月合计A454590BCDEFGHIN合计『正确答案』1.要求发包人另行支付工程保护措施费不合理,因为该部分费用已包括在合同价中(或属承包人支付的费用);要求发包人另行支付安全防护费不合理,因为该部分费用已包括在合同价中(或属承包人支付的费用)。2.全费用综合单价(也可合并计算):①直接费=400元/m3②间接费=①×10%=400×10%=40元/m3③利润=(①+②)×5%=(400+40)×5%=22元/m3④税金=(①+②+③)×9%=(400+40+22)×9%=41.58元/m3⑤全费用综合单价=①+②+③+④=400+40+22+41.58=503.58元/m3工程变更后增加的款额=503.58×3000=151.07万元3.该工程签约合同价=90+25+200+240+380+320+100+240+...

1、当您付费下载文档后,您只拥有了使用权限,并不意味着购买了版权,文档只能用于自身使用,不得用于其他商业用途(如 [转卖]进行直接盈利或[编辑后售卖]进行间接盈利)。
2、本站所有内容均由合作方或网友上传,本站不对文档的完整性、权威性及其观点立场正确性做任何保证或承诺!文档内容仅供研究参考,付费前请自行鉴别。
3、如文档内容存在违规,或者侵犯商业秘密、侵犯著作权等,请点击“违规举报”。

碎片内容

蜗牛文库的最新文档

二年级数学下册其中检测卷二年级数学下册其中检测卷附答案#期中测试卷.pdf
10.00金币
0下载
二年级数学下册期末质检卷(苏教版)二年级数学下册期末质检卷(苏教版)#期末复习 #期末测试卷 #二年级数学 #二年级数学下册#关注我持续更新小学知识.pdf
10.00金币
0下载
二年级数学下册期末混合运算专项练习二年级数学下册期末混合运算专项练习#二年级#二年级数学下册#关注我持续更新小学知识 #知识分享 #家长收藏孩子受益.pdf
10.00金币
1下载
二年级数学下册年月日三类周期问题解题方法二年级数学下册年月日三类周期问题解题方法#二年级#二年级数学下册#知识分享 #关注我持续更新小学知识 #家长收藏孩子受益.pdf
10.00金币
0下载
二年级数学下册解决问题专项训练二年级数学下册解决问题专项训练#专项训练#解决问题#二年级#二年级数学下册#知识分享.pdf
10.00金币
1下载
二年级数学下册还原问题二年级数学下册还原问题#二年级#二年级数学#关注我持续更新小学知识 #知识分享 #家长收藏孩子受益.pdf
10.00金币
1下载
二年级数学下册第六单元考试卷家长打印出来给孩子测试测试争取拿到高分!#小学二年级试卷分享 #二年级第六单考试数学 #第六单考试#二年级数学下册.pdf
10.00金币
0下载
二年级数学下册必背顺口溜口诀汇总二年级数学下册必背顺口溜口诀汇总#二年级#二年级数学下册 #知识分享 #家长收藏孩子受益 #关注我持续更新小学知识.pdf
10.00金币
0下载
二年级数学下册《重点难点思维题》两大问题解决技巧和方法巧算星期几解决周期问题还原问题强化思维训练老师精心整理家长可以打印出来给孩子练习#家长收藏孩子受益 #学霸秘籍 #思维训练 #二年级 #知识点总结.pdf
10.00金币
0下载
二年级数学下册 必背公式大全寒假提前背一背开学更轻松#二年级 #二年级数学 #二年级数学下册 #寒假充电计划 #公式.pdf
10.00金币
0下载
蜗牛文库+ 关注
实名认证
内容提供者

提供各种专业文档内容

确认删除?
QQ
  • QQ点击这里给我发消息
微信客服
  • 微信客服
回到顶部