电脑桌面
添加蜗牛文库到电脑桌面
安装后可以在桌面快捷访问

19、第04讲 案例实操题(四).pdfVIP免费

19、第04讲 案例实操题(四).pdf_第1页
19、第04讲 案例实操题(四).pdf_第2页
19、第04讲 案例实操题(四).pdf_第3页
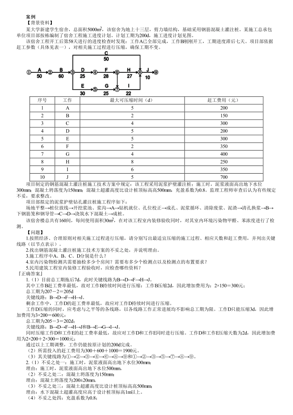
案例案例【背景资料】某大学新建学生宿舍,总面积5000m2,该宿舍为地上十三层,剪力墙结构,基础采用钢筋混凝土灌注桩。某施工总承包单位项目部按栋编制了宿舍工程施工进度计划。计划工期为200d,施工进度计划见图。该宿舍工程开工后第58天进行的进度检查时发现:工作A已全部完成,工作B刚刚开工,工期进度滞后七天。项目部依据赶工参数(具体见表一),对相关施工过程进行压缩,确保工期不变。序号工作最大可压缩时间(d)赶工费用(元)1A52002B21503C43004D52005E53006F23507G44008H82509I635010J5700项目制定的钢筋混凝土灌注桩施工技术方案中规定:该工程采用泥浆护壁灌注桩;施工时,泥浆液面高出地下水位300mm;混凝土坍落度为150mm;混凝土超灌高度比设计桩顶标高高500mm,充盈系数为0.8。监理工程师审查后认为有些规定不妥,要求整改。项目部拟定的泥浆护壁钻孔灌注桩施工程序如下:场地平整→桩位放线→开挖浆池、浆沟→A→钻机就位、孔位校正→成孔、泥浆循环、清除废浆、泥渣→清孔换浆→B→下钢筋笼和钢导管→C→D→浇筑水下混凝土→成桩。该宿舍楼总共有160间,每间使用面积30m2,在对该工程室内装修验收同时,对其室内环境污染物甲醛、苯浓度进行了检测。【问题】1.按照经济、合理原则对相关施工过程进行压缩,请分别写出最适宜压缩的施工过程、相应天数和赶工费用,并列出关键线路(以节点表示)。2.找出钢筋混凝土灌注桩施工技术方案的不妥之处,并说明理由。3.施工程序中A、B、C、D分别是什么?4.室内污染物检测共需要抽检多少个房间?需要布多少个检测点以及检测点的布置要求?5.民用建筑工程室内装修工程验收时,应检查哪些资料?『正确答案』1.(1)目前总工期拖后7d,此时关键线路为B→D→F→H→J。其中工作B赶工费率最低,故对工作B持续时间进行压缩:工作B压缩2d,因此增加费用为:2×150=300元;总工期为207-2=205d关键线路:B→D→F→H→J。剩余工作中,工作D的赶工费率最低,故应对工作D持续时间进行压缩。工作D压缩的同时,应考虑与之平等的各线路,以各线路工作正常进展均不影响总工期为限。工作D只能压缩3d,因此增加费用为3×200=600元:总工期为205-3=202d;关键线路:B→D→F→H→J和B→E→G→I→J。同时压缩工作D和工作E的赶工费率最低,故应对工作D和工作E同时进行压缩。工作D和工作E压缩天数为2d,因此增加费用为2×200+2×300=1000元;通过以上工期调整,工作仍能按原计划的200d完成。(2)所需投入...

1、当您付费下载文档后,您只拥有了使用权限,并不意味着购买了版权,文档只能用于自身使用,不得用于其他商业用途(如 [转卖]进行直接盈利或[编辑后售卖]进行间接盈利)。
2、本站所有内容均由合作方或网友上传,本站不对文档的完整性、权威性及其观点立场正确性做任何保证或承诺!文档内容仅供研究参考,付费前请自行鉴别。
3、如文档内容存在违规,或者侵犯商业秘密、侵犯著作权等,请点击“违规举报”。

碎片内容

蜗牛文库的最新文档

二年级数学下册其中检测卷二年级数学下册其中检测卷附答案#期中测试卷.pdf
10.00金币
0下载
二年级数学下册期末质检卷(苏教版)二年级数学下册期末质检卷(苏教版)#期末复习 #期末测试卷 #二年级数学 #二年级数学下册#关注我持续更新小学知识.pdf
10.00金币
0下载
二年级数学下册期末混合运算专项练习二年级数学下册期末混合运算专项练习#二年级#二年级数学下册#关注我持续更新小学知识 #知识分享 #家长收藏孩子受益.pdf
10.00金币
1下载
二年级数学下册年月日三类周期问题解题方法二年级数学下册年月日三类周期问题解题方法#二年级#二年级数学下册#知识分享 #关注我持续更新小学知识 #家长收藏孩子受益.pdf
10.00金币
0下载
二年级数学下册解决问题专项训练二年级数学下册解决问题专项训练#专项训练#解决问题#二年级#二年级数学下册#知识分享.pdf
10.00金币
1下载
二年级数学下册还原问题二年级数学下册还原问题#二年级#二年级数学#关注我持续更新小学知识 #知识分享 #家长收藏孩子受益.pdf
10.00金币
1下载
二年级数学下册第六单元考试卷家长打印出来给孩子测试测试争取拿到高分!#小学二年级试卷分享 #二年级第六单考试数学 #第六单考试#二年级数学下册.pdf
10.00金币
0下载
二年级数学下册必背顺口溜口诀汇总二年级数学下册必背顺口溜口诀汇总#二年级#二年级数学下册 #知识分享 #家长收藏孩子受益 #关注我持续更新小学知识.pdf
10.00金币
0下载
二年级数学下册《重点难点思维题》两大问题解决技巧和方法巧算星期几解决周期问题还原问题强化思维训练老师精心整理家长可以打印出来给孩子练习#家长收藏孩子受益 #学霸秘籍 #思维训练 #二年级 #知识点总结.pdf
10.00金币
0下载
二年级数学下册 必背公式大全寒假提前背一背开学更轻松#二年级 #二年级数学 #二年级数学下册 #寒假充电计划 #公式.pdf
10.00金币
0下载
蜗牛文库+ 关注
实名认证
内容提供者

提供各种专业文档内容

确认删除?
QQ
  • QQ点击这里给我发消息
微信客服
  • 微信客服
回到顶部