电脑桌面
添加蜗牛文库到电脑桌面
安装后可以在桌面快捷访问

File (10).pdfVIP免费

File (10).pdf_第1页
File (10).pdf_第2页
File (10).pdf_第3页
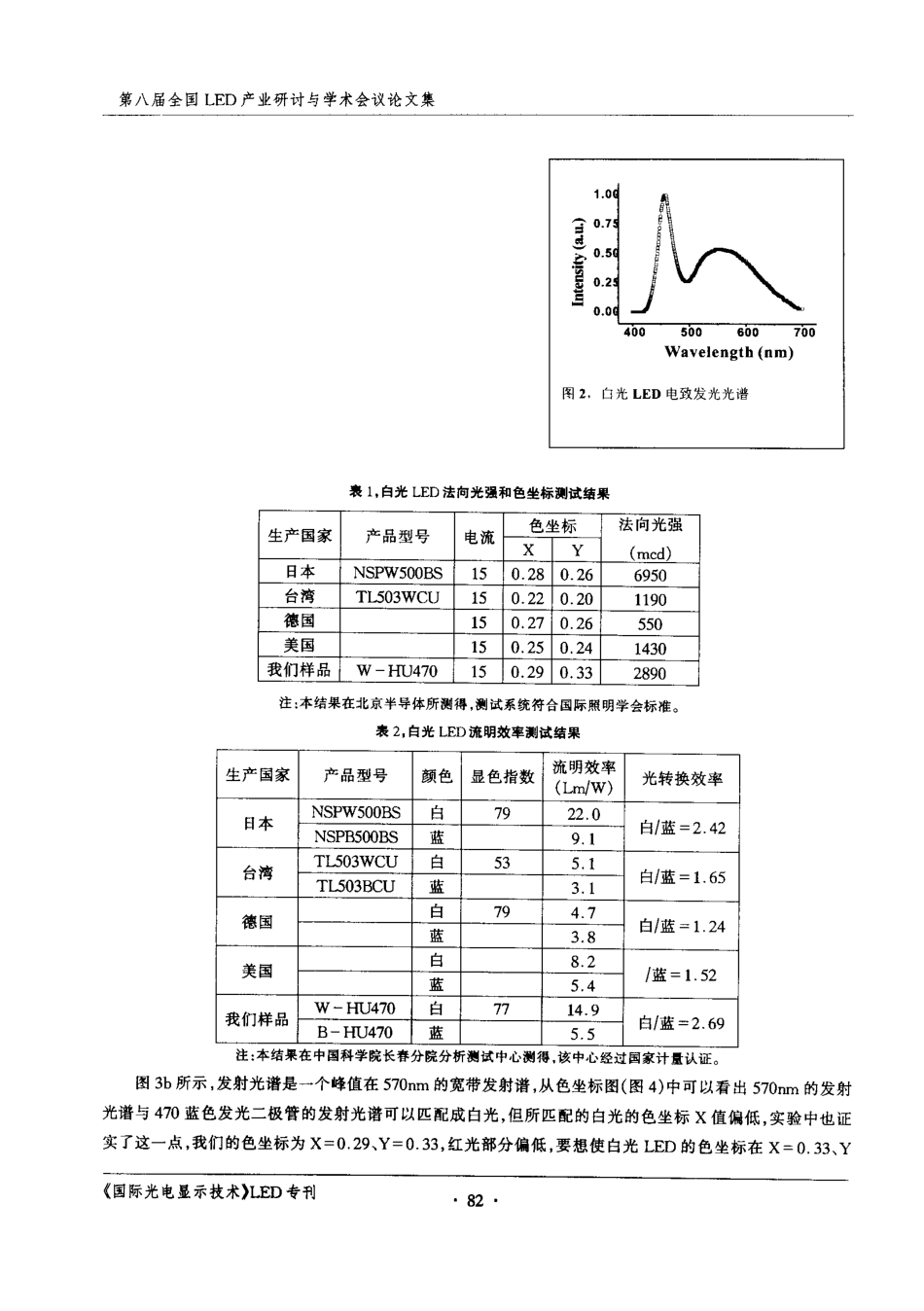
第八届全国LEI〕产业研讨与学术会议论文集白光发光二极管的制备技术及主要参数蒋大鹏“赵成久b侯凤勤b刘学彦b褚明辉“中德振..b范希武.,b(中国科学院激发态物理开放实验室,长春130021)0(中国科学院长券光学精密机械与物理研究所,长春130022)^摘要:本文利用发封波长为470nm的蓝色发光二极管作为基础光源,通过荧光粉转换方法制备白光发光二极管,荧光粉主要采用稀土激活的铭酸盐YA1,0,2:C,"(YAG)。所研制的白光LED在z作电流为15-A条件下,法向光强为2890mcd;色坐标为X=0.29,Y=0.33;显色指数为77;流明效率为14.9Lm/Wo关键词:白光LED,蓝光LED,荧光粉1、引言九十年代初以来,以氮化物为代表的蓝色和绿色曰3D取得历史性突破[1.21,使得LEI〕形成三基色完备的发光体系,经过短短的几年,其亮度已经接近并赶上了红色L印川,日乙。已经成为三基色完备的发光体系,LEI)市场正在由显示、指示向照明领域扩展,专家预计发光二极管将成为继白炽灯、荧光灯之后的第三代照明光源。LEI〕技术进人照明领域的一个基本要求是利用LEI〕技术实现白光,目前利用LED技术实现白光的途径主要有两种,一个是采用红、绿、蓝三种颜色的发光二极管配成白光,另一个是通过荧光粉转换的方法实现白光[41。国内也有相应单位开展了白光LED方面的研究工作,北京大学采用荧光粉转换方法制备白光LED,并报道了相关研究结果,在室温,20mA条件下,法向光强达到170mcd,色坐标为X=0.296,Y=0.316,色温为7448K,显色指数为82[51。我们也曾报道过白光LED面阵的主要技术指标,如亮度、流明效率、色坐标、显色指数随激发电流密度的增加所发生的变化[61。本文报道采用荧光粉转换的方法制备白光发光二极管以及获得的主要结果。2、实验2.1白光LED的基本结构本文主要采用荧光粉转换的方法制备白光LED,以蓝色LEI〕的蓝色(470nm)发光为基础光源,用蓝色LED的发光激发荧光粉,蓝色发光二极管发出的光部分透过荧光粉发射出来,部分激发荧光粉,使荧光粉发出峰值为570nm的黄绿色光,透出的蓝色发光与荧光粉发出的黄绿色光组成白光(示于图1)。制备的白光发光二极管的发射光谱示于图2.2.2*1试及结果本文的光强和色坐标测试是在北京半导体所进行,采用的仪器是LabsphereLED一1100,该仪器符合国际照明委员会标准。流明效率和显色指数的测试是在国家计量认证的中国科学院长春分院分析测试中心进行的。3、结果与分析3.1白光LED用荧光粉本文采用的荧光粉为稀土激活的铝酸盐Y3AI5012:Ce3+(YAG),激发光谱如图3...

1、当您付费下载文档后,您只拥有了使用权限,并不意味着购买了版权,文档只能用于自身使用,不得用于其他商业用途(如 [转卖]进行直接盈利或[编辑后售卖]进行间接盈利)。
2、本站所有内容均由合作方或网友上传,本站不对文档的完整性、权威性及其观点立场正确性做任何保证或承诺!文档内容仅供研究参考,付费前请自行鉴别。
3、如文档内容存在违规,或者侵犯商业秘密、侵犯著作权等,请点击“违规举报”。

碎片内容

蜗牛文库的最新文档

二年级数学下册其中检测卷二年级数学下册其中检测卷附答案#期中测试卷.pdf
10.00金币
0下载
二年级数学下册期末质检卷(苏教版)二年级数学下册期末质检卷(苏教版)#期末复习 #期末测试卷 #二年级数学 #二年级数学下册#关注我持续更新小学知识.pdf
10.00金币
0下载
二年级数学下册期末混合运算专项练习二年级数学下册期末混合运算专项练习#二年级#二年级数学下册#关注我持续更新小学知识 #知识分享 #家长收藏孩子受益.pdf
10.00金币
1下载
二年级数学下册年月日三类周期问题解题方法二年级数学下册年月日三类周期问题解题方法#二年级#二年级数学下册#知识分享 #关注我持续更新小学知识 #家长收藏孩子受益.pdf
10.00金币
0下载
二年级数学下册解决问题专项训练二年级数学下册解决问题专项训练#专项训练#解决问题#二年级#二年级数学下册#知识分享.pdf
10.00金币
1下载
二年级数学下册还原问题二年级数学下册还原问题#二年级#二年级数学#关注我持续更新小学知识 #知识分享 #家长收藏孩子受益.pdf
10.00金币
1下载
二年级数学下册第六单元考试卷家长打印出来给孩子测试测试争取拿到高分!#小学二年级试卷分享 #二年级第六单考试数学 #第六单考试#二年级数学下册.pdf
10.00金币
0下载
二年级数学下册必背顺口溜口诀汇总二年级数学下册必背顺口溜口诀汇总#二年级#二年级数学下册 #知识分享 #家长收藏孩子受益 #关注我持续更新小学知识.pdf
10.00金币
0下载
二年级数学下册《重点难点思维题》两大问题解决技巧和方法巧算星期几解决周期问题还原问题强化思维训练老师精心整理家长可以打印出来给孩子练习#家长收藏孩子受益 #学霸秘籍 #思维训练 #二年级 #知识点总结.pdf
10.00金币
0下载
二年级数学下册 必背公式大全寒假提前背一背开学更轻松#二年级 #二年级数学 #二年级数学下册 #寒假充电计划 #公式.pdf
10.00金币
0下载
蜗牛文库+ 关注
实名认证
内容提供者

提供各种专业文档内容

确认删除?
QQ
  • QQ点击这里给我发消息
微信客服
  • 微信客服
回到顶部