电脑桌面
添加蜗牛文库到电脑桌面
安装后可以在桌面快捷访问

WM_Removed_181H410000 (18)机械设备安装技术3.pdfVIP免费

WM_Removed_181H410000 (18)机械设备安装技术3.pdf_第1页
WM_Removed_181H410000 (18)机械设备安装技术3.pdf_第2页
WM_Removed_181H410000 (18)机械设备安装技术3.pdf_第3页
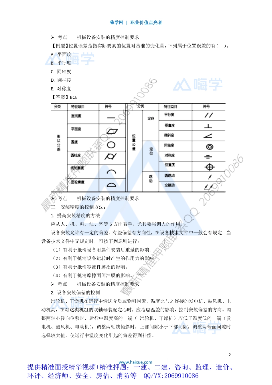
嗨学网|职业价值点亮者1www.haixue.com考点机械设备安装的精度控制要求一、机械设备安装精度设备安装精度是指安装过程中为保证整套装置正确联动所需的各独立设备之间的位置精度;单台设备通过合理的安装工艺和调整方法能够重现的制造精度;整台(套)设备在使用中的运行精度。考点机械设备安装的精度控制要求二、影响设备安装精度的因素(一)设备基础设备基础对安装精度的影响主要是强度、沉降和抗振性能。(二)垫铁埋设对安装精度的影响主要是承载面积和接触情况。垫铁承受载荷的有效面积不够,或垫铁与基础、垫铁之间、垫铁与设备之间接触不好,会引起安装偏差发生变化。考点机械设备安装的精度控制要求(三)设备灌浆对安装精度的影响主要是强度和密实度。地脚螺栓预留孔一次灌浆、基础与设备之间和二次灌浆强度不够、不密实,会造成地脚螺栓和垫铁松动引起安装偏差发生变化。考点机械设备安装的精度控制要求(四)地脚螺栓地脚螺栓对安装精度的影响主要是紧固力和垂直度。(五)设备制造设备制造对安装精度的影响主要是加工精度和装配精度。1.设备制造质量达不到设计要求,对安装精度直接产生影响。考点机械设备安装的精度控制要求2.解体设备的装配精度将直接影响设备的运行质量,包括各运动部件之间的相对运动精度,配合面之间的配合精度和接触质量。3.设备基准件的安装精度包括标高差、水平度、铅垂度、直线度、平行度等,将直接影响设备各部件间的相互位置精度和相对运动精度。考点机械设备安装的精度控制要求(六)测量误差测量过程包括测量对象、计量单位、测量方法和测量精度四个要素。1.主要形状误差、位置误差的检测方法及其误差评定(1)形状误差是指被测实际要素对其理想要素的变动量。主要形状误差有直线度、平面度、圆度、圆柱度等。(2)位置误差是指关联实际要素的位置对基准的变动全量。主要位置误差有平行度、垂直度、倾斜度、同轴度、对称度等。提供精准面授精华视频+精准押题:一建、二建、咨询、监理、造价、环评、经济师、安全、房估、消防等QQ/VX:2069910086嗨学网|职业价值点亮者2www.haixue.com考点机械设备安装的精度控制要求【例题】位置误差是指实际要素的位置对基准的变化量,下列属于位置误差的有()。A.平面度B.平行度C.同轴度D.圆柱度E.对称度【答案】BCE考点机械设备安装的精度控制要求三、安装精度的控制方法:1.提高安装精度的方法应从人、机、料、法、环等5方面着手。尤其要强调人的作用...

1、当您付费下载文档后,您只拥有了使用权限,并不意味着购买了版权,文档只能用于自身使用,不得用于其他商业用途(如 [转卖]进行直接盈利或[编辑后售卖]进行间接盈利)。
2、本站所有内容均由合作方或网友上传,本站不对文档的完整性、权威性及其观点立场正确性做任何保证或承诺!文档内容仅供研究参考,付费前请自行鉴别。
3、如文档内容存在违规,或者侵犯商业秘密、侵犯著作权等,请点击“违规举报”。

碎片内容

蜗牛文库的最新文档

二年级数学下册其中检测卷二年级数学下册其中检测卷附答案#期中测试卷.pdf
10.00金币
0下载
二年级数学下册期末质检卷(苏教版)二年级数学下册期末质检卷(苏教版)#期末复习 #期末测试卷 #二年级数学 #二年级数学下册#关注我持续更新小学知识.pdf
10.00金币
0下载
二年级数学下册期末混合运算专项练习二年级数学下册期末混合运算专项练习#二年级#二年级数学下册#关注我持续更新小学知识 #知识分享 #家长收藏孩子受益.pdf
10.00金币
1下载
二年级数学下册年月日三类周期问题解题方法二年级数学下册年月日三类周期问题解题方法#二年级#二年级数学下册#知识分享 #关注我持续更新小学知识 #家长收藏孩子受益.pdf
10.00金币
0下载
二年级数学下册解决问题专项训练二年级数学下册解决问题专项训练#专项训练#解决问题#二年级#二年级数学下册#知识分享.pdf
10.00金币
1下载
二年级数学下册还原问题二年级数学下册还原问题#二年级#二年级数学#关注我持续更新小学知识 #知识分享 #家长收藏孩子受益.pdf
10.00金币
1下载
二年级数学下册第六单元考试卷家长打印出来给孩子测试测试争取拿到高分!#小学二年级试卷分享 #二年级第六单考试数学 #第六单考试#二年级数学下册.pdf
10.00金币
0下载
二年级数学下册必背顺口溜口诀汇总二年级数学下册必背顺口溜口诀汇总#二年级#二年级数学下册 #知识分享 #家长收藏孩子受益 #关注我持续更新小学知识.pdf
10.00金币
0下载
二年级数学下册《重点难点思维题》两大问题解决技巧和方法巧算星期几解决周期问题还原问题强化思维训练老师精心整理家长可以打印出来给孩子练习#家长收藏孩子受益 #学霸秘籍 #思维训练 #二年级 #知识点总结.pdf
10.00金币
0下载
二年级数学下册 必背公式大全寒假提前背一背开学更轻松#二年级 #二年级数学 #二年级数学下册 #寒假充电计划 #公式.pdf
10.00金币
0下载
蜗牛文库+ 关注
实名认证
内容提供者

提供各种专业文档内容

确认删除?
QQ
  • QQ点击这里给我发消息
微信客服
  • 微信客服
回到顶部