电脑桌面
添加蜗牛文库到电脑桌面
安装后可以在桌面快捷访问

WM_34、1Z204000第05讲 建设工程项目施工质量控制(二).pdfVIP免费

WM_34、1Z204000第05讲 建设工程项目施工质量控制(二).pdf_第1页
WM_34、1Z204000第05讲 建设工程项目施工质量控制(二).pdf_第2页
WM_34、1Z204000第05讲 建设工程项目施工质量控制(二).pdf_第3页
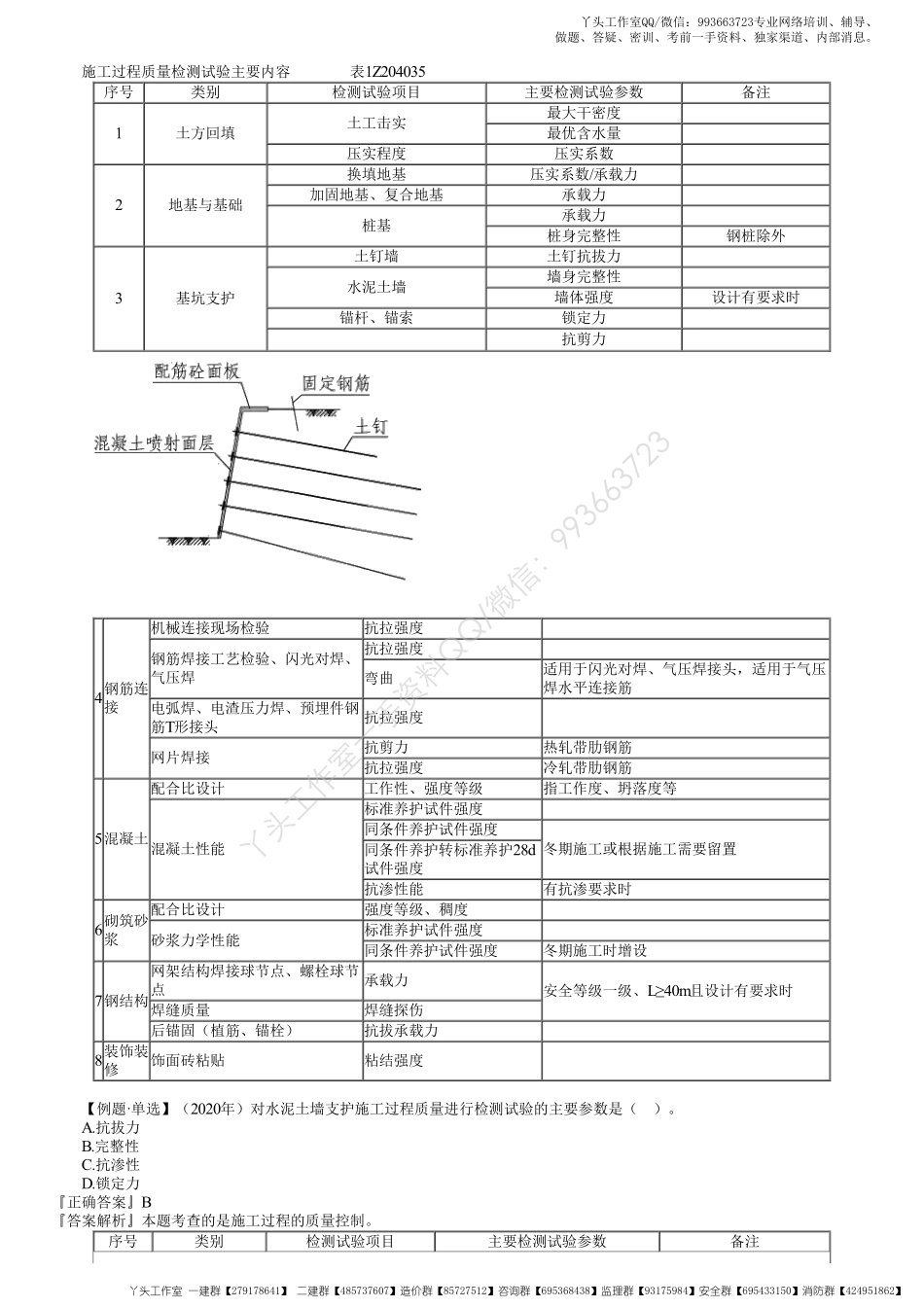
4034施工准备的质量控制施工准备的质量控制一、施工技术准备工作的质量控制一、施工技术准备工作的质量控制技术准备:熟悉施工图纸,组织设计交底和图纸审查;进行工程项目检查验收的项目划分和编号;审核相关质量文件,细化施工技术方案和施工人员、机具的配置方案,编制施工作业技术指导书,绘制各种施工详图(测量放线图、大样图及配筋、配板、配线图表等),进行必要的技术交底和技术培训。质量控制内容:对成果的复核审查,是否符合图纸和技术标准要求;依据批准的质量计划,完善质量控制措施;明确质量控制的重点对象和控制方法等。二、现场施工准备工作的质量控制二、现场施工准备工作的质量控制1.计量控制计量内容:生产时投料计量;施工测量;监测计量;对项目、产品或过程的测试、检验、分析计量等。如何控制?建立和完善制度、明确责任者及配置人员、对器具维修和校验、统一计量单位,组织量值传递等,保证计量在准确。固井作业是钻井工程中最为关键的一次作业,固井施工作业具有技术密集程度高、施工时间短、作业风险大、工程质量对后续工程措施影响程度大且难以补救的特点。固井施工作业过程中的监测计量仪表能对固井作业进行全过程的监测与计量,其作用十分重要。2.测量控制测量放线是建设工程产品由设计转化为实物的第一步。编制测量控制方案,经项目技术负责人批准后实施。复核建设单位提供的原始坐标点、基准线和水准点等测量控制点,并将复测结果上报监理工程师审核,批准后进行工程定位和标高基准的控制。3.施工平面图控制建设单位:应按照合同约定并充分考虑施工的实际需要,事先划定并提供施工用地和现场临时设施用地的范围,协调平衡和审查批准各施工单位的施工平面设计。施工单位:严格按照批准的施工平面布置图,合理使用场地、正确安装设备和临设、维护道路通畅和通信设施完好等。三、工程质量检查验收的项目划分三、工程质量检查验收的项目划分单位工程独立的施工条件、独立的使用功能的建筑物及构筑物;规模大的可划分为子单位工程分部工程按专业性质、工程部位确定。较大或复杂的可划分为子分部工程(材料种类、施工特点、施工程序、专业系统及类别)【特种程序系统】(子分部:混凝土结构、钢结构)分项工程按主要工种、材料(钢筋工程、混凝土工程)、施工工艺、设备类别等进行划分丫头工作室一手资料QQ/微信:993663723丫头工作室QQ/微信:993663723专业网络培训、辅导、做题、答疑、密训、考前一手资料、独家渠道...

1、当您付费下载文档后,您只拥有了使用权限,并不意味着购买了版权,文档只能用于自身使用,不得用于其他商业用途(如 [转卖]进行直接盈利或[编辑后售卖]进行间接盈利)。
2、本站所有内容均由合作方或网友上传,本站不对文档的完整性、权威性及其观点立场正确性做任何保证或承诺!文档内容仅供研究参考,付费前请自行鉴别。
3、如文档内容存在违规,或者侵犯商业秘密、侵犯著作权等,请点击“违规举报”。

碎片内容

蜗牛文库的最新文档

二年级数学下册其中检测卷二年级数学下册其中检测卷附答案#期中测试卷.pdf
10.00金币
0下载
二年级数学下册期末质检卷(苏教版)二年级数学下册期末质检卷(苏教版)#期末复习 #期末测试卷 #二年级数学 #二年级数学下册#关注我持续更新小学知识.pdf
10.00金币
0下载
二年级数学下册期末混合运算专项练习二年级数学下册期末混合运算专项练习#二年级#二年级数学下册#关注我持续更新小学知识 #知识分享 #家长收藏孩子受益.pdf
10.00金币
1下载
二年级数学下册年月日三类周期问题解题方法二年级数学下册年月日三类周期问题解题方法#二年级#二年级数学下册#知识分享 #关注我持续更新小学知识 #家长收藏孩子受益.pdf
10.00金币
0下载
二年级数学下册解决问题专项训练二年级数学下册解决问题专项训练#专项训练#解决问题#二年级#二年级数学下册#知识分享.pdf
10.00金币
1下载
二年级数学下册还原问题二年级数学下册还原问题#二年级#二年级数学#关注我持续更新小学知识 #知识分享 #家长收藏孩子受益.pdf
10.00金币
1下载
二年级数学下册第六单元考试卷家长打印出来给孩子测试测试争取拿到高分!#小学二年级试卷分享 #二年级第六单考试数学 #第六单考试#二年级数学下册.pdf
10.00金币
0下载
二年级数学下册必背顺口溜口诀汇总二年级数学下册必背顺口溜口诀汇总#二年级#二年级数学下册 #知识分享 #家长收藏孩子受益 #关注我持续更新小学知识.pdf
10.00金币
0下载
二年级数学下册《重点难点思维题》两大问题解决技巧和方法巧算星期几解决周期问题还原问题强化思维训练老师精心整理家长可以打印出来给孩子练习#家长收藏孩子受益 #学霸秘籍 #思维训练 #二年级 #知识点总结.pdf
10.00金币
0下载
二年级数学下册 必背公式大全寒假提前背一背开学更轻松#二年级 #二年级数学 #二年级数学下册 #寒假充电计划 #公式.pdf
10.00金币
0下载
蜗牛文库+ 关注
实名认证
内容提供者

提供各种专业文档内容

确认删除?
QQ
  • QQ点击这里给我发消息
微信客服
  • 微信客服
回到顶部