电脑桌面
添加蜗牛文库到电脑桌面
安装后可以在桌面快捷访问

WM_Removed_07、电气工程计量规则1.pdfVIP免费

WM_Removed_07、电气工程计量规则1.pdf_第1页
WM_Removed_07、电气工程计量规则1.pdf_第2页
WM_Removed_07、电气工程计量规则1.pdf_第3页
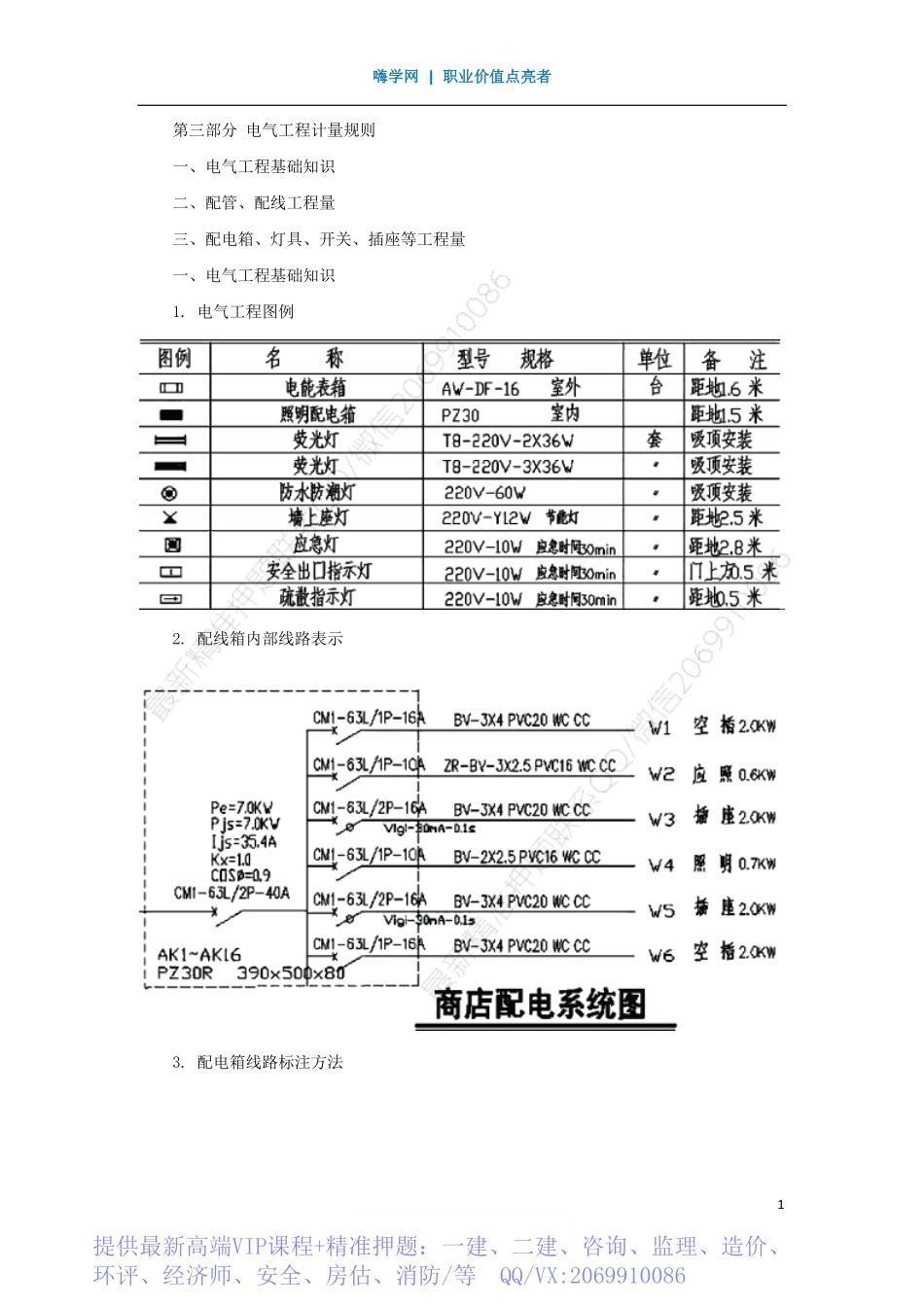
嗨学网|职业价值点亮者1第三部分电气工程计量规则一、电气工程基础知识二、配管、配线工程量三、配电箱、灯具、开关、插座等工程量一、电气工程基础知识1.电气工程图例2.配线箱内部线路表示3.配电箱线路标注方法提供最新高端VIP课程+精准押题:一建、二建、咨询、监理、造价、环评、经济师、安全、房估、消防/等QQ/VX:2069910086嗨学网|职业价值点亮者2FC-地面暗敷;CC顶板暗敷;WC墙内暗敷二、配管、配线工程量(一)配管、线槽、桥架工程1.配管按设计图示尺寸以长度计算;配管安装不扣除管路中间的接线箱(盒)、灯头盒、开关盒所占长度,但应扣除配电箱所占长度。2.线槽按设计图示尺寸以长度计算;线槽安装不扣除管路中间的接线箱(盒)、灯头盒、开关盒所占长度。嗨学网|职业价值点亮者33.桥架工程量计算规则:按设计图示尺寸以长度计算。(二)配线、电缆、接地母线1.配线工程量计算规则:按设计图示尺寸以单线长度计算(含预留长度);预留长度为配电箱、盘面尺寸的高+宽(半周长)。嗨学网|职业价值点亮者42.电力电缆、控制电缆(1)工程量计算规则:按设计图示尺寸以长度计算;(2)电缆敷设弛度、波形弯度、交叉附加长度为2.5%。3.接地母线、引下线、避雷网工程量计算规则:按设计图示尺寸以长度计算(另加3.9%的附加长度)。(三)预留长度1.配线进入盘、箱、柜的预留长度序号项目预留长度(m)说明1各种开关箱、柜、板高+宽盘面尺寸2单独安装(无箱、盘)的铁壳开关、0.3从安装对象嗨学网|职业价值点亮者5闸刀开关、启动器、线槽进出线盒等中心算起3由地面管子出口引至动力接线箱1.0从管口计算4电源与管内导线连接(管内穿线与软、硬母线接点)1.5从管口计算5出户线1.5从管口计算2.接地母线、引下线、避雷网附加长度(m)项目附加长度说明接地母线、引下线、避雷网附加长度3.9%按接地母线、引下线、避雷网全长计算3.电缆的附加长度(m)序号项目预留长度(m)说明1电缆敷设弛度、波形弯度、交叉2.5%按电缆全长计算2电缆进入建筑物2.0规范规定最小值3电缆进入沟内或吊架时引上(下)预留1.5规范规定最小值4变电所进线、出线1.5规范规定最小值5电力电缆终端头1.5检修余量最小值6电缆中间接头盒两端各留2.0检修余量最小值7电缆进控制、保护屏及模拟盘、配电箱等高+宽按盘面尺寸8高压开关柜及低压配电盘、箱2.0盘下进出线9电缆至电动机0.5从电动机接线盒算起10厂用变压器3.0从地坪算起11电缆绕过梁柱等增加长度按实计算按被绕物的断面情况计...

1、当您付费下载文档后,您只拥有了使用权限,并不意味着购买了版权,文档只能用于自身使用,不得用于其他商业用途(如 [转卖]进行直接盈利或[编辑后售卖]进行间接盈利)。
2、本站所有内容均由合作方或网友上传,本站不对文档的完整性、权威性及其观点立场正确性做任何保证或承诺!文档内容仅供研究参考,付费前请自行鉴别。
3、如文档内容存在违规,或者侵犯商业秘密、侵犯著作权等,请点击“违规举报”。

碎片内容

蜗牛文库的最新文档

二年级数学下册其中检测卷二年级数学下册其中检测卷附答案#期中测试卷.pdf
10.00金币
0下载
二年级数学下册期末质检卷(苏教版)二年级数学下册期末质检卷(苏教版)#期末复习 #期末测试卷 #二年级数学 #二年级数学下册#关注我持续更新小学知识.pdf
10.00金币
0下载
二年级数学下册期末混合运算专项练习二年级数学下册期末混合运算专项练习#二年级#二年级数学下册#关注我持续更新小学知识 #知识分享 #家长收藏孩子受益.pdf
10.00金币
1下载
二年级数学下册年月日三类周期问题解题方法二年级数学下册年月日三类周期问题解题方法#二年级#二年级数学下册#知识分享 #关注我持续更新小学知识 #家长收藏孩子受益.pdf
10.00金币
0下载
二年级数学下册解决问题专项训练二年级数学下册解决问题专项训练#专项训练#解决问题#二年级#二年级数学下册#知识分享.pdf
10.00金币
1下载
二年级数学下册还原问题二年级数学下册还原问题#二年级#二年级数学#关注我持续更新小学知识 #知识分享 #家长收藏孩子受益.pdf
10.00金币
1下载
二年级数学下册第六单元考试卷家长打印出来给孩子测试测试争取拿到高分!#小学二年级试卷分享 #二年级第六单考试数学 #第六单考试#二年级数学下册.pdf
10.00金币
0下载
二年级数学下册必背顺口溜口诀汇总二年级数学下册必背顺口溜口诀汇总#二年级#二年级数学下册 #知识分享 #家长收藏孩子受益 #关注我持续更新小学知识.pdf
10.00金币
0下载
二年级数学下册《重点难点思维题》两大问题解决技巧和方法巧算星期几解决周期问题还原问题强化思维训练老师精心整理家长可以打印出来给孩子练习#家长收藏孩子受益 #学霸秘籍 #思维训练 #二年级 #知识点总结.pdf
10.00金币
0下载
二年级数学下册 必背公式大全寒假提前背一背开学更轻松#二年级 #二年级数学 #二年级数学下册 #寒假充电计划 #公式.pdf
10.00金币
0下载
蜗牛文库+ 关注
实名认证
内容提供者

提供各种专业文档内容

确认删除?
QQ
  • QQ点击这里给我发消息
微信客服
  • 微信客服
回到顶部