电脑桌面
添加蜗牛文库到电脑桌面
安装后可以在桌面快捷访问

WM_Removed_17、第二章 (8)工业建筑构造.pdfVIP免费

WM_Removed_17、第二章 (8)工业建筑构造.pdf_第1页
WM_Removed_17、第二章 (8)工业建筑构造.pdf_第2页
WM_Removed_17、第二章 (8)工业建筑构造.pdf_第3页
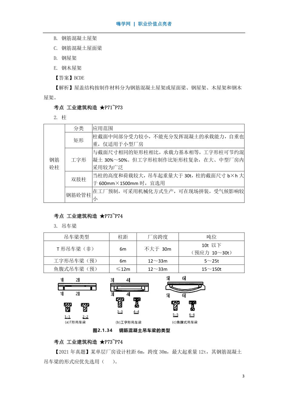
嗨学网|职业价值点亮者1建设工程技术与计量(土建)精讲通关一级造价师主讲老师:王兴宇导图P70~P75考点工业建筑构造★P70~P75内容:单层厂房的结构组成单层厂房承重结构构造考频:年份20232022202120202019题型无无单选单选多选分值------112考点工业建筑构造★P70~P70一、单层厂房的结构组成承重结构横向排架由基础、柱、屋架组成,主要是承受厂房的各种竖向荷载纵向连系构件由吊车梁、连系梁、基础梁等组成,与横向排架构成骨架,保证厂房的整体性和稳定性支撑系统构件包括柱间支撑和屋盖支撑两部分支撑构件设置在屋架之间的称为屋架支撑;设置在纵向柱列之间的称为柱间支撑支撑构件主要传递水平荷载,起保证厂房空间刚度和稳定性的作用围护结构包括外墙、屋顶、地面、门窗、天窗、地沟、散水、坡道、消防梯、吊车梯等提供最新高端VIP课程+精准押题:一建、二建、咨询、监理、造价、环评、经济师、安全、房估、消防/等QQ/VX:2069910086嗨学网|职业价值点亮者2考点工业建筑构造★P70~P70【2020年真题】单层工业厂房柱间支撑的作用是()。A.提高厂房局部竖向承载能力B.方便检修维护吊车梁C.提升厂房内部美观效果D.加强厂房纵向刚度和稳定性【答案】D【解析】柱间支撑的作用是加强厂房纵向刚度和稳定性,将吊车纵向制动力和山墙抗风柱经屋盖系统传来的风力经柱间支撑传至基础。考点工业建筑构造★P70~P70二、单层厂房承重结构构造1.屋盖结构类型有檩体系刚度差,适用于中小型厂房无檩体系整体性好,刚度大,适用于大中型厂房。承重构件屋架按制作材料分为钢筋混凝土屋架或屋面梁、钢屋架、木屋架和钢木屋架。折线形屋架引用了拱形屋架的合理外形,改善了屋面坡度,是目前较常采用的一种屋架形式。考点工业建筑构造★P70~P70【2019年真题】单层工业厂房屋盖常见的承重构件有()。A.钢筋混凝土屋面板嗨学网|职业价值点亮者3B.钢筋混凝土屋架C.钢筋混凝土屋面梁D.钢屋架E.钢木屋架【答案】BCDE【解析】屋盖结构按制作材料分为钢筋混凝土屋架或屋面梁、钢屋架、木屋架和钢木屋架。考点工业建筑构造★P71~P732.柱钢筋砼柱分类应用范围矩形柱截面中间部分受力较小,不能充分发挥混凝土的承载能力,自重也重,仅适用于小型厂房工字形与截面尺寸相同的矩形柱相比,承载力基本相等,工字形柱可节约混凝土30%~50%。但工字形柱制作比矩形柱复杂,在大、中型厂房内采用较为广泛双肢柱当柱的高度和荷载较大,吊车起重量大于30t,柱的截面尺寸b×h大于600mm×1...

1、当您付费下载文档后,您只拥有了使用权限,并不意味着购买了版权,文档只能用于自身使用,不得用于其他商业用途(如 [转卖]进行直接盈利或[编辑后售卖]进行间接盈利)。
2、本站所有内容均由合作方或网友上传,本站不对文档的完整性、权威性及其观点立场正确性做任何保证或承诺!文档内容仅供研究参考,付费前请自行鉴别。
3、如文档内容存在违规,或者侵犯商业秘密、侵犯著作权等,请点击“违规举报”。

碎片内容

蜗牛文库的最新文档

二年级数学下册其中检测卷二年级数学下册其中检测卷附答案#期中测试卷.pdf
10.00金币
0下载
二年级数学下册期末质检卷(苏教版)二年级数学下册期末质检卷(苏教版)#期末复习 #期末测试卷 #二年级数学 #二年级数学下册#关注我持续更新小学知识.pdf
10.00金币
0下载
二年级数学下册期末混合运算专项练习二年级数学下册期末混合运算专项练习#二年级#二年级数学下册#关注我持续更新小学知识 #知识分享 #家长收藏孩子受益.pdf
10.00金币
1下载
二年级数学下册年月日三类周期问题解题方法二年级数学下册年月日三类周期问题解题方法#二年级#二年级数学下册#知识分享 #关注我持续更新小学知识 #家长收藏孩子受益.pdf
10.00金币
0下载
二年级数学下册解决问题专项训练二年级数学下册解决问题专项训练#专项训练#解决问题#二年级#二年级数学下册#知识分享.pdf
10.00金币
1下载
二年级数学下册还原问题二年级数学下册还原问题#二年级#二年级数学#关注我持续更新小学知识 #知识分享 #家长收藏孩子受益.pdf
10.00金币
1下载
二年级数学下册第六单元考试卷家长打印出来给孩子测试测试争取拿到高分!#小学二年级试卷分享 #二年级第六单考试数学 #第六单考试#二年级数学下册.pdf
10.00金币
0下载
二年级数学下册必背顺口溜口诀汇总二年级数学下册必背顺口溜口诀汇总#二年级#二年级数学下册 #知识分享 #家长收藏孩子受益 #关注我持续更新小学知识.pdf
10.00金币
0下载
二年级数学下册《重点难点思维题》两大问题解决技巧和方法巧算星期几解决周期问题还原问题强化思维训练老师精心整理家长可以打印出来给孩子练习#家长收藏孩子受益 #学霸秘籍 #思维训练 #二年级 #知识点总结.pdf
10.00金币
0下载
二年级数学下册 必背公式大全寒假提前背一背开学更轻松#二年级 #二年级数学 #二年级数学下册 #寒假充电计划 #公式.pdf
10.00金币
0下载
蜗牛文库+ 关注
实名认证
内容提供者

提供各种专业文档内容

确认删除?
QQ
  • QQ点击这里给我发消息
微信客服
  • 微信客服
回到顶部