电脑桌面
添加蜗牛文库到电脑桌面
安装后可以在桌面快捷访问

WM_Removed_09、电气工程计量规则3.pdfVIP免费

WM_Removed_09、电气工程计量规则3.pdf_第1页
WM_Removed_09、电气工程计量规则3.pdf_第2页
WM_Removed_09、电气工程计量规则3.pdf_第3页
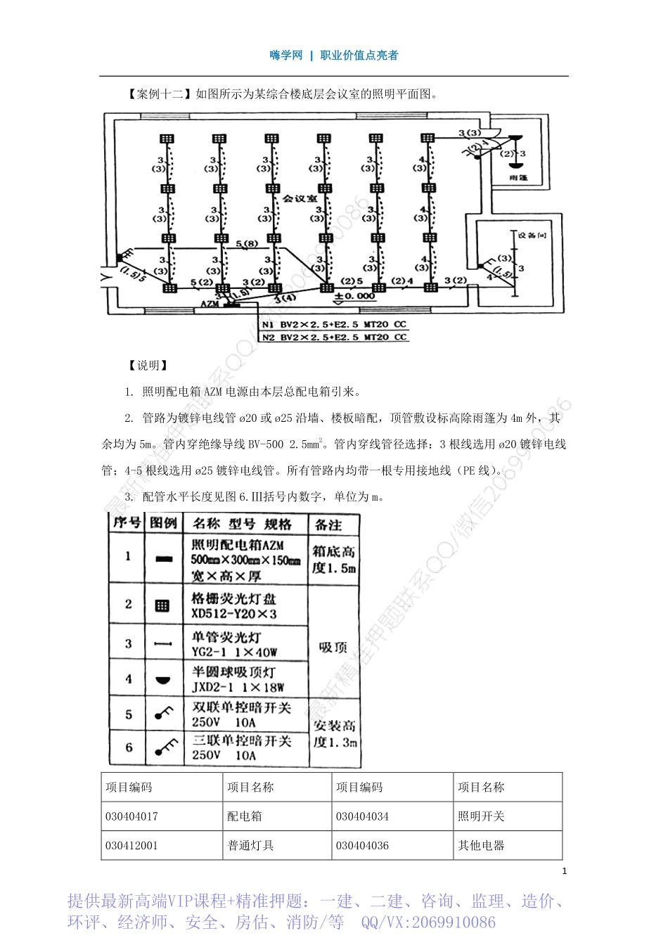
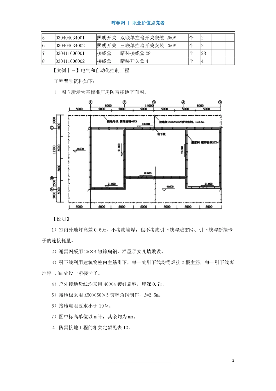
嗨学网|职业价值点亮者1【案例十二】如图所示为某综合楼底层会议室的照明平面图。【说明】1.照明配电箱AZM电源由本层总配电箱引来。2.管路为镀锌电线管ø20或ø25沿墙、楼板暗配,顶管敷设标高除雨篷为4m外,其余均为5m。管内穿绝缘导线BV-5002.5mm2。管内穿线管径选择:3根线选用ø20镀锌电线管;4-5根线选用ø25镀锌电线管。所有管路内均带一根专用接地线(PE线)。3.配管水平长度见图6.Ⅲ括号内数字,单位为m。项目编码项目名称项目编码项目名称030404017配电箱030404034照明开关030412001普通灯具030404036其他电器提供最新高端VIP课程+精准押题:一建、二建、咨询、监理、造价、环评、经济师、安全、房估、消防/等QQ/VX:2069910086嗨学网|职业价值点亮者2030412004装饰灯030411005接线箱030412005荧光灯030404031小电器030404019控制开关030411006接线盒【问题】1.列式计算管、线工程量。2.计算配电箱、灯具、开关、接线盒的工程量。编制相应的“分部分项工程和单价措施项目清单与计价表”。【答案】1.管线工程量如下:(1)镀锌电线管Φ20暗配工程量计算式:3线:3×3×5+2+[3+(5-4)]+2+3+2+[1.5+(5-1.5-0.3)]+[4+(5-1.5-0.3)]=69.9m(2)镀锌电线管Φ25暗配工程量计算式:4线:3×3+2+[1.5+(5-1.3)]+[2+(4-1.3)]=20.9m5线:2+2+[8+(5-1.3)]+[1.5+(5-1.3)]=20.9m合计:20.9+20.9=41.8m(3)管内穿线BV-5002.5mm2工程量计算式:3×69.9+4×20.9+5×20.9+[(0.5+0.3)×3×2]=402.6m2.配电箱、灯具、开关、接线盒的工程量及“分部分项工程和单价措施项目清单与计价表”如下:序号项目编码项目名称项目特征计量单位工程量金额(元)综合单价合价1030404017001配电箱照明配电箱(AZM)嵌入式安装,尺寸:500mm×30mm×150mm(宽×高×厚);箱底高度1.5m台12030412005001荧光灯格栅荧光灯盘XD-512-Y20×3吸项安装套243030412005002荧光灯单管荧光灯YG2-1吸顶安装套24030412001001普通灯具半圆球吸顶灯JXD2-1安装套2嗨学网|职业价值点亮者35030404034001照明开关双联单控暗开关安装250V个26030404034002照明开关三联单控暗开关安装250V个27030411006001接线盒暗装接线盒28个288030411006002接线盒暗装开关盒4个4【案例十三】电气和自动化控制工程工程背景资料如下:1.图5所示为某标准厂房防雷接地平面图。【说明】1)室内外地坪高差0.60m,不考虑墙厚,也不考虑引下线与避雷网、引下线与断接卡子的连接耗量。2)避...

1、当您付费下载文档后,您只拥有了使用权限,并不意味着购买了版权,文档只能用于自身使用,不得用于其他商业用途(如 [转卖]进行直接盈利或[编辑后售卖]进行间接盈利)。
2、本站所有内容均由合作方或网友上传,本站不对文档的完整性、权威性及其观点立场正确性做任何保证或承诺!文档内容仅供研究参考,付费前请自行鉴别。
3、如文档内容存在违规,或者侵犯商业秘密、侵犯著作权等,请点击“违规举报”。

碎片内容

蜗牛文库的最新文档

二年级数学下册其中检测卷二年级数学下册其中检测卷附答案#期中测试卷.pdf
10.00金币
0下载
二年级数学下册期末质检卷(苏教版)二年级数学下册期末质检卷(苏教版)#期末复习 #期末测试卷 #二年级数学 #二年级数学下册#关注我持续更新小学知识.pdf
10.00金币
0下载
二年级数学下册期末混合运算专项练习二年级数学下册期末混合运算专项练习#二年级#二年级数学下册#关注我持续更新小学知识 #知识分享 #家长收藏孩子受益.pdf
10.00金币
1下载
二年级数学下册年月日三类周期问题解题方法二年级数学下册年月日三类周期问题解题方法#二年级#二年级数学下册#知识分享 #关注我持续更新小学知识 #家长收藏孩子受益.pdf
10.00金币
0下载
二年级数学下册解决问题专项训练二年级数学下册解决问题专项训练#专项训练#解决问题#二年级#二年级数学下册#知识分享.pdf
10.00金币
1下载
二年级数学下册还原问题二年级数学下册还原问题#二年级#二年级数学#关注我持续更新小学知识 #知识分享 #家长收藏孩子受益.pdf
10.00金币
1下载
二年级数学下册第六单元考试卷家长打印出来给孩子测试测试争取拿到高分!#小学二年级试卷分享 #二年级第六单考试数学 #第六单考试#二年级数学下册.pdf
10.00金币
0下载
二年级数学下册必背顺口溜口诀汇总二年级数学下册必背顺口溜口诀汇总#二年级#二年级数学下册 #知识分享 #家长收藏孩子受益 #关注我持续更新小学知识.pdf
10.00金币
0下载
二年级数学下册《重点难点思维题》两大问题解决技巧和方法巧算星期几解决周期问题还原问题强化思维训练老师精心整理家长可以打印出来给孩子练习#家长收藏孩子受益 #学霸秘籍 #思维训练 #二年级 #知识点总结.pdf
10.00金币
0下载
二年级数学下册 必背公式大全寒假提前背一背开学更轻松#二年级 #二年级数学 #二年级数学下册 #寒假充电计划 #公式.pdf
10.00金币
0下载
蜗牛文库+ 关注
实名认证
内容提供者

提供各种专业文档内容

确认删除?
QQ
  • QQ点击这里给我发消息
微信客服
  • 微信客服
回到顶部