电脑桌面
添加蜗牛文库到电脑桌面
安装后可以在桌面快捷访问

26、1A415000第15讲 抹灰工程与轻质隔墙工程施工.pdfVIP免费

26、1A415000第15讲 抹灰工程与轻质隔墙工程施工.pdf_第1页
26、1A415000第15讲 抹灰工程与轻质隔墙工程施工.pdf_第2页
26、1A415000第15讲 抹灰工程与轻质隔墙工程施工.pdf_第3页
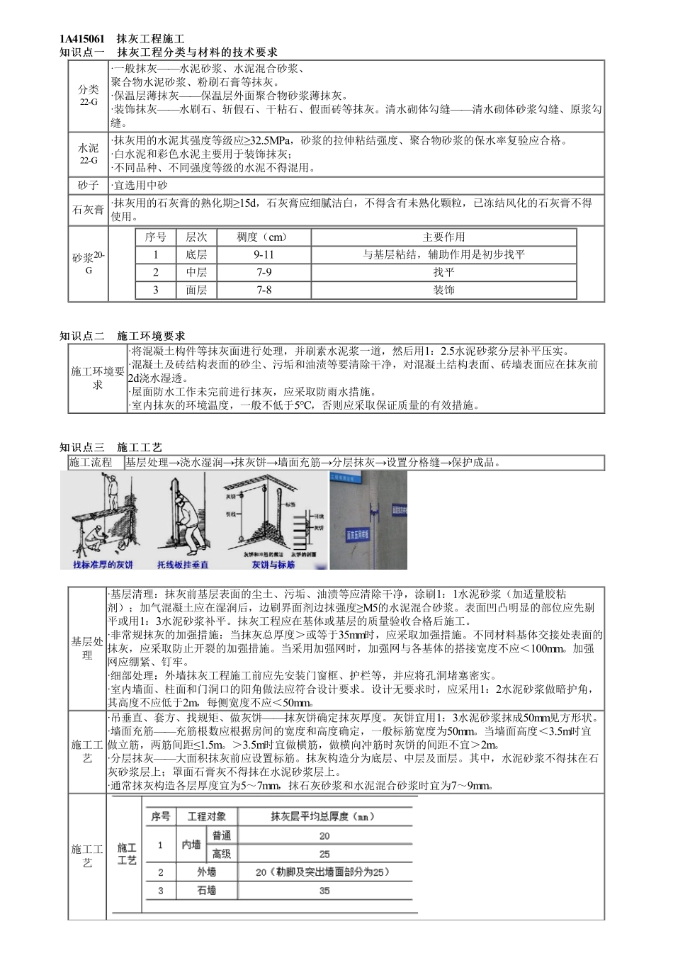
1A415061抹灰工程施工抹灰工程施工知识点一抹灰工程分类与材料的技术要求知识点一抹灰工程分类与材料的技术要求分类22-G·一般抹灰——水泥砂浆、水泥混合砂浆、聚合物水泥砂浆、粉刷石膏等抹灰。·保温层薄抹灰——保温层外面聚合物砂浆薄抹灰。·装饰抹灰——水刷石、斩假石、干粘石、假面砖等抹灰。清水砌体勾缝——清水砌体砂浆勾缝、原浆勾缝。水泥22-G·抹灰用的水泥其强度等级应≥32.5MPa,砂浆的拉伸粘结强度、聚合物砂浆的保水率复验应合格。·白水泥和彩色水泥主要用于装饰抹灰;·不同品种、不同强度等级的水泥不得混用。砂子·宜选用中砂石灰膏·抹灰用的石灰膏的熟化期≥15d,石灰膏应细腻洁白,不得含有未熟化颗粒,已冻结风化的石灰膏不得使用。砂浆20-G序号层次稠度(cm)主要作用1底层9-11与基层粘结,辅助作用是初步找平2中层7-9找平3面层7-8装饰知识点二施工环境要求知识点二施工环境要求施工环境要求·将混凝土构件等抹灰面进行处理,并刷素水泥浆一道,然后用1:2.5水泥砂浆分层补平压实。·混凝土及砖结构表面的砂尘、污垢和油渍等要清除干净,对混凝土结构表面、砖墙表面应在抹灰前2d浇水湿透。·屋面防水工作未完前进行抹灰,应采取防雨水措施。·室内抹灰的环境温度,一般不低于5℃,否则应采取保证质量的有效措施。知识点三施工工艺知识点三施工工艺施工流程基层处理→浇水湿润→抹灰饼→墙面充筋→分层抹灰→设置分格缝→保护成品。基层处理·基层清理:抹灰前基层表面的尘土、污垢、油渍等应清除干净,涂刷1:1水泥砂浆(加适量胶粘剂);加气混凝土应在湿润后,边刷界面剂边抹强度≥M5的水泥混合砂浆。表面凹凸明显的部位应先剔平或用1:3水泥砂浆补平。抹灰工程应在基体或基层的质量验收合格后施工。·非常规抹灰的加强措施:当抹灰总厚度>或等于35mm时,应采取加强措施。不同材料基体交接处表面的抹灰,应采取防止开裂的加强措施。当采用加强网时,加强网与各基体的搭接宽度不应<100mm。加强网应绷紧、钉牢。·细部处理:外墙抹灰工程施工前应先安装门窗框、护栏等,并应将孔洞堵塞密实。·室内墙面、柱面和门洞口的阳角做法应符合设计要求。设计无要求时,应采用1:2水泥砂浆做暗护角,其高度不应低于2m,每侧宽度不应<50mm。施工工艺·吊垂直、套方、找规矩、做灰饼——抹灰饼确定抹灰厚度。灰饼宜用1:3水泥砂浆抹成50mm见方形状。·墙面充筋——充筋根数应根据房间的宽度和高度确定,一般标筋宽度为50mm。当...

1、当您付费下载文档后,您只拥有了使用权限,并不意味着购买了版权,文档只能用于自身使用,不得用于其他商业用途(如 [转卖]进行直接盈利或[编辑后售卖]进行间接盈利)。
2、本站所有内容均由合作方或网友上传,本站不对文档的完整性、权威性及其观点立场正确性做任何保证或承诺!文档内容仅供研究参考,付费前请自行鉴别。
3、如文档内容存在违规,或者侵犯商业秘密、侵犯著作权等,请点击“违规举报”。

碎片内容

蜗牛文库的最新文档

二年级数学下册其中检测卷二年级数学下册其中检测卷附答案#期中测试卷.pdf
10.00金币
0下载
二年级数学下册期末质检卷(苏教版)二年级数学下册期末质检卷(苏教版)#期末复习 #期末测试卷 #二年级数学 #二年级数学下册#关注我持续更新小学知识.pdf
10.00金币
0下载
二年级数学下册期末混合运算专项练习二年级数学下册期末混合运算专项练习#二年级#二年级数学下册#关注我持续更新小学知识 #知识分享 #家长收藏孩子受益.pdf
10.00金币
1下载
二年级数学下册年月日三类周期问题解题方法二年级数学下册年月日三类周期问题解题方法#二年级#二年级数学下册#知识分享 #关注我持续更新小学知识 #家长收藏孩子受益.pdf
10.00金币
0下载
二年级数学下册解决问题专项训练二年级数学下册解决问题专项训练#专项训练#解决问题#二年级#二年级数学下册#知识分享.pdf
10.00金币
1下载
二年级数学下册还原问题二年级数学下册还原问题#二年级#二年级数学#关注我持续更新小学知识 #知识分享 #家长收藏孩子受益.pdf
10.00金币
1下载
二年级数学下册第六单元考试卷家长打印出来给孩子测试测试争取拿到高分!#小学二年级试卷分享 #二年级第六单考试数学 #第六单考试#二年级数学下册.pdf
10.00金币
0下载
二年级数学下册必背顺口溜口诀汇总二年级数学下册必背顺口溜口诀汇总#二年级#二年级数学下册 #知识分享 #家长收藏孩子受益 #关注我持续更新小学知识.pdf
10.00金币
0下载
二年级数学下册《重点难点思维题》两大问题解决技巧和方法巧算星期几解决周期问题还原问题强化思维训练老师精心整理家长可以打印出来给孩子练习#家长收藏孩子受益 #学霸秘籍 #思维训练 #二年级 #知识点总结.pdf
10.00金币
0下载
二年级数学下册 必背公式大全寒假提前背一背开学更轻松#二年级 #二年级数学 #二年级数学下册 #寒假充电计划 #公式.pdf
10.00金币
0下载
蜗牛文库+ 关注
实名认证
内容提供者

提供各种专业文档内容

确认删除?
QQ
  • QQ点击这里给我发消息
微信客服
  • 微信客服
回到顶部