电脑桌面
添加蜗牛文库到电脑桌面
安装后可以在桌面快捷访问

2008年北京化工大学机械综合(含机械设计和机械原理)考研样题.pdfVIP免费

2008年北京化工大学机械综合(含机械设计和机械原理)考研样题.pdf_第1页
2008年北京化工大学机械综合(含机械设计和机械原理)考研样题.pdf_第2页
2008年北京化工大学机械综合(含机械设计和机械原理)考研样题.pdf_第3页
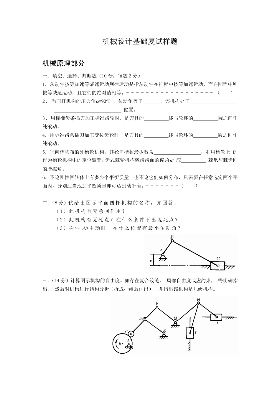
机械设计基础复试样题机械原理部分一.填空、选择、判断题(10分,每题2分)1.从动件按等加速等减速运动规律运动是指从动件在推程中按等加速运动,而在回程中则按等减速运动,且它们的绝对值相等。------------------()2.当四杆机构的压力角α=90°时,传动角等于,该机构处于位置。3.用标准齿条插刀加工标准齿轮时,是刀具的线与轮坯的圆之间作纯滚动。4.用标准齿条插刀加工变位齿轮时,是刀具的线与轮坯的圆之间作纯滚动。5.径向槽均布的外槽轮机构,其径向槽数最少数为,利用槽轮上的作为槽轮机构中的定位装置,齿式棘轮机构棘齿齿面的偏角ϕ应棘爪与棘齿间的摩擦角。6.不论刚性回转体上有多少个平衡质量,也不论它们如何分布,只需要在任意选定两个平面内,分别适当地加平衡质量即可达到动平衡。-------()二.(8分)试给出图示平面四杆机构的名称,并回答:(1)此机构有无急回作用?(2)此机构有无死点?在什么条件下出现死点?(3)构件AB主动时,在什么位置有最小传动角?三.(14分)计算图示机构的自由度。如存在复合铰链、局部自由度或虚约束,需明确指出。然后对机构进行结构分析(拆成杆组后画出),并指出该机构是几级机构。三.(12分)试用图解法设计图示曲柄摇杆机构ABCD。已知摇杆lDC=40mm,摆角ϕ£=45o,行程速度变化系数K=1.2,机架长度lbaAD=−(a为曲柄长,b为连杆长)。四.(12分)图示为对心直动滚子从动件盘形凸轮机构,凸轮为一偏心圆盘。已知圆盘半径R=40mm,该圆盘的回转中心与几何中心间的距离AO=25mm,滚子半径rr=10mm。试1)画出理论廓线,并求该凸轮的基圆半径r0;2)从动件的行程h;3)标出图示位置的压力角及其所对应的从动件的位移s五.(18分)已知一对直齿圆柱标准齿轮传动,实际中心距a'=100mm,m=4mm,α=°20,,ha*=1z120=,z230=,O1、O2分别为两轮的中心,主动轮1逆时针方向转动,试按µl=0001.m/mm比例作图,并在图上标出:(1)两轮的顶圆ra1、ra2及基圆rb1、rb2;(2)理论啮合线NN12与实际啮合线BB12;(3)齿顶压力角αa1、αa2与啮合角α';(4)分度圆r1、r2及节圆、;r1'r2'(5)求出基圆节距Pb,并按图中所量取的BB12计算该对齿轮传动的重合度ε。六.(12分)图示轮系中,已知zzzzz123452433213618=====,,,,,zz673078==,,求传动比i17。七.(12分)已知机器一个运动循环内的等效阻力矩Mr的变化曲线如图示,其等效驱动力矩为恒定值,平均角速度ωm=20rad/s,要求运转速度不均匀系数δ=005.。...

1、当您付费下载文档后,您只拥有了使用权限,并不意味着购买了版权,文档只能用于自身使用,不得用于其他商业用途(如 [转卖]进行直接盈利或[编辑后售卖]进行间接盈利)。
2、本站所有内容均由合作方或网友上传,本站不对文档的完整性、权威性及其观点立场正确性做任何保证或承诺!文档内容仅供研究参考,付费前请自行鉴别。
3、如文档内容存在违规,或者侵犯商业秘密、侵犯著作权等,请点击“违规举报”。

碎片内容

蜗牛文库的最新文档

二年级数学下册其中检测卷二年级数学下册其中检测卷附答案#期中测试卷.pdf
10.00金币
0下载
二年级数学下册期末质检卷(苏教版)二年级数学下册期末质检卷(苏教版)#期末复习 #期末测试卷 #二年级数学 #二年级数学下册#关注我持续更新小学知识.pdf
10.00金币
0下载
二年级数学下册期末混合运算专项练习二年级数学下册期末混合运算专项练习#二年级#二年级数学下册#关注我持续更新小学知识 #知识分享 #家长收藏孩子受益.pdf
10.00金币
1下载
二年级数学下册年月日三类周期问题解题方法二年级数学下册年月日三类周期问题解题方法#二年级#二年级数学下册#知识分享 #关注我持续更新小学知识 #家长收藏孩子受益.pdf
10.00金币
0下载
二年级数学下册解决问题专项训练二年级数学下册解决问题专项训练#专项训练#解决问题#二年级#二年级数学下册#知识分享.pdf
10.00金币
1下载
二年级数学下册还原问题二年级数学下册还原问题#二年级#二年级数学#关注我持续更新小学知识 #知识分享 #家长收藏孩子受益.pdf
10.00金币
1下载
二年级数学下册第六单元考试卷家长打印出来给孩子测试测试争取拿到高分!#小学二年级试卷分享 #二年级第六单考试数学 #第六单考试#二年级数学下册.pdf
10.00金币
0下载
二年级数学下册必背顺口溜口诀汇总二年级数学下册必背顺口溜口诀汇总#二年级#二年级数学下册 #知识分享 #家长收藏孩子受益 #关注我持续更新小学知识.pdf
10.00金币
0下载
二年级数学下册《重点难点思维题》两大问题解决技巧和方法巧算星期几解决周期问题还原问题强化思维训练老师精心整理家长可以打印出来给孩子练习#家长收藏孩子受益 #学霸秘籍 #思维训练 #二年级 #知识点总结.pdf
10.00金币
0下载
二年级数学下册 必背公式大全寒假提前背一背开学更轻松#二年级 #二年级数学 #二年级数学下册 #寒假充电计划 #公式.pdf
10.00金币
0下载
蜗牛文库+ 关注
实名认证
内容提供者

提供各种专业文档内容

确认删除?
QQ
  • QQ点击这里给我发消息
微信客服
  • 微信客服
回到顶部