电脑桌面
添加蜗牛文库到电脑桌面
安装后可以在桌面快捷访问

WM_Removed_7-2F310000 (7)土石方填筑工程.pdfVIP免费

WM_Removed_7-2F310000 (7)土石方填筑工程.pdf_第1页
WM_Removed_7-2F310000 (7)土石方填筑工程.pdf_第2页
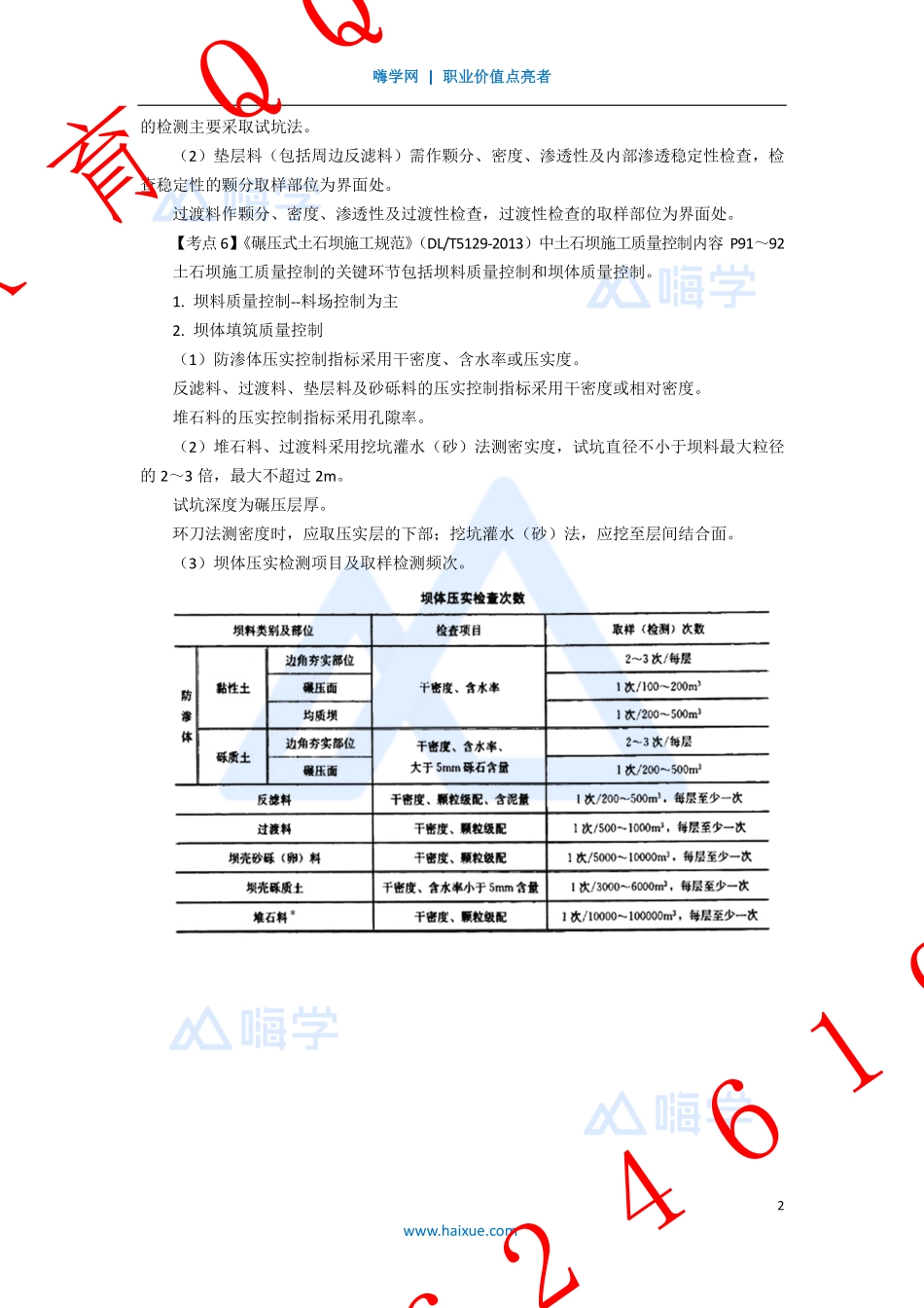
嗨学网|职业价值点亮者1www.haixue.com2F313030土石方填筑工程【考点1】土方填筑压实机械P85土方填筑压实机械分为静压碾压(如羊脚碾、气胎碾等)、震动碾压、夯击(如夯板)三种基本类型。光面碾需要刨毛。【考点2】土料压实标准P85(一)对于粘性土用干密度控制,对于非粘性土以相对密度Dr控制。(二)在现场用相对密度来控制施工质量不太方便,通常将相对密度Dr转换成对应的干密度来控制。【考点3】压实参数的确定P85土料填筑压实参数主要包括碾压机具的重量、含水量、碾压遍数及铺土厚度等,振动碾还包括振动频率和行走速率。【考点4】碾压式土石坝填筑施工P86~88(二)坝面作业1.坝面作业的基本要求2.铺料与整平(1)铺料宜平行坝轴线进行,杂物应剔除。进入防渗体内铺料,自卸汽车卸料宜用进占法倒退铺土,使汽车始终在松土上行驶,避免在压实土层上开行,造成超压,引起剪力破坏。(2)按设计厚度铺料整平是保证压实质量的关键。铺填中不应使坝面起伏不平,避免降雨积水。【考点4】碾压式土石坝填筑施工P86~88(3)粘性土料含水量偏低,主要应在料场加水。对非粘性土料,为防止运输过程脱水过量,加水工作主要在坝面进行。石碴料和砂砾料压实前应充分加水,确保压实质量。3.碾压(1)进退错距法:压实质量容易保证,效率相对较低。(2)圈转套压法:效率高、质量难以保证。4.接头处理土、砂平起。【考点5】面板堆石坝施工P90(二)填筑工艺1.堆石体填筑可采用自卸汽车后退法或进占法卸料,推土机摊平。垫层料的摊铺多用后退法。坝料填筑采用进占法卸料。(三)堆石体施工质量控制(1)通常堆石压实的质量指标,用压实重度换算的孔隙率n来表示,现场堆石密实度教育QQ6Q624619嗨学网|职业价值点亮者2www.haixue.com的检测主要采取试坑法。(2)垫层料(包括周边反滤料)需作颗分、密度、渗透性及内部渗透稳定性检查,检查稳定性的颗分取样部位为界面处。过渡料作颗分、密度、渗透性及过渡性检查,过渡性检查的取样部位为界面处。【考点6】《碾压式土石坝施工规范》(DL/T5129-2013)中土石坝施工质量控制内容P91~92土石坝施工质量控制的关键环节包括坝料质量控制和坝体质量控制。1.坝料质量控制--料场控制为主2.坝体填筑质量控制(1)防渗体压实控制指标采用干密度、含水率或压实度。反滤料、过渡料、垫层料及砂砾料的压实控制指标采用干密度或相对密度。堆石料的压实控制指标采用孔隙率。(2)堆石料、过渡料采用挖坑灌水(砂)法测密实度...

1、当您付费下载文档后,您只拥有了使用权限,并不意味着购买了版权,文档只能用于自身使用,不得用于其他商业用途(如 [转卖]进行直接盈利或[编辑后售卖]进行间接盈利)。
2、本站所有内容均由合作方或网友上传,本站不对文档的完整性、权威性及其观点立场正确性做任何保证或承诺!文档内容仅供研究参考,付费前请自行鉴别。
3、如文档内容存在违规,或者侵犯商业秘密、侵犯著作权等,请点击“违规举报”。

碎片内容

蜗牛文库的最新文档

二年级数学下册其中检测卷二年级数学下册其中检测卷附答案#期中测试卷.pdf
10.00金币
0下载
二年级数学下册期末质检卷(苏教版)二年级数学下册期末质检卷(苏教版)#期末复习 #期末测试卷 #二年级数学 #二年级数学下册#关注我持续更新小学知识.pdf
10.00金币
0下载
二年级数学下册期末混合运算专项练习二年级数学下册期末混合运算专项练习#二年级#二年级数学下册#关注我持续更新小学知识 #知识分享 #家长收藏孩子受益.pdf
10.00金币
1下载
二年级数学下册年月日三类周期问题解题方法二年级数学下册年月日三类周期问题解题方法#二年级#二年级数学下册#知识分享 #关注我持续更新小学知识 #家长收藏孩子受益.pdf
10.00金币
0下载
二年级数学下册解决问题专项训练二年级数学下册解决问题专项训练#专项训练#解决问题#二年级#二年级数学下册#知识分享.pdf
10.00金币
1下载
二年级数学下册还原问题二年级数学下册还原问题#二年级#二年级数学#关注我持续更新小学知识 #知识分享 #家长收藏孩子受益.pdf
10.00金币
1下载
二年级数学下册第六单元考试卷家长打印出来给孩子测试测试争取拿到高分!#小学二年级试卷分享 #二年级第六单考试数学 #第六单考试#二年级数学下册.pdf
10.00金币
0下载
二年级数学下册必背顺口溜口诀汇总二年级数学下册必背顺口溜口诀汇总#二年级#二年级数学下册 #知识分享 #家长收藏孩子受益 #关注我持续更新小学知识.pdf
10.00金币
0下载
二年级数学下册《重点难点思维题》两大问题解决技巧和方法巧算星期几解决周期问题还原问题强化思维训练老师精心整理家长可以打印出来给孩子练习#家长收藏孩子受益 #学霸秘籍 #思维训练 #二年级 #知识点总结.pdf
10.00金币
0下载
二年级数学下册 必背公式大全寒假提前背一背开学更轻松#二年级 #二年级数学 #二年级数学下册 #寒假充电计划 #公式.pdf
10.00金币
0下载
蜗牛文库+ 关注
实名认证
内容提供者

提供各种专业文档内容

确认删除?
QQ
  • QQ点击这里给我发消息
微信客服
  • 微信客服
回到顶部