电脑桌面
添加蜗牛文库到电脑桌面
安装后可以在桌面快捷访问

广东佛山和北公路DS07标N40-2#桩自平衡静载试验报告.docVIP免费

广东佛山和北公路DS07标N40-2#桩自平衡静载试验报告.doc_第1页
广东佛山和北公路DS07标N40-2#桩自平衡静载试验报告.doc_第2页
广东佛山和北公路DS07标N40-2#桩自平衡静载试验报告.doc_第3页
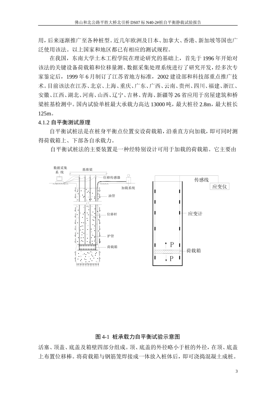
佛山和北公路平胜大桥北引桥DS07标N40-2#桩自平衡静载试验报告1概述1.1工程概况平胜大桥位于佛山市东郊,全长1025.32m。北引桥桥跨布置为5×28+<33+2×35+3×30>+<2×30+27.5+35+27.5+30>+<30+2×35+30>(预应力砼连续箱梁)+2×6×20+7×20(预应力砼简支变连续空心板)。全桥C50预应力混凝土等截面连续梁共4联,其中第三联跨越佛山涌;C40预应力混凝土简支变连续空心板共3联。N40号桥台为肋板式桥台,单幅基础为4根D150cm嵌岩桩,嵌入弱风化岩层不少于3m。受佛山市路桥建设有限公司委托,我站会同东南大学土木工程学院对北引桥DS07标N40-2#桩基采用自平衡法进行了静载试验。该桩主要参数见表1-1。表1-1试桩主要参数表桩号混凝土等级设计桩径(m)设计桩长(m)桩顶标高(m)桩底标高(m)地质钻孔号设计承载力(kN)预估加载值(kN)N40-2#C251.525.0-1.5-26.5ZK245300060001.2地质条件该桩地质资料见表1-2。表1-2N40-2#(ZK245号)地质孔主要参数表(孔口高程-0.12m)土层名称层底标高(m)厚度(m)极限摩阻力τ(kPa)容许承载力[σ0](kPa)细砂-4.473.1040120淤泥质亚粘土-10.576.102060中砂-12.972.4050180细砂-17.174.2040120粉砂质泥灰岩(全风化)-20.373.2050150粉砂质泥灰岩(强风化)-22.271.9080250粉砂质泥灰岩(弱风化)-29.377.10-8002试验依据和目的2.1试验依据1)《公路工程技术标准》(JTGB01-2003)2)《公路桥涵地基与基础设计规范》(JTJ024-85)3)《公路桥涵施工技术规范》(JTJ041-2000)4)《桩承载力自平衡测试技术规程》(DB32/T291-1999)5)《建筑桩基检测技术规范》(JGJ106-2003)2.2试验目的1佛山和北公路平胜大桥北引桥DS07标N40-2#桩自平衡静载试验报告检测桩基实际承载力是否满足设计要求,检验桩基承载安全性,提供桩身轴向应力、桩身完整性、分层岩土摩擦力、端阻力、桩弹性压缩、岩土塑性变形。3施工情况3.1施工概况N40-2#桩由中铁十一局集团有限公司(DS07标)施工,中国公路工程咨询监理公司负责施工过程的监理。该桩的桩径1500mm,桩顶标高-1.50m,桩底标高-26.5m,桩长25.0m,成桩日期2005年4月7日。本次检测使用的荷载箱设置于桩身距离桩底3.5m处。3.2与试验相关的施工步骤1)地面上绑扎和焊接钢筋笼,将荷载箱与钢筋笼连接成整体。由施工单位负责,测试单位配合,位移棒、声测管与钢筋笼绑扎成整体,确保护管不渗泥浆,同时确保钢筋应变计位置正确并绑扎连接好;2)埋荷载箱前再次检查桩径、桩长(...

1、当您付费下载文档后,您只拥有了使用权限,并不意味着购买了版权,文档只能用于自身使用,不得用于其他商业用途(如 [转卖]进行直接盈利或[编辑后售卖]进行间接盈利)。
2、本站所有内容均由合作方或网友上传,本站不对文档的完整性、权威性及其观点立场正确性做任何保证或承诺!文档内容仅供研究参考,付费前请自行鉴别。
3、如文档内容存在违规,或者侵犯商业秘密、侵犯著作权等,请点击“违规举报”。

碎片内容

蜗牛文库的最新文档

二年级数学下册其中检测卷二年级数学下册其中检测卷附答案#期中测试卷.pdf
10.00金币
0下载
二年级数学下册期末质检卷(苏教版)二年级数学下册期末质检卷(苏教版)#期末复习 #期末测试卷 #二年级数学 #二年级数学下册#关注我持续更新小学知识.pdf
10.00金币
0下载
二年级数学下册期末混合运算专项练习二年级数学下册期末混合运算专项练习#二年级#二年级数学下册#关注我持续更新小学知识 #知识分享 #家长收藏孩子受益.pdf
10.00金币
1下载
二年级数学下册年月日三类周期问题解题方法二年级数学下册年月日三类周期问题解题方法#二年级#二年级数学下册#知识分享 #关注我持续更新小学知识 #家长收藏孩子受益.pdf
10.00金币
0下载
二年级数学下册解决问题专项训练二年级数学下册解决问题专项训练#专项训练#解决问题#二年级#二年级数学下册#知识分享.pdf
10.00金币
1下载
二年级数学下册还原问题二年级数学下册还原问题#二年级#二年级数学#关注我持续更新小学知识 #知识分享 #家长收藏孩子受益.pdf
10.00金币
1下载
二年级数学下册第六单元考试卷家长打印出来给孩子测试测试争取拿到高分!#小学二年级试卷分享 #二年级第六单考试数学 #第六单考试#二年级数学下册.pdf
10.00金币
0下载
二年级数学下册必背顺口溜口诀汇总二年级数学下册必背顺口溜口诀汇总#二年级#二年级数学下册 #知识分享 #家长收藏孩子受益 #关注我持续更新小学知识.pdf
10.00金币
0下载
二年级数学下册《重点难点思维题》两大问题解决技巧和方法巧算星期几解决周期问题还原问题强化思维训练老师精心整理家长可以打印出来给孩子练习#家长收藏孩子受益 #学霸秘籍 #思维训练 #二年级 #知识点总结.pdf
10.00金币
0下载
二年级数学下册 必背公式大全寒假提前背一背开学更轻松#二年级 #二年级数学 #二年级数学下册 #寒假充电计划 #公式.pdf
10.00金币
0下载
蜗牛文库+ 关注
实名认证
内容提供者

提供各种专业文档内容

确认删除?
QQ
  • QQ点击这里给我发消息
微信客服
  • 微信客服
回到顶部